021

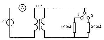
De transformator is verliesvrij.
Als de schakelaar in stand 1 staat, is de stroom door de ampêremeter 9 ampêre.
Zetten we de schakelaar in stand 2, dan is de stroom door de ampèremeter:

a   1,5 A
b   3 A
c  
4.5 A
d   9 A
n = Is/Ip

n= 1/3 =0.33

stand 1
Is = n * Ip = 0.33 x 9 = 3 A

stand 2
Is = 1.5 A

Ip = Is /n = 1.5 / 0.33 = 4.5 A
n = np/ns   n = Up/Us   n = Is/Ip   n2 = Zp/Zs   n2 = Cs/Cp
037     P = P   Up x Ip = Us x Is
P = P   Up * Ip = Us * Is