001

Indien van een parallelkring de capaciteit gehalveerd wordt zal de Fres

a   2 maal zo hoog worden
b  
2maal zo hoog worden
c  
2maal zo laag worden
d   gehalveerd worden
-

002

Deze L-C kring heeft

a   zowel een parallel- als een serieresonantiefrequentie
b   alleen een serieresonantiefrequentie
c   geen resonantiefrequentie
d   alleen een parallel resonantiefrequentie
-


003

In het filter zijn de 3 seriekringen in resonantie op de daarbij aangegeven frequenties
Het filter

a   laat 2000 Hz en 4000 Hz door
b   laat 2000 Hz door en spert 4000Hz
c   spert 2000 Hz en 4000 Hz
d   spert 2000 Hz en laat 4000 Hz door
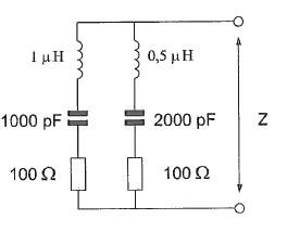
-


004

Om de resonantiefrequentie van de kring een factor 2 te verhogen, moet de regelspanning op de varicap gewijzigd worden van

a   12.5 V naar 20 V
b   5 V naar 20 V
c   10 V naar 5 V
d   20 V naar 5 V
033     Resonantie     fres = 1 / [2 x pi x Ѵ (L x C)]
-


005

De spoel heeft een gelijkstroomweerstand van 40 Ohm.
De reactrantie (XL) is 1 Kohm.
De ingangsspanning is ongeveer:

a   104 V
b   4 V
c   204 V
d   100 V
-


006

Indien bij een parallelkring de zelfinductie 2 maal zo groot en de capaciteit 2 maal zo klein wordt gemaakt, zal de resonantiefrequentie:

a   2 maal zo hoog worden
b   gehalveerd worden
c   gelijk blijven
d   4 maal zo hoog worden
-


007

Indien van een seriekring de zelfinductie wordt verdubbeld, zal de resonantiefrequentie :

a   gehalveerd worden
b   ⱱ2 maal zo laag worden
c   verdubbeld worden
d   ⱱ2 maal zo hoog worden
-


008

lndien van een parallelkring de capaciteit 4 maal zo groot wordt zal de resonantiefrequentie :

a. 4 maal zo hoog worden
b. 2 maal zo hoog worden
c. gereduceerd worden tot een kwart
d. gehalveerd worden
-


009

De resonantiefrequentie van de schakeling is ongeveer ?

a   3.2 Khz
b   1.6 Khz
c   63 Khz
d   32 Khz
-


010

De parallelresonantiefrequentie van deze schakeling wordt bepaald door:

a   L1 en L2
b   C en L2
c   C en L1
d   C en L1 en L2
-


011

Indien van een seriekring de zelfinductie wordt verdubbeld zal de resonantiefrequentie:

a   gehalveerd worden
b   Ѵ2 maal zo hoog worden
c   verdubbeld worden
d   Ѵ2 maal zo laag worden
-


012

De serieresonantiefrequentie van deze schakeling wordt bepaald door:

a   L1 en L2
b   C en L2
c   C en L1
d   C en L1 en L2
-


013

De kring is in resonantie.
Na het sluiten van de schakelaar wordt:

a. de spanning U2 groter en de bandbreedte van de kring groter
b. de spanning U2 kleiner en de bandbreedte van de kring groter
c. de spanning U2 groter en de bandbreedte van de kring kleiner
d. de spanning U kleiner en de bandbreedte van de kring kleiner
-


014

Indien bij een seriekring de zelfinductie en de capaciteit beiden 2 maal zo groot worden gemaakt, zal de resonantiefrequentie:

a   gehalveerd worden
b   2 maal zo hoog worden
c   4 maal zo hoog worden
d   gelijk blijven
-


015

Bij een bepaalde frequentie is de kring in resonantie en de impedantie Z zeer hoog.
Deze frequentie wordt geheel bepaald door:

a   L C1 en C2
b   L en C2
c   L en C1
d   C1 en C2
-


016

Een zender werkt op 145 MHz.
De eerste harmonische hiervan is:

a   217.5 MHz
b   290 MHz
c   145 MHz
d   72.5 MHz
-


017

Als de frequentie wordt verdubbeld, dan wordt de ingangsimpedantie:

a   2200

b   1708

c   1000

d   1100
-


018

Hoe groot is de impedantie op de resonantiefrequentie?

a.   nul
b.   R
c.   oneindig groot
d.   L/C
-


019

Door een spoel met een zelfinductie van 0,2 henry loopt een sinusvormige wisselstroom van Ieff = 2 ampère.
De frequentie van de wisselstroom is 70/2π  Hz.
De spanning over de spoel Ueff is:

A. 56 V
B. 40 V
C. 28 V
D. 20 V
-


020

De impedantie Z is bij resonantie:

a   100 ohm
b   1000 ohm
c   1100 ohm
d   oneindig hoog

-

021

De spoelen zijn onderling niet gekoppeld.
De resonantiefrequentie van kring Q is:

a   gelijk aan die van kring P
b   2 maal die van kring P
c   0.5 maal die van kring P
d   4 maal die van P
-


022

De resonantiefrequentie van de schakeling wordt beïnvloed door de:

a   capaciteit C
b   weerstand R2
c   weerstanden R1 en R2
d   weerstand R1
-


023

De weerstand dissipeert het grootste vermogen bij een frequentie van ongeveer:

a   320 Hz
b   160 Hz
c    6400 Hz
d   3200 Hz
-


024

De impedantie Z is bij resonantie:

a   100

b   141

c   200

d   50
-


025

In onderstaande schakeling is een resonantiekring weergegeven.
De spoel L en de condensator C zijn verliesvrij verondersteld.
De resonantiefrequentie fres wordt weergegeven door de formule:

a   fres = R / 2π
b   fres = 1/2π
LC
c   fres = LC / 2π
d   fres = 1/2π
1/LC
-


026

De resonantiefrequentie fres van een kring, welke is opgebouwd uit een spoel met een zelfinductie L en een condensator met een capaciteit C, wordt bepaald door de formule:

a   fres = 1/2π
L:C
b   fres = 2π
LC
c   fres = 1/2π
LC
d   fres = 2π/
LC
-


027

Een seriekring van hoge kwaliteit heeft een resonatiefrequentie van 100 Mhz.
Bij 90 Mhz gedraagt deze kring zich als een :

a   condensator
b   doorverbinding
c   weerstand
d   spoel
-


028

In de schakeling is een resonantiekring opgenomen.
Alle componenten zijn ideaal verondersteld.
De impedantie bij resonantie is:

a   nul
b   R
c   oneindig hoog
d   L/R
-


029

De weerstand dissipeert het grootste vermogen bij een frequentie van:

a   500 / π Hz
b   1000 / π Hz
c   1000.π Hz
d   2000.π Hz
-


030

In geval van resonantie geldt:

a   Ir = Ic
b   IL = Ir
c   It = Ir
d   It = Ic+IL
-


031

De resonantiefrequentie  is:

a   1.59 Khz
b   3.18 Khz
c   31.4 Khz
d   62.8 Khz
-


032

De impedantie Z bij resonantie:

a   75 ohm
b   100 ohm
c   300 ohm
d   400 ohm
-


033

De stroom door de weerstand is:

a   2 A
b   4 A
c   8 A
d   12 A
-


034

Bij een frequentie, hoger dan de resonantiefrequentie, is de impedantie van deze seriekring:

a   inductief
b   capacitief
c   ohms
d   maximaal
-


035

Een parallelkring heeft een resonantiefrequentie van 100 MHz.
Voor een signaal van 90 MHz gedraagt deze kring zich als een:

a   spoel
b   weerstand
c   condensator
d   doorverbinding
-


036

De resonantiefrequentie van de schakeling wordt beinvloed door

a   capaciteit C
b   weerstand R2
c   weerstand R1
d   weerstanden 1 en 2