013

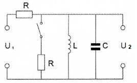
De kring is in resonantie.
Na het sluiten van de schakelaar wordt:

a. de spanning U2 groter en de bandbreedte van de kring groter
b.
de spanning U2 kleiner en de bandbreedte van de kring groter
c. de spanning U2 groter en de bandbreedte van de kring kleiner
d. de spanning U kleiner en de bandbreedte van de kring kleiner

Schakelaar open, U2 is onbelast

Schakelaar dicht, U2 wordt belast en er loopt stroom door R
meer stroon, dus minder spanning.

De BB van een parallelkring zonder R is smaller
dan wanneer we kring gaan belasten.
De BB neemt toe.