002

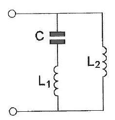
Deze L-C kring heeft

a  
zowel een parallel- als een serieresonantiefrequentie
b   alleen een serieresonantiefrequentie
c   geen resonantiefrequentie
d   alleen een parallel resonantiefrequentie

Serie C en L1
Paallel  C en
Lv = 1/ [ 1/L1 + 1/L2 ]