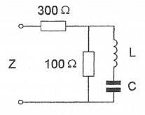
001

De impedantie Z is bij resonantie

a   141 Ohm
b   100 Ohm
c   200 Ohm
d    50 Ohm
-

002

Bij een bepaalde frequentie is XL 400 Ohm
Als de frequentie wordt verdubbeld ,  dan wordt de impedantie Z ongeveer

a    1100 Ohm
b     700 Ohm
c     850 Ohm
d     500 Ohm
-


003

De spoel heeft een gelijkstroomweerstand van 40 Ohm
De reactantie XL is 1 Kohm
De ingangsspanning is ongeveer:

a   104 V
b   204 V
c   100 V
d      4 V
-


004

De impedantie van de schakeling is

a   500 Ohm
b   300 Ohm
c   400 Ohm
d   700 Ohm
-


005

In de schakeling is de wisselstroom 0.5 Ampere
De aangesloten spanning is?

a   25 V
b   15 V
c   20 V
d   35 V
-


006

Als de frequentie wordt verdrievoudigd, dan wordt de ingangsimpedantie

a   400 Ohm
b   1800 Ohm
c   1000 Ohm
d   1400 Ohm
-


007

Voor een spoel geldt:  Rl = 6 Ohm en Xl = 8 Ohm
De spoel wordt aangesloten op een wisselspanning van 84 Volt
De stroom door de spoel is

a   10.5 A
b   14 A
c   8.4 A
d   6 A
029     Impedantie
-


008

Het opgenomen vermogen van de schakeling is:

a   2.4 W
b   1.6 W
c   2.8 W
d   1.0 W
-


009

De impedantie Z is bij resonantie:

a     100

b   1100

c   oneindig hoog
d   1000
-


010

Het in de schakeling gedissipeerde vermogen is:

a   1.6 W
b   2    W
c   1.4 W
d   2.5 W
-


011

Als de frequentie wordt verdubbeld, dan wordt de ingangsimpedantie:

a   1000

b   2200

c   1708

d   1100
-


012

Een spoel heeft een gelijkstroomweerstand van 24
.
Bij een bepaalde frequentie is de reactantie 32
.
De impedantie is dan:

a   40

b   56

c   24

d   32
-


013

Een smoorspoel met een impedantie van 10 ohm heeft een ohmse weerstand van 8 ohm en wordt aangesloten op een sinusvormige wisselspanning van 10 volt.
Het gedissipeerd vermogen is:

a   8 W
b   6 W
c   12.5 W
d   10
-


014

De impedantie tussen de aansluitpunten van de schakeling is:

a   5 Kohm
b   1.71 Kohm
c   1 Kohm
d   7 Kohm
-


015

De impedantie van de kring is:

a   333 ohm
b   500 ohm  
c   1000 ohm
d   1500
ohm
-


016
.
De impedantie Z is bij resonantie?

a   75

b   100

c   300

d   400
-


017.

De impedantie Z is:

a  
R2 + (2πfL)2
b   R + 2πfL
c   1 /
LR
d   R / 2πfL
-


018

In de figuur is het vectordiagramm weergegeven van de serieschakeling van een weerstand R en een spoel L.
Het opgenomen vermogen is:

a   U x I
b   Ut x I
c   UL x I
d   U2 / R
-


019

Het ogenomen vermogen is:

a   1.6 W
b   2.8 W
c   2 W
d   120 W
-


020

De impedantie Z is:

a   Z =
R2 + ( 1/2πfC)2
b   Z = R + 1/2πfC
c   Z =
R2 + (2πfC)2
d   Z = R + 2πfC
-


021

De impedantie van de schakeling is:

a   600 ohm
b   800 ohm
c   1000 ohm
d   1400 ohm
-


022

Een spoel heeft een gelijkstroomweerstand van 24
.
Bij een bepaalde frequentie is de reactantie 32
.
De impedantie is dan:

a   24

b   32

c   40

d   56
-


023

Een spoel heeft een zelfinductie van 0,5 H en een eigen- weerstand van 2 ohm.
De spoel wordt aangesloten op een batterij van 10 V met een inwendige weerstand van 0,5 ohm.
Na lange tijd bedraagt de stroom door de spoel:

a   3,2 A
b   4A
c   5A
d   20A
-


024

De impendantie Z is bij resonantie:

a   75

b   100

c   300

d   400
-


025

Een parallelkring heeft

a   bij alle frequenties dezelfde impedantie
b   in resonantie een hoge impedantie
c   in resonantie een lage impedatie
-


026

Bij resonantie is de impedantie Z

a   1000 Ohm
b       91 Ohm
c    1100 Ohm
d      100 Ohm
-


027

Bij een bepaalde frequentie is Xl = 400 Ohm
De frequentie wordt vedubbeld.
Wat is dan de impedantie Z?

a   850 Ohm
b   500 Ohm
c   1100 Ohm
d   700 Ohm
-


028

Voor een bruikbare modulatie zal de waarde van R1 liggen in de ordegrootte van

a   10 Ohm
b   600 Ohm
c   100 Kohm
d   1 Ohm
-


029

De spoel heeft een gelijkstroomweerstand van 40 ohm.
De reactantie (X.L ) is 1 K-ohm.
De ingangsspanning is ongeveer:

a   204 V
b   104 V
c   100 V
d   4 V
-


030

Een seriekring met hoge Q gedraagt zich op zijn resonantiefrequentie als een:

a. hoge weerstand
b. kortsluiting
c. lage weerstand
d. oneindig hoge weerstand
-


031

Een spoel heeft een gelijkstroomweerstand van 24
.
Bij een bepaalde frequentie is de reactantie 32
.
De impedantie is dan:

a   24

b   32

c   40

d   56
-


032

De spanning over de weerstand is?

a   280 V
b   150 V
c   200 V
d   210 V
-


033

De impedantie Z is bij resonantie:

a. 75
Ohm
b. 400
Ohm
c. 300
Ohm
d. 100
Ohm
-


034

De impedantie Z is bij resonantie:

a   1000

b   100

c   1100

d   oneindig hoog
-


035

Als de frequentie wordt verdubbeld, dan wordt de ingangsimpedantie:

a   1708

b   1000

c   1100

d    2200
-


036

De reactantie van een zelfinductie als functie van de frequentie verloopt volgens:

a   figuur B
b   figuur D
c   figuur A
d   figuur C
-


037

In de onderstaande schakeling is een resonantiekring opgenomen.
Alle componenten zijn ideaal verondersteld.
De impedantie van deze schakeling bij de resonantiefrequentie van de kring is:

a   nul
b   R
c   oneindig groot
d   L/R
-


038

Van de schakeling is gegeven:

De spanning over de spoel is ongeveer gelijk aan:

a   UL = 1 V
b   UL = 20 V
c    UL = 38 V
d   UL = 71 V
-


039

Een spoel heeft een coeffricient van zelfinductie van 0.5 H en een eigen weerstand van 2 ohm.
De spoel wordt aangesloten op een gelijkspanningsbron van 10 V, welke een inwendige weerstand heeft van 0.5 ohm.
Na zeer lange tijd bedraagt de stroom door de spoel.

a   4 A
b   5 A
c   3.3 A
d   20 A
-


040

In de schakeling is de wisselstroom 0,5 ampére.
De aangesloten spanning is:

a   35 V
b   25 V
c   20
d   15 V
-


041

De impedantie van de schakeling is:

a   300 ohm
b   400 ohm
c   500 ohm
d   700 ohm
-


042

De spanning over de spoel is:

a   100 V
b   200 V
c   300 V
d   400 V
-


043

Een seriekring met hoge Q gedraagt zich op zijn resonantiefrequentie als een:

a. hoge weerstand
b. kortsluiting
c. lage weerstand
d. oneindig hoge weerstand
-


044

De spanning over de weerstand is ?

a   280 V
b   150 V
c   200 V
d   210 V