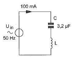
003

De spoel heeft een gelijkstroomweerstand van 40 Ohm
De reactantie XL is 1 Kohm
De ingangsspanning is ongeveer:

a   104 V
b   204 V
c   100 V
d     
4 V

U = I x R
U = I x Z

Z = R2 + [Xl - Xc]2
Xc = 1/(2 pi f C)

Xc = 1/( 2 pi 50 3.2exp-6) =995 Ohm

Z =
402     + [1000 - 995]2
Z= 
1600 +25 = 40 Ohm

U = I x Z
U = 100exp-3 x 40 = 4 Volt