034

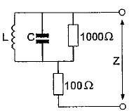
De impedantie Z is bij resonantie:

a   1000

b   100

c  
1100
d   oneindig hoog
Serieresonantie  we kijken naar de stromen

De spoel en de condensator hebben een spanning opslingering ,dus geen stroom

Blijven alleen de weerstanden over waar stroom door gaat