010

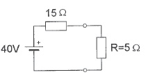
In de weerstand R wordt een vermogen gedissipeerd van:

a   10 W
b  
20 W
c   80 W


-
I = U / R = 40 / 20 = 2 A

P = I2 x R = 4 x 5 = 20 W

UR = I x R = 2 x 5 = 10 V

PR = Ur x Ir = 10 x 2 = 20 W
005-Vermogen