001

Een zender is afgesloten met een belastingsweerstand van  50
.
Het hf-uitgangsvermogen van de zender is

a   7,2W
b   18W
c   30W
005-Vermogen
-


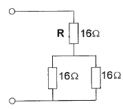
002

De maximaal toelaatbare gelijkstroom I bedraagt:

a   0,1 A
b   1 A
c   0,01 ..
-


003

De maximaal toelaatbare stroom die continu door een 10 watt weerstand van 1000 ohm mag lopen is:

a   0,1 A
b   0,01 A
c   1 A
-


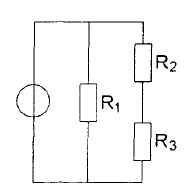
005

In R3 wordt een vermogen gedissipeerd van 2 watt.
Hoe groot is het vermogen dat in de weerstand R1 gedissipeerd wordt?

a   4 W
b   8 W
c   16 W
-


006

In weerstand R1 wordt 10 Watt gedissipeerd.
Het gedissipeerde vermogen in de hele schakeling is ?

a   2 Watt
b   20 Watt
c   5 Watt
-


004

Het uitgangsvermogen van de zender is:

a   200 mW
b   400 mW
c   2 W
-


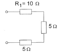
007

In de schakeling zijn alle weerstanden 1000 ohm. In R1 wordt 4 watt gedissipeerd.
Het vermogen in R2 is:

a   2 W
b   1 W
c   0,5 W
-


008

Een zender bestaat uit drie modulen.
Het totale opgenomen vermogen van deze drie modulen is:

a   36W
b   48W
c   24W
-


009

R dissipeert 4 watt.
Het gedissipeerd vermogen van de gehele schakeling is:

a   6 W
b   12 W
c   8 W
-


010

In de weerstand R wordt een vermogen gedissipeerd van:

a   10 W
b   20 W
c   80 W
-


011

Om het opgenomen vermogen van de zender te meten gebruikt men een voltmeter en een ampéremeter.
Het opgenomen vermogen bedraagt:

a   95 W
b   99,95 W
c   100 W
-


012

In R1 wordt 36 watt aan warmte ontwikkeld.
De warmte ontwikkeling in R2 bedraagt:

a   9 W
b   36 W
c   18 W
-


013

Wanneer de weerstand R1 kleiner wordt gemaakt dan zal de warmteontwikkeling in R2:

a   gelijk blijven
b   toenemen
c   afnemen
-


014

De maximaal toelaatbare stroom bedraagt:

a   25 mA
b   40 mA
c   200 mA
-


015

Bij geopende schakelaar S dissiperen de weerstanden elk 50 watt.
Als de schakelaar S wordt gesloten, is het gedissipeerde vermogen:

a   400W
b   100W
c   200W
-


016

In R1 wordt 36 watt gedissipeerd.
In R2 wordt gedissipeerd:

a   18W
b   72W
c   144W
-


017

In de schakeling zijn alle weerstanden 100 ohm.
In R2 wordt een vermogen gedissipeerd van 1 watt. In R1 wordt een vermogen gedissipeerd van:

a   1W
b   2W
c   4W
-


018

Gegeven:
U = 12V
I = 0,5A

Gevraagd: P
-


019

Gegeven:

Led U = 2,2V
I = 20mA

Gevraagd: P
-


020

Gegeven: U = 230V
P = 100W

Gevraagd: I
-


021

Gegeven:
P = 350W
U = 230V

Gevraagd:I
-


022

Wanneer R1 groter gemaakt wordt, dan zal de warmteontwikkeling in R2:

a   gelijk blijven
b   afnemen    
c   toenemen
-


023

Een zender is afgesloten met een belastingsweerstand van 50
.
Het gelijkstroom-ingangsvermogen van de eindversterker is:

a   36W
b   18W
c   30W    



-