015

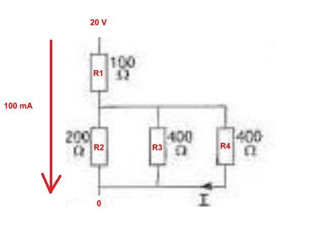
De collectorstroom is 100 mA
De stroom I is

a  
25 mA
b   50 mA
c   100 mA
d   7 mA
Echt niet moeilijk....
wat staat er?
Ic = 100 mA
wat willen we weten?
I , daar waar aangegeven
Eens kijken...>>>
R2 R3 en R4 staan parallel

Rv = 1/ [1/R2 + 1/R3 + 1/R4]
Rv = 1/ [1/200 + 1/400 + 1/400] = 100 Ohm

R1 staat in serie met Rv

Rt = R1 + Rv = 100 + 100 = 200 Ohm

Ut = It * Rt = 100 mA * 200Ohm = 20 V
Eens kijken...>>>
de 100 mA is de TOTALE stroom en gaat door R1 en Rv

Door Rv zal de strrom zich verdelen in

I door R2 IR2
I door R3 IR3
I door R4 IR4
Eens kijken...>>>