Balun.   Unun
Balun
Om een asymmetrische voedingslijn (coax) te verbinden met een symmetrische antenne (dipool) moet een balun gebruikt worden.
Doen we dat niet, dan straalt de coaxkabel mee met de antenne.
Er vindt impedantietransformatie plaats.
Een longwire.
Een balun 1:1
Een balun 1:4 wordt gebruikt bij een antenne die niet geheel symmetrische is en een impedantie heeft van circa 200-300 ohm.
De "Windom"  antenne welke gevoed wordt op 1/3 van de golflengte(=draadlengte) , heeft een impedantie van circa 200 ohm.
Figuur 1

Figuur 2

Figuur 3

-
Figuur 4

-
Figuur 5

-
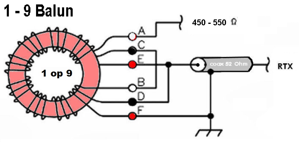
Figuur 6   voor windom antennes

Figuur 8

-
Balun
Aanpassing van Balanced - Unbalanled

Unun
Aanpassing van Unbalanced-Unbalanced
jj_06_03_003v
De belangrijkste reden om deze BalUn te gebruiken is om er voor te zorgen dat de coax kabel niet gaat mee stralen.
Figuur 7

figuur 10

10, (15), 20, 40 en 80 meter band, met spoel
Figuur 9

-
Figuur 10

-
Figuur 9

-
Figuur 11

-
Les 24