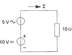
De gemiddelde wisselsstroom = 0

Er is een stroom van 1A waar een rimpel op staat
003

De gemiddelde waarde van de stroom | bedraagt:

a   1,5 A
b   0,5 A
c   0,707 A
d  
1 A