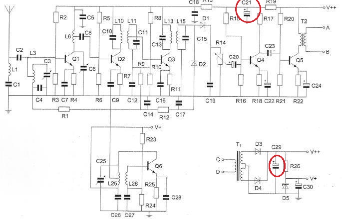
011

De voedingsspanningen worden afgevlakt door de condensatoren:

a   C26     C27
b  
C21     C29
c   C14     C17
d   C22     C24
FIGUUR 02