002

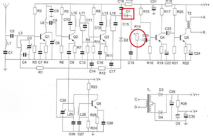
Er is een laagfrequent wisselspanning aanwezig over:

a   R1
b   R3
c  
R14
d   R10

Laagfrequent krijgen we Na detectie van D1
dus daarna LF
FIGUUR 02