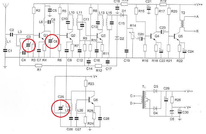
001

De ontvanger wordt afgestemd met:

a   alleen C6
b   alleen C3
c  
C3, C6 en C25
d   alleen C25

C3 is pre-selectie denk ik
C6 is afstemming
C25 is Frequentie-afstemmen

Extra uitleg

C3, C6 en C25 zijn allen variabele luchtcondensatoren, die zorgen voor preselectie (veraf selectiviteit).
C25: (= frequentieregelaar) verstemt de frequentie van de mengoscillator
maar zit op een as met de variabele luchtcondensatoren C3 en C6.

Dit is een schema van een AM-ontvanger
Bij EZB en CW heb je een BFO nodig, dus kan C25 géén BFO zijn
FIGUUR 02