┘
-
01
http://www.iwab.nu/H2_031.html
Wanneer van een triode de roosterspanning meer negatief wordt gemaakt ten opzichte van de kathode, zal de:
a anodespanning afnemen
b anaodestroom afnemen
c roosterstroon toenemen
d anodestroom toenemen
Het stuurrooster, wat we tussen anode en kathode plaatsen, stoot in een bepaalde mate elektronen af of trekt ze juist aan.
Dit is afhankelijk van de spanning op het stuurrooster.
Een negatieve spanning op het stuurrooster zal de elektronenwolk rond de kathode afstoten, zodat er minder elektronen naar de anode gaan, en er dus minder stroom vloeit.
Bij een grote negatieve spanning komt de stroom zelfs tot stilstand.
Op die manier kun je met een kleine spanning de stroom door de buis regelen.

-
02
http://www.iwab.nu/jj_02_07_002v_005.html
Stelling 1:
De anodestroom van een triode is afhankelijk van de roosterspanning
Stelling 2:
De anodestroom van een triode is afhankelijk van de anodespanning
Wat is juist?
a 1
b geen
c 2
d 1 en 2
De anodestroom van een triode is afhankelijk van de roosterspanning
Allereerst een buis zit in een vacuum
Met het rooster kan ik een min-spanning geven, zodat er veel makkelijker stroom gaat lopen,
terwijl er geen elektronen op achter blijven.
De anodestroom van een triode is afhankelijk van de anodespanning
KNAP kathode negatief anode positief
Er loopt dus stroom van + naar -
Als ik dan de spanning U hoger maak, gaat er meer stroom lopen.

-
03
http://www.iwab.nu/jj_02_07_002v_004.html
Stelling 1:
De anode-roostercapaciteit van een triode is veel kleiner dan van een pentode.
Stelling 2:
De electronenstroom in een triode loopt van het rooster naar de anode.
Wat is juist?
a. stelling1 en 2
b. alleen stelling1
c alleen stelling2
d. geen van beide stellingen
ad1
De anode-roostercapaciteit van een triode is groter dan van een pentode.
Een penthode heeft meer roosters , daardoot kleinere capaciteit
ad 2
KNAP
-
04
http://www.iwab.nu/040-011.html
http://www.iwab.nu/H2-169.html
De Ia Ua karakteristiek van een triode geeft het verband aan tussen
a anodestroom en anodespanning
b roosterstroom en anodespanning
c roosterstroom en roosterspanning
d anodestroom en roosterspanning
Ia = anodestroom
Ua = anodespanning
-
05
http://www.iwab.nu/H2-174.html
De versterkingsfactor van een buis wordt bepaald door:
a de grootte van de anodespanning bij een constante anodestroom
b de verhouding tussen anodespanning variatie en roosterspanning variatie bij constante anodestroom
c de verhouding tussen de negatieve roosterspanning en de anodespanning variatie bij een bepaalde anodestroom
d de verhouding van de anodestroom en de negatieve roosterspanning
Steilheid S = ∆ Iuit / ∆ Uin
-
06
http://www.iwab.nu/H2_008.html
Als van een elektronenbuis een gegeven wordt uitgedrukt in een aantal mA/V
dan heeft dat betrekking op de
a steilheid
b versterkingsfactor
c inwendige weerstand
d ingangsweerstand
Steilheid S = ∆ Iuit / ∆ Uin
-
07
http://www.iwab.nu/040_004.html
De steilheid van een buis wordt uitgedrukt in:
a. mA/V
b. KΩ/V
c. graden
d. hellingspercentage
Steilheid S = ∆ Iuit / ∆ Uin
-
08
http://www.iwab.nu/040_003.html
De steilheid van een triode wordt uitgedrukt in mA/V.
Deze mA en V hebben betrekking op variaties in de:
a roosterstroom en anodespanning
b anodestroom en anodespanning
c roosterstroom en roosterspanning
d anodestroom en roosterspanning
Steilheid S = ∆ Iuit / ∆ Uin
-
09
http://www.iwab.nu/040_005.html
De grafiek geeft enkele karakteristieken van een triode weer.
De steilheid van deze buis is ongeveer:
a 4 mA/V
b 2 mA/V
c 3 mA/V
d 1 mA/V
Bij -3 V // 9 mA = 9/3 =3 mA/V
Bij -4 V // 12 mA = 12/4 = 3 mA/V
Bij -5 v // 15 mA = 15/5 = 3 mA/V
-
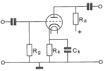
10
http://www.iwab.nu/H2_145.html
De weerstand Rk zorgt voor de:
A. wisselstroom-ontkoppeling
B. wisselstroom-tegenkoppeling
C. impedantie-aanpassing
D. gelijkstroom-instelling
Rk = zorgt voor negatieve spanning op het rooster
-
11
http://www.iwab.nu/H2_098.html
Rk wordt berekend uit de waarden:
a Ug en Ia
b Ug en Ig
c Ua en Ia
d Ub en Ia
Ub = voedingsspanning
Ua = spanning op anode tov aarde
Ug = roosterspanning
Ug en Ia
-
12
http://www.iwab.nu/H2-159.html
De gelijkspanning tussen rooster en kathode van de triode wordt bepaald door de:
a ontkoppelcondensator Ck
b roosterlekweerstand Rg
c anodestroom en kathodeweerstand Rk
d rooster-kathodecapaciteit
anodestroom en kathodeweerstand Rk
-
13
http://www.iwab.nu/H3-176.html
Als in de schakeling de condensator C wordt vervangen door een exemplaar met een veel kleinere capaciteitwaarde is het effect:
a een grotere versterking uitsluitend voor de laagste frequenties
b een kleinere versterking voor alle frequenties
c een kleinere versterking uitsluitend voor de laagste frerquenties
d een kleinere versterking uitsluitend voor de hoogste frequenties
een kleinere C en/of f zal de Xc vergroten Xc = 1 / 2πfC
-
14
http://www.iwab.nu/H2_06_ABC_010.html
Een radiobuis staat ingesteld in klasse A.
Bij sturing met een sinusvormig signaal is anodestroom aanwezig gedurende:
a de gehele periode
b een derde periode
c tweederde periode
d de halve periode
Klasse A heel het signaal
Klasse B halve signaal
Klasse C de topjes van een half signaal
-
15
http://www.iwab.nu/H2_06_ABC_006.html
Van een pentode, ingesteld in de klasse A, is het verband tussen !a en Ug aangegeven bij een anodeweerstand van 5000 Ohm
De spanningsverterking is
a 250 maal
b 10 maal
c 50 maal
d 20 maal
KLASSE A
in deze klasse moet het aanstuurpunt in het midden van de belastinglijn liggen
dus op -1 Volt ingesteld
Bij -1V loopt er een Anodestroon [Ia] van 10mA door de anodeweerstand van 5 Kohm
dat geeft een spanning van U=I*R 10 mA*5 Kohm = 50 V
De ingang staat op -1 V . ...>>> 50/1 = 50 keer
-
16
http://www.iwab.nu/H2_06_ABC_019.html
In een klasse A ingestelde LF-penthode geldt:
1 het schermrooster is positief tov de kathode
2 het vangrooster is positief tov de kathode
Wat is juist?
a 1 en 2
b geen
c 2
d 1
Het schermrooster is via een weerstand met de anode verbonden dus + tov de kathode
-
17
http://www.iwab.nu/H2_06_ABC_008.html
In een klasse A ingestelde triode-versterker geldt:
stelling 1
de anode is positief tov de kathode
stelling 2
het stuurrooster is positief tov de kathode
Wat is juist?
a beiden stellingen
b geen van beiden stellingen
c alleen stelling 2
d alleen stelling 1
KNAP
-
18
http://www.iwab.nu/H5-103.html
Welke van de volgende schakelingen is het meest geschikt voor frequentie vermenigvuldiging
a een lineaire versterker
b een versterker in klasse C
c een oscillator
d een mengtrap
Klasse A heel het sognaal
Klasse B halve signaal
Klasse C topje van het halve signaal
-
19
http://www.iwab.nu/H5_037.html
-1-van de voordelen van een FM-zender is:
a dat alle HF-versterkertrappen in klasse B of C kunnen worden ingesteld.
b dat de draaggolf onderdrukt is, waardoor er meer vermogen voor de zijbanden is
c dat de bandbreedte klein is
d dat een grotere frequentiestabiliteit van de zendfrequentie wordt verkregen
Alles in de draaggolf dus Klasse C
-
20
http://www.iwab.nu/H3_132.html
Een pi-filter in een lineaire eindtrap met een buis wordt vooral toegepast voor:
a.lineariteit
b.impedantietransformatie
c.isolatie van de anodespanning
d.frequentiestabiliteit
lineaire eindtrap is klasse A, aanpassing van impedantie
-
21
http://www.iwab.nu/H10_007.html
Welke van de schakelingen geeft de meest veilige aankoppeling van de antenne aan de eindtrap van de zender?
a 2
b 1
c 4
d 3
galvanische scheiding in schakeling 4
-
22
http://www.iwab.nu/H2-256.html
Van de onderstaande schakeling is gegeven
Ia = 100 mA
Ua = 50 V
Ub = 300 V
De waarde van de weerstand R is gelijk aan
a 0.5 KΩ
b 1 KΩ
c 2.5 KΩ
d 3 KΩ
Ra = Ura / Ira
Ura = Ub - Ua
Ura = 300 - 50 = 250 V
Ra = Ura / Ira
Ra = 250 / 0.1 = 2500 Ω = 2.5 kΩ
-
23
http://www.iwab.nu/H2-257.html
Het doel van neutrodyniseren van een triode-eindtrap kan als volgt worden omschreven
a aanpassen van de stuurttrap aan de eindtrap
b compenseren van de capaciteit Cag
c op de juiste frequentie afsatemmen aan de anodekring
d verkleinen van de capaciteit Cgk
het nadeel van een triode is de capaciteit tussen stuurrooster en anode
neutronisatie gaat dit te tegen
-
24
http://www.iwab.nu/H2-258.html
Voor een pentode geldt
a de roosterruimte is altijd zeer klein
b de inwendige weerstand is zeer hoog.
c het ruisgetal is laag
d de emissie is hoog
Hoge Ri en grote steilheid
-
25
http://www.iwab.nu/jj_02_07_002v_009.html
Een steile buis heeft de volgenda eigenschap
a een grote genereerneiging
b een grote vervorming
c een grote rroosterruimte
d een kleine anodestroomvariatie bij een grote roosterspanningvariatie
grote versterking kan gaan oscilleren
-
26
http://www.iwab.nu/jj_02_07_002v_010.html
in de onderstaande figuur is een triode opgenomen in een versterkerschakeling
Deze triode is geschakeld in\
a geaarde rooster schakeling
b geaarde kathode schakeling
c geaarde anode schakeling
d geaarde kthode-rooster schakeling
In Rooster
uit Anode
kathode niet gebruikt
-
27
http://www.iwab.nu/jj_02_07_002v_011.html
Een triodeverterker in geaarde rooster schakeling (GRS) heeft
a een laag ruisnieveau
b een hoge ingangsimpedantie
c een lage uitgangsimpedantie
d een geringe edissipatie
een laag ruisnivaeu
-
28
http://www.iwab.nu/jj_02_07_002v_007.html
In de figuur is de Ia – Ug karakteristiek van een triode weergegeven.
De steilheid bij Ug = -1.5 volt is:
a 50 mA/V
b 10 mA/V
c 5 mA/V
d 1 mA/V
S = Ia / Ug
S = 5 /1 = 5mA /V
-
29
http://www.iwab.nu/H2-185.html
Als in de schakeling de ondensator C wordt vervangen door een condensator met een veel kleinere capaciteitswaarde, is het effect:
a een grotere versterking vooral voor de laagste frequenties
b een grotere versterking vooral voor de hoogste frequenties
c een kleinere versterking vooral voor de laagste frequenties
d een kleinere versterking vooral voor de hoogste frequenties
Xc = 1 / 2πfC
een kleiner C geeft een grotere Xc , dus minder versterking
┘
Sectie 8
┘