Sectie 6b
-


01

http://www.iwab.nu/038_026.html
De primaire wikkeling van een transformator is aangesloten op een wisselspanning van 230 volt.
De secundaire spanning bedraagt 23 volt.
De wikkelverhouding n primair : n Secundair is:

a   Ѵ10:1
b   100:1
c   10:1
d   1:10

n = Up/Us   =   230/23=10
-


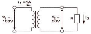
02

http://www.iwab.nu/037-026.html
De stroom I2 is

a   4 A
b   1 A
c   0.5 A
d   2 A

n = Up / Us
n = 100 / 50 = 2
n = Is / Ip
Is = n x Ip
= 2 x 1 = 2 A
------------------------------------------------
P = U x I
Pp = 100 x 1 = 100 W
P = P  100 = 100 W
I = P / U  100 / 50 = 2A
-


03

http://www.iwab.nu/038_010.html
Een transformator heeft primair 2000 windingen en secundair 1000 windingen.
Indien de spanning primair 230 volt bedraagt is de secundaire spanning:

a   460 V
b   155 V
c   115 V
d   55 V

n = p : s
n = 2000 : 1000 = 2

Deze trafo heeft dus faktor 2

Us = Up / n = 230 / 2 = 115 V
-


04

http://www.iwab.nu/038_013.html
De primaire stroom I is:

a   25 mA
b   20 A
c   500 mA
d   50 mA

secundair = 12 V / 12 = 1 A     >>>>>     P = U*I  = 12*1= 12 W

P=P

Primair = 12 W

I = P / U = 12/240 = 50 mA
-


05

http://www.iwab.nu/037_008.html
Een ideale transformator is belast zoals hieronder aangegeven.
De stroom I2 is:

a   1 A
b   4 A
c   2 A
d   0.5 A

P = U x I
P = 100 x 1 = 100 W

P = P
100 = 100 W

I =  P / U
100 / 50 = 2
-


06

http://www.iwab.nu/038_027.html
De stroom door de weerstand is:

a   1A
b   6 A
c   2A
d   0,5 A

n = p/s  = 4/1 =4

n = Up/Us
Us = Up / n
Us = 48 / 4  = 12 V

U=IR
I=U/R  = 12/24 = 0.5 A
-


07

http://www.iwab.nu/038_014.html
Een ideale transformator heeft primair 500 windingen en secundair 100 windingen.
De primaire stroom is ongeveer:

a   1 A
b   5 A
c   0.04 A
d   0.2 A



p1=500 p2=100 n=p/s = 500/100=5
n = Is/Ip   Ip = Is/n  Ip = 1/5 =0.2 A
-


08

http://www.iwab.nu/038_007.html
De verliesvrije transformator is belast met een weerstand.
De stroom door de weerstand is:

a   3 A
b   0.75 A
c   1.5 A
d   6 A

n = 2/1 = 2
De spanning secundair zal dus 150 V zijn

Us = Up / n = 300/2 = 150V

I = U / R  =  150/100 = 1.5A
-


09

http://www.iwab.nu/037_003.html
De transformatoren zijn identiek en elk bedoeld voor pirmair 230 V, secundair 12 V
De spanning over de weerstand R is


a   48 V
b   12 V
c   6 V
d   24 V

De 2 trafos staan in serie en zullen elk een ingangsspanning hebben van 230/2 =115 V

Secundair zal elke trafo 6 V geven

De 2 trafos samen leveren dan 12 V
-


10

http://www.iwab.nu/038-039.html
Een transformator met een primaire wikkeling van 1000 windingen wordt aangesloten op 200 volt wisselspanning
De secundaire wikkeling heeft 200 wikkelingen
De secundaire spanning is

a   100 V
b   1000 V
c   200 /
5 V
d   40 V

200 V bij 1000 windingen geeft  200/1000 = 0.2 V per winding

secundair = windingen x (0.2 V per winding) = 40 V
-


11

http://www.iwab.nu/038_020.html
De primaire wikkeling van een transformator heeft 100 windingen.
De secundaire wikkeling heeft 500 windingen.
Op de primaire wikkeling wordt een wisselspanning van 10 volt aangesloten.
De wisselspanning op de secundaire wikkeling is:

a   250 v
b   10Ѵ5 v
c   50 v
d   2 v

n = p / s = 100/500 = 0.2

n = Up / Us

Us = UP / n = 10 / 0.2 = 50 V
-


12

http://www.iwab.nu/038_025.html
In de weerstand R1 wordt 2 watt en in de weerstand R2 wordt 20 watt gedissipeerd.
De transformatoren zijn ideaal.
De stroom I is:

a   100 mA
b   182 mA
c   9 mA
d   91 mA


P = P   Up * Ip = Us * Is

Psecundair = 2+20=22W

P = Pprimair =22 Watt bij 220 V

P =  U xI

P=UxI   I = P/U  = 22/220 = 0.1 A = 100 mA
-


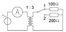
13

http://www.iwab.nu/038-038.html
De transformator is verliesvrij.
Als de schakelaar in stand 1 staat, is de stroom door de ampèremeter 9 ampère.
Zetten we de schakelaar in stand 2, dan is de stroom door de ampèremeter:

a   1,5 A
b   3   A
c   4,5 A
d   9   A

n = 1/3 = 0.33

Stand 1
Ip= 9 A
Is = n/Ip= 0.33 / 9 = 3 A

In stand 2
Is wordt  1.5 A
Ip = Is / n = 1.5/0.33 = 4.5 A
-


14


http://www.iwab.nu/H2_130.html
Een variac is in principe een autotransformator.
De knop van de variac wordt zodanig gedraaid dat n1=100 windingen en n2=200 windingen.
U1 is dan:

a   48 V
b   240 V
c   60 V
d   80 V
-


15

http://www.iwab.nu/038_015.html
Om deze schakeling te kunnen maken beschikt u over 4 trafo's met verschillende wikkelverhoudingen.
U wenst een onbelaste uitgangsspanning van 10 V zo dicht mogelijk te benaderen.
U kiest een transformator met een wikkelverhouding van:

a.  31:1
b.  44:1
c.  22:1
d. 5,5:1

We willen 10 V aan de uitgang, dit is de max spanning.
De eff waarde na de trafo is 10 * 0.707 = 7.07 V.

7.07v is waar naar omgezet moet worden.

n=Up / Us

220 / 7.07= 31

De trafo moet dus 1 : 31 zijn.
-



16

http://www.iwab.nu/038_005.html
De impedantie Z bedraagt:

a   1 Ohm
b   10 Kohm
c   100 Ohm
d   1 Kohm

n = np/ns   n = Up/Us   n = Is/Ip  n2 = Zp/Zs   n2 = Cs/Cp
n = 1000 / 100 = 10

n2 = ZP/ZS>>>>>Zp=(n2)*Zs>>>>>Zp=100*100=10 Kohm
-


17

http://www.iwab.nu/038_003.html
Een ideale transformator heeft primair een wikkeling van 9 windingen en secundair een wikkeling van 3 windingen
Op de secundaire wikkeling wordt een condensator van 90 pF aangesloten
Op de primaire wikkeling meten we een capaciteit van

a   270 pF
b    10 pF
c   810 pF
d    30 pF


n = Cs/Cp

ook wel

n2 = Cs/Cp

n = P / S = 9/3 = 3

n2 =9

n2 = Cs/Cp      Cp = Cs / n2  =  90 / 9 = 10 pF
-


18

http://www.iwab.nu/038_009.html
Om de lamp maximaal te laten branden moet de wikkelverhouding van de aanpassingstrafo zijn:

a   2:1
b   8:1
c   1:1
d   4:1

(n*n) = Zp/Zs

Zp = 1000 Ω

P = U x I 
I = P / U
  10 / 25 = 400 mA


Zs = Us / Is
= 25 / 400 mA = 62.5 Ω

(n*n) = Zp/Zs

(n*n) = 1000 / 62.5 = 16

n = Ѵ 16 = 4
-------------------------------------------------------------------
Is = P/U = 10/25 = 400 mA

n = Is / Ip
Ip = Is / n  = 400 / 4 =100 mA

Urp = Irp x Rp = 100 mA x 1000 = 100V
Over de weerstand van 1000
valt een spanning van 100 V
Blijft er over de trafo over 100 V

n = Up / Us  n = 100/25 = 4
-


19

http://www.iwab.nu/038_004.html
Een luidspreker met een impedantie van 6 Ohm wordt via een aanpassingstransformator aangesloten op een versterker die belast moet worden met 600 Ohm.

De wikkelverhouding van de transformator moet zijn:

a   10 : 1
b   10.000 : 1
c   100 : 1
d   60 : 1

n*n = Zp / Zs
n2 =  600/6  =100
n =
Ѵ100 =10
-


20

http://www.iwab.nu/038_019.html
Een luidspreker met een impedantie van 8 moet worden aangesloten op een versterker die belast moet worden met 800 .
De beste transformator is:

a   220 V / 3v  -5V  -8V
b   220 V / 127 V
c   220 V / 2.5 V
d   220 V / 24 V

n2 = Zp/Zs

n2 = Zp/Zs = 800/8 =100
n =
100 =10
dus een 1op10 trafo
-----------------------------------------------------------
Extra uitleg:
impedantieverhouding is het kwadraat van de wikkelverhouding (spanningsverhouding)
impedantie = 800:8=100:1==>wikkelverhouding
100:1= 10:1
Dit komt overeen met 220V/24V=9,16/1
-


21

http://www.iwab.nu/038_011.html
De impedantie Z is:

a   100

b     50

c   400

d   800


n2 = Zp/Zs

N = 1/2 = 0.5

Zp = (n*n) x Zs   = (0.5*0.5) * 200 = 50
-


22

http://www.iwab.nu/038_017.html0
Een dipoolantenne met een impedantie van 300
, wordt dmv een trafo aangesloten op een kabel van 75 .
De trafoverhouding is dan:

a   1:1
b   14:1
c   2:1
d   4:1

Makkelijk toch??  300/75 = 4 ..... maar let op
n = np/ns   n = Up/Us   n = Is/Ip  n2 = Zp/Zs   n2 = Cs/Cp

n2 = Zp / Zs = 300 /75 =4

n2 = 4 dus n =
4 = 2

De wikkelverhouding is 2:1
-


23

http://www.iwab.nu/038-029.html
De transformator heeft gelijke windingen.
De impedantie Z voor wisselstroom is:

a   400

b   50

c   200

d   100


Trafo 1 op 1
Dus gewoon 2 weerstanden parallel

Rv = 1/ ( 1/R1 + 1/R2 ) = 50
-


24

http://www.iwab.nu/037_007.html
In de weerstand wordt een vermogen van 1 Watt gedissipeerd.
I1 is dan:

a   200 m A
b   100 mA
c     25 mA
d     50 mA


P= 1 W bij 400 Ω

P = (I*I) * R

(I*I) = P / R

I =
P/R             I =   1/400 = 50 mA  door de secundaire kant.

n = p/s = 1/2 = 0.5

n = Is/Ip    0.5 = 50 mA / Ip

Ip = 50 mA /0.5 = 100 mA
-


25

http://www.iwab.nu/038_008.html
De transformator heeft n1 = 20 windingen en n2 = 100 windingen.
De ingangsimpedantie Z1 is:

a   3 Kohm
b   24 Ohm
c   120 Ohm
d   15 Kohm

n = np/ns   n = Up/Us   n = Is/Ip  n2 = Zp/Zs   n2 = Cs/Cp

n = n1 / n2
= 20 / 100 = 1/5 = 0.2

(n*n) = Zp/Zs

Zp= (n2) x Zs>>>>>0.2*0.2*600 = 24 Ohm
-

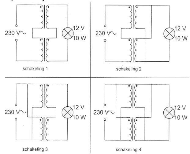
26

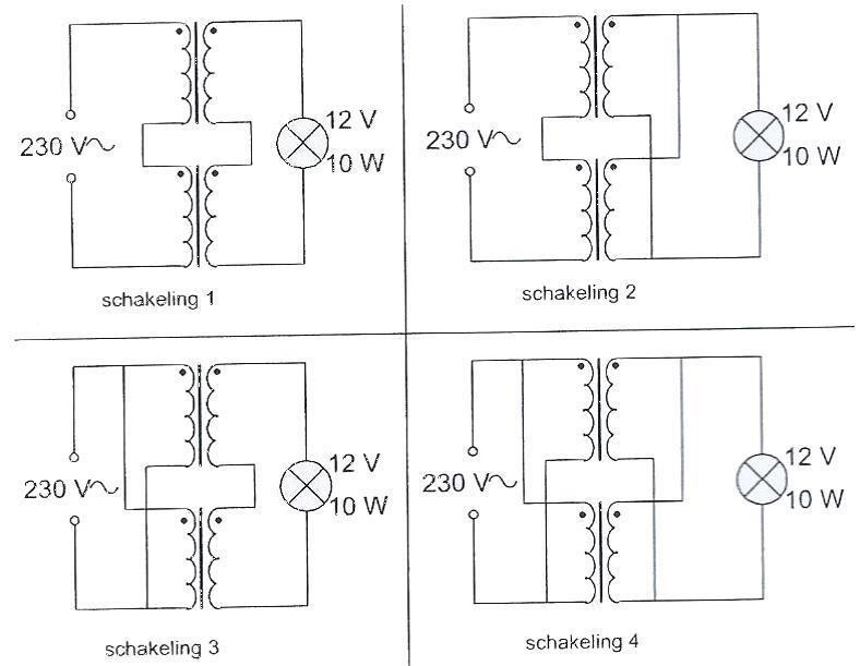
http://www.iwab.nu/jj_02_04_002v_006.html
lemand wil een gloeilamp van 12V/10 W voeden uit het 230V net.
Er staan twee gelijke transformatoren ter beschikking van elk primair 115 V en secundair 6V/1A.
De juiste schakeling:

a   schakeling 3
b   schakeling 4
c   schakeling 1
d   schakeling 2
-


27

http://www.iwab.nu/jj_02_04_002v_007.html
Iemand wil een gloeilamp van 6 V/10 W voeden uit het 230 V net.
Er staan twee gelijke transformatoren ter beschikking van elk primair 115 V
en secundair 6 V/1 A.
De juiste schakeling is:

a   schakeling 4
b   schakeling 3
c   schakeling 1
d   schakeling 2


Nr 1 = primair ok     secundair = 12 V
Nr 2 = primair ok     secundair = 6V en 2A
Nr 3 = primair niet ok
Nr 4 = primair niet ok
-


28

http://www.iwab.nu/jj_02_04_002v_008.html
Iemand wil een gloeilamp van 12V/10W voeden uit het 230V net.
Er staan twee gelijke trafo’s ter beschikking van elk primair 230V en secundair 6V/1A.
De juiste schakeling is:

a   schakeling 3
b   schakeling 2
c   schakeling 1
d   schakeling 4

1 = primair niet ok
2 = primair niet ok
3 = primair ok     secundair 12V 1 A
4 = primair ok     secundair 6V
-


29

http://www.iwab.nu/037-016.html
Twee ideale transformatoren worden geschakeld als aangegeven.
De spanning E2 is:

a   240 v
b   120 v
c   30 v
d   125 v

De trafo's zijn 30 naar 1   en 1 naar 15   , dus 30 naar 15  is 2 op 1

Up = 60 V dus de helft komt eruit Us = 30 volt
-


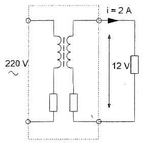
30

http://www.iwab.nu/023_004.html
Uit het lichtnet wordt 50 watt opgenomen.
Het rendement van de omlijnde schakeling is dan:

a. 96%
b. 48%
c. 24%
d. 12%

Pp =  50 W
Ps = U*I = 12*2 =24 W
n =   out / in x 100
n = 24/50 * 100% = 48 %