Sectie 5
┘
-
01
http://www.iwab.nu/026_003.html
Een condensator wordt gevormd door twee geleiders met daartussen een dielectricum.
De capaciteit wordt groter naarmate de:
a afstand tussen de geleiders vergroot wordt.
b dielectrische constante verlaagd wordt.
c afstand tussen de geleiders verkleind wordt.
d oppervlakte van de geleiders verkleind wordt.
Kunnen we hier wat mee...? JA
Als we afstand tussen de geleiders groter maken , wordt d (in de formule) groter, en dus C kleinder, niet het juiste antwoord dus.
We zien als we de constante verlagen, een ander dielectricum gebruiken, de C kleinder wordt, niet het juiste antwoord dus.
Als we afstand tussen de geleiders kleinder maken wordt d kleinder , en dus C groter.
Ala we opp kleinder maken, wordt A kleinder dus ook weer C kleinder, ook niet het goede antwoord.

-
02
http://www.iwab.nu/026-018.html
Een condensator wordt gevormd door twee geleiders met daartussen een dielectricum.
De capaciteit wordt kleiner naarmate de:
a afstand tussen de geleiders vergroot wordt.
b dielectrische constante verhoogd wordt.
c afstand tussen de geleiders verkleind wordt.
d oppervlakte van de geleiders vergroot wordt.
afstand tussen de geleiders vergroot wordt.
-
03
http://www.iwab.nu/jj_02_02_004_v_005.html
Tussen de platen van een luchtcondensator wordt een passende plaat geschoven met een dielectrische constante van 5.
De waarde van de capaciteit zal nu:
a gelijk blijven
b 25 maal zo groot worden
c 5 maal zo groot worden
d 5 maal zo klein worden
C= 5 * A / d is dus 5* groter
De islolator gaat naar 5 keer groter,
eerst niets , dus lucht= 1 , daarna 5
diëlektricum gaat van 1(lucht) naar 5, deze staat boven de deelstreep ==> 5 x groter
-
04
http://www.iwab.nu/H2_059.html
Een luchtcondensator bestaat uit 2 koperplaten
De oppervlakte van deze platen wordt 2 keer zo groot gemaakt
De capaciteit zal
a verdubbelen
b gelijk blijven
c 4x zo groot worden
d halveren
A 2x groter
-
05
http://www.iwab.nu/026-019.html
De dielectrisxche constante van lucht is ongevver
a 2
b 0
c 4
d 1
-
06
http://www.iwab.nu/026_004.html
De hoogfrequent-verliezen van een condensator zijn het kleinst indien als diëlectricum wordt toegepast:
a olie
b plastic folie
c papier
d lucht
lucht = 1 , de rest hoger
-
07
http://www.iwab.nu/jj_02_02_007V_005.html
Alle condensatoren hebben een capaciteit van 6 µF.
In welke schakeling is de capaciteit tussen x en y kleiner dan 3 µF?
a.schakeling 3
b.schakeling 1
c.schakeling 2
d.schakeling 4
Figuur 4
2 parallel wordt 12
3 in serie
1/(1/12+1/6+1/6) = 2.4
-
08
http://www.iwab.nu/jj_02_02_006v_002.html
Een verliesvrij condensator is aangesloten op een sinusvormige spanning.
Welke bewering is juist ?
a de condensator neemt het dubbele vermogen op bij verdubbeling van de spanning
b de condensator neemt bij een bepaalde frequentie maximaal vermogen op
c de condensator neemt het dubbele vermogen op bij verdubbeling van de capaciteit
d de condensator neemt geen vermogen op
De condensator neemt geen vermogen op
-
09
http://www.iwab.nu/H2-247.html
De temperatuurcoëfficiënt van een condensator kan zijn:
a alleen positief
b alleen negatief
c zowel positief als negatief
d een temperatuurcoëfficiënt komt niet voor bij een condensator
Kan zowel NTC als PTC zijn
-
10
http://www.iwab.nu/H02_05_005.html
Variabele condensatoren worden gevormd door twee geleiders met daartussen een dielectricum.
Ze worden veelal toegepast voor:
a het regelen van de dielectrische constante
b het regelen van de zelfinductie
c het laten naijlen van de stroom op de spanning
d afstemming en afregeling
denk maar aan de verstemming van de TV met zo een draaiknopje.
-
11
http://www.iwab.nu/H2-254.html
In variabele condensatoren is het dielectricun vaak
a lucht
b geolied papier
c ferriet
d kwarts
lucht , de minste verliezen
-
12
http://www.iwab.nu/Waarden-008.html
De gebruikelijke waarde van een afstemcondensator voor korte golf toepassingen is:
a 1 pF
b 10 nf
c 1 πF
d 100 pf
-
13
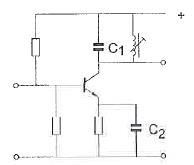
http://www.iwab.nu/026_007.html
De versterkertrap werkt op 145 MHz.
Wat is juist?
a C1 is een kunststofcondensator C2 is een elektrolytische condensator
b C1 is een keramische condensator C2 is een elektrolytische condensator
c C1 is een elektrolytische condensator C2 is een keramische condensator
d C1 is een keramische condensator C2 is een keramische condensator
145 Mhz is vrij hoog , daarom condensatoren met een kleine capaxiteit , keramisch
Elco's bij een gelijkspanning hebben een grote capaciteit
-
14
http://www.iwab.nu/H03_03_034.html
In het afvlakfilter van een netspanning gevoede ontvanger dienen de afvlakcondensatoren een waarde te hebben van ongeveer
a 1000 nanofarad
b 1000 picofarad
c 1000 microfarad
d 1000 farad
1000 microfarad - µF
-
15
http://www.iwab.nu/H2-255.html
Een condensator van 1 µF is opgeladen tot 400 volt.
De lading van de conden sator is
a 4x10-4 coulomb
b 4x10-1 coulomb
c 16x10-4 coulomb
d 16x10-1 coulomb
Q = C x U
Q = 1exp-6 x 400 = 4exp-4
-
16
http://www.iwab.nu/028_003.html
Een condensator is aangesloten op een wisselspanning
Wat is juist ?
a bij het verhogen van de frequentie verminderd de stroom
b in de condensator loopt geen stroom
c bij het verhogen van de spanning vermindert de stroom
d bij het verhogen van de frequentie neemt de stroom toe
Xc = 1/ [ 2*pi*f*C]
Als de f toeneemt, wordt de Xc kleiner en dus de stroom groter.
-
17
http://www.iwab.nu/jj_02_02_005v_002.html
Bij een condensator is het faseverschil tussen de stroom en spanning:
a 1800
b 900
c afhankelijk van de frequentie
d 00
900
-
18
http://www.iwab.nu/048_008.html
Een belasting wordt aangesloten op een sinusvormige wisselspanning.
Het verloop van de stroom I en de spanning U is in de grafiek aangegeven.
De belasting bestaat uit een:
a spoel plus weerstand
b weerstand
c condensator plus weerstand
d spoel plus condensator
LEICIER
Eerst I
Dan U
-
19
http://www.iwab.nu/H2_155.html
Het door de schakeling opgenomen vermogen is:
a 2 W
b 10 W
c 1,6 W
d 2,8 W
C neemt geen vermogen op
P = I2 x R
P = I2 x R = 0.22 x 40 = 1.6 W
-
20
http://www.iwab.nu/028_004.html
Een condensator wordt aangesloten op een sinusvormige wisselspanning van 15 volt.
Bij een frequentie van 100 Hz is de stroom door de condensator 50 mA.
Indien de frequentie 2000 Hz bedraagt is de stroom:
a 20 maal zo groot
b even groot
c Ѵ20 maal zo groot
d 20 maal zo klein
Xc = 1/ [ 2*pi*f*C]
Als de f frequentie omhoog gaat, gaat de Xc omlaag !!!
f gaat van 100 naar 2000 Hz , dus 20 keer hoger,
De Xc wordt 20 keer kleinder...>>>DUS MINDER WEERSTAND
De stroom gaat 20 keer omhoog
-
21
http://www.iwab.nu/028_001.html
Een condensator van 25 nF is aangesloten op een wisselspanning met een frequentie van 50 Khz
De rectantie Xc is ongeveer
a 254 Ohm
b 800 Ohm
c 127 Ohm
d 1250 Ohm
Xc = 1 / [ 2 pi f C]
Xc = 1 / [ 2 pi 50exp3 25exp-9] = 127 Ohm
-
22
http://www.iwab.nu/H2-250.html
Voor elk van de (ideaal veronderstelde) condensatoren is de maximale toelaatbare spanning 80V.
Wat is de hoogste waarde van de gelijkspanning die op deze schakeling mag worden aangesloten?
a 160V
b 40V
c 120V
d 80V
Rt = 50K+100K = 150KOhm
Bij 160V geldt I=U/R = 160/150K = ca 1mA
Dan Ur100K = I x R = 1mA*100K = 100V DUS DIT KAN NIET!
Bij 120V geldt I=U/R = 120/150K = 800microA
Dan Ur100K = I x R = 800exp6 x 100exp3 = 80V
-
23
http://www.iwab.nu/046_003.html
De waarde van u1 en u2 is:
a u1 =24 V en u2 = 6 V
b u1 =20 V en u2 =10 V
c u1 =15 V en u2 =15 V
d. u1 =10 V en u2 =20 V
spanningsdeler
-
24
http://www.iwab.nu/jj_03_01_003v_010.html
Op de onderstaande schakeling van 2 ideale condensatoren wordt een sinusvormige spanning U1 van 100 volt aangesloten.
De spanning U2 is gelijk aan:
a 100 V
b 60 V
c 50 V
d 40 V
Stel:
de frequentie = 1Hz
Xc = 1/ [ 2*p*f*C]
Xc1 = 1/ (2x3.14x1x20mu) = 8 Kohm
Xc2 = 1/ (2x 3.14x1x30) = 5K3 ohm
Rt = R1 + R2 = 8+5.3 = 13.3 Kohm
I = U / R = 100/13.3k = 7.5 mA
U = I x R
Uc1 = I x Xc1 = 7.5 m x 8 k = 60 V
Uc2 = I x Xc2 = 7.5 m x 5.3 k = 40 V
-
25
http://www.iwab.nu/026-012.html
De condensatoren Cl en C2 zijn geladen tot een spanning van 100 volt.
Beide schakelaars worden nu tegelijkertijd gesloten en na 2 seconden weer geopend.
Hierna is:
a de spanning over Cl hoger dan die over C2
b de spanning over Cl gelijk aan die over C2
c de spanning over Cl lager dan die over C2
d de spanning over Cl en C2 nul
Omdat C2 een grotere lading heeft,
(de dubbele van C1)
zal deze de dubbele tijd nodig hebben om te ontladen
-
26
http://www.iwab.nu/045_002.html
De vervangingwaarde =
a 2 µF
b 18 µF
c 6 µF
d 3/6 µF
Cv = 1 / ( 1/C1 + 1/C2 + 1/C3)
1 / [1/ 6 + 1/ 6 + 1/6] = 2 en alles in uF
-
27
http://www.iwab.nu/046-004.html
De vervangingswaarde is:
a 3 nF
b 6 nF
c 9 nF
d 1 nF
Ct = C1 + C2
3+3+3 = 9 alles nF
-
28
http://www.iwab.nu/045_003.html
Iedere C is 6 uF
De vervangingswaarde is?
a 6 uF
b 9 uF
c 4 uF
C1 C2 C3 staan in serie
We krijgen dus het volgende
1 / [1/ 6 + 1/ 6 + 1/6] = 2 en alles in uF
1 / [1/ 6 + 1/ 6 + 1/6] = 2 en alles in uF
C1a C2a C3a staan in serie
Ct = C2 + C2 = 4 uF
-
29
http://www.iwab.nu/jj_03_01_003v_009.html
Een waarde van 340 pF, gemeten tussen de aansluitklemmen, wordt bereikt met:
a schakeling 1
b beide schakelingen
c schakeling 2
d géén van de schakelingen
1
60 en 120 parallel geeft 180 pF
180 en 160 in serie geeft 85 pF
2
60 en 120 in serie geeft 40 pF
40 en 160 prallel geeft 200 pF
-
30
http://www.iwab.nu/jj_03_01_003v_005.html
In een kring wordt aan de vaste condensator van 250 pF een afstem-C , met een minimumwaarde van 10 pF, parallel geschakeld.
De afstemcondensator heeft een capaciteitsvariatie van 500 pF.
De kring heeft een capaciteitsvariatie van:
a 260 760 pF
b 250 740 pF
c 240 740 pF
d 250 750 pF
1ste 250 pF en 10 F parallel is 260 pF
de afstem C wordt +500 pF = 510 pF
2de geval is760 250 pF en 510 pF parallel is 760 pF
De kring kan variëren van 250 + 10 = 260 pF en 250 + 510 = 760 pF
-
31
http://www.iwab.nu/H3-146.html
Een waarde van 200 pF wordt bereikt met:
a alleen schakeling 1
b alleen schakeling 2
c geen van beide schakelingen
d schakeling 1 én schakeling 2
01
30+60 in serie 90pF
1/ (1/90 +1/180 )= 60pF
02
1/(1/30+1/60) = 20pF
20+180 = 200pF
-
32
http://www.iwab.nu/045_006.html
In een hoogfrequentkring wordt een vaste condensator van 80 pF in serie geschakeld met een variabele condensator.
De capaciteit van de variabele condensator kan worden ingesteld tussen 20 en 80 pF.
De kring ziet een capaciteitsvariatie van:
a 100-180 pF
b 20-80 pF
c 4-40 pF
d 16-40 pF
Hier = 1/( 1/ 80+ 1/ 20) = 16 pF
Hier = 1/( 1/ 80+ 1/ 80) = 40 pF
-
33
http://www.iwab.nu/H8_041.html
Bij welke schakeling is het spanningsverschil tussen X en Y nul ?
a bij geen van beide schakelingen
b in beide schakelingen
c alleen schakeling 1
d alleen schakeling 2
alles is in evenwicht
-
34
http://www.iwab.nu/H03_03_035.html
Aan de ingang wordt een pulsvormige spanning aangesloten.
De (onbelaste) uitgangsspanning is
a 40/πV
b 20V
c 40V
d 10V
De C zal zich laden tot Ua 40v
-
35
http://www.iwab.nu/026-016.html
De condensator in de schakeling moet minstens geschikt zijn voor een spanning van:
a 50 V
b 75 V
c 100 V
d 150 V
50 Veff = 50/0.707 = 70Vmax
Dit agv de C die de spanning √2 optilt.
50 x √2 = 70 V
-
36
http://www.iwab.nu/jj_03_02_006v_008.html
Dit is het schema van een
a laagdoorlaatfilter
b hoogdoorlaatfilterf
c bandfilter
d frequentie onafhankelijk filter
Lage freq gaan door
Hoge freq naar beneden = massa
-
37
http://www.iwab.nu/029_004.html
De impedantie van de schakeling is
a 500 Ohm
b 300 Ohm
c 400 Ohm
d 700 Ohm
Xc = 1 / [ 2 pi f C]
f = 500/2pi = 80 Hz
Xc = 1 / [ 2 pi 80 5u] =400 Ohm
Z = v R2 + X2
Z = √ [300*300] + [400*400] = 500 Ohm
-
38
http://www.iwab.nu/029-021.html
Gegeven
R =600 Ohm
C = 5 µF
2πf = 250
De impedantie van de schakeling is:
a 600 ohm
b 800 ohm
c 1000 ohm
d 1400 ohm
Xc = 1/ 2fC = 1/ 250x5µ = 800 ohm
Z = Ѵ R2 x X2
Z = Ѵ 6002 x 8002 = 1000 Ohm
-
39
http://www.iwab.nu/029_014.html
De impedantie tussen de aansluitpunten van de schakeling is:
a 5 Kohm
b 1.71 Kohm
c 1 Kohm
d 7 Kohm
Z = Ѵ R2 x X2
√32 + 42 = 5 Kohm
-
40
http://www.iwab.nu/jj_03_01_006v_002.html
De stroom Ir ijlt
a 45 graden voor om Ic
b 45 graden voor op It
c 45 graden na op Ic
d 45 graden na op It
LEICIER
Ic 90 graden voor op Ir
Ic 45 graden voor op It
Ir 45 graden na op It
-
41
http://www.iwab.nu/048-015.html
De stroom door de condensator is:
a 12,5 mA
b 10 mA
c 2,9 mA
d 7.5 mA
Parallel kring , we kijken naar de stromen
Ir = Ur / R
Ir = 60 / 6K = 10 mA
It2 = Ir2 + Ix2
Ic2 = It2 - Ir2 = 12.52 - 102 = 56.25 alles in mA
Ic = Ѵ56.25 = 7.5 mA
-
42
http://www.iwab.nu/055_001.html
De kantelfrequentie van dit filter is ongeveer
a 3300 Hz
b 1000 Hz
c 50 Hz
d 500 Hz
1/2*pi*30exp3*10exp-9=531 Hz
-
43
http://www.iwab.nu/055_002.html
De kantelfrequentie van dit filter bedraagt ongeveer:
a 160 Khz
b 628 Hz
c 1 Khz
d 100 Khz
1 / ( 2 x 3.14 x 1 K x 1 n ) = 159235 Hz , na ENG = 159 Khz.
ENG = zeer nuttige functie op je rekenmachine
-
44
http://www.iwab.nu/055_003.html
De kantelfrequentie van dit filter bedraagt:
a 2000 Hz
b 500 Hz
c 200 Hz
d 50 Hz
1/2*pi*30exp3*10exp-9=531 Hz
-
45
http://www.iwab.nu/H8_068.html
Een laagfrequent-oscilloscoop heeft een ingangsimpedantie van 1 MΩ parallel met 20 pF.
Men meet met een afgeschermde kabel van 100 pF per meter met een lengte van 80cm.
Het meetpunt wordt nu belast met:
a 1 MΩ en 100pF
b 1 MΩ en 20 pF
c 1 MΩ en 120 pF
d 1 MΩ en 16 pF
80cm = 0,8m x 100 = 80 pF + 20 pF (parallel) = 100 pF en 1MΩ
-
46
http://www.iwab.nu/H2-199.html
Op de schakeling wordt een blokvormige spanning aangesloten.
Welk figuur stelt de uitgangsspanning U2 voor ?
a
b
c
d
Laad en ontlaad vormen
-
47
http://www.iwab.nu/H1_008.html
Sleutelklikken kunnen worden verminderd door tussen de seinsleutel en de zender op te nemen
a schakeling 3
b schakeling 1
c schakeling 2
d schakeling 4
Door een C gaat alleen hf-signaal
-
48
http://www.iwab.nu/026-008.html
De condensator van 1 µF wordt vervangen door een condensator van 2 πF.
De stroom die de meter dan uiteindelijk aanwijst is:
a 1 A
b 0,7 A
c 0 A
d 2 A
Het maakt niet uit welke waarden,
de stroom is 0 als de C vol is.
┘