-
01
http://www.iwab.nu/007_028.html
De Peak Envelope Power (PEP) van deze gemoduleerde hf-spanning over een 75 Ohm belastingsweerstand is:
a 75 Watt
b 37.5 Watt
c 16.6 Watt
d 50 Watt
maximale waarde is 75 V
Ueff = 0.707 x Umax
Ueff = 0.707 x 75 =53V
P= (UxU) /R = (53*53)/75 = 37.5 Watt
-
02
http://www.iwab.nu/jj_01_09_006v_003.html
De uitgang van een amateurzender is afgesloten met 50 Ohm.
Op en oscilloscoop zien we hetvolgende beeld.
De Peak Envelope Power [PEP] is:
a 4 W
b 2 W
c 16 W
d 8 W
Ueff = 0.707 * Umax = 0.707 * 20 = 14 V
P = [U*U] / R = [14*14] / 50 = 4 Watt
-
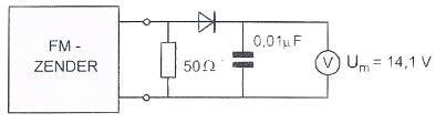
03
http://www.iwab.nu/007_043.html
Het uitgangsvermogen van de zender is:
a 400 mW
b 2 W
c 4 W
d 200 mW
U 14.1 v is de maximale spanning
Ueff = 0.7 * 14.1 = 9.87 V
P = U2 / R = 9.872 / 50 = 1.95 Watt
-
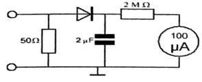
04
http://www.iwab.nu/H8_064.html
Met de schakeling wordt de peak envelope power (PEP) van een enkelzijbandzender gemeten.
De condensator moet een waarde van ongeveer 2µF hebben om:
a de aanwijzing de snelle veranderingen van de modulatie te laten volgen
b uitstraling van harmonischen door de meter te voorkomen
c de aanwijzing onafhankelijk te maken van de golfvorm van de onhullende
d de effectieve waarde van de HF wisselspanning te meten.
Omdat de uitgangsspanning een grillige vorm kan hebben wordt deze door de condensator
op de maximale waarde (Utop) gehouden.
Vermogen wordt altijd met de effectieve waarde berekend.

-
05
http://www.iwab.nu/007_027.html
Een EZB zender wordt gestuurd met een dubbeltoon (1100Hz en 1900Hz, van gelijke ampltude).
De meter wijst 71 V aan.
De Peak Envelope Power (PEP) bedraagt:
a 71 W
b 150 W
c 100 W
d 50 W
Ueff = 0.707 * Umax = 0.707*71 = 50 V
I = U/R = 50/ 50= 1 A
P = U x I = 50 * 1 = 50 Watt
------------------------------------------------------------------
P = U2 / R P = 502 / 50 = 50 Watt
-
06
http://www.iwab.nu/007_020.html
Een EZB-zender is belast met een kunstantenne [dummy load] en wordt met spraak gemoduleerd
De ingang van een oscillator is aangesloten op deze dummy load
De ingangsgevoeligheid van de oscilloscoop bedraagt 20 V/schaaldeel
De Peak Envelope Power [PEP] bedraagt
a 400 Watt
b 200 Watt
c 100 Watt
d 50 Watt
U max is 100 Volt
Ueff = 0.707 * Umax = 70.7 V
Ieff = Ueff / R 70.7/50 = 1.41 A
P = [I*I] x R = 2 * 50 = 100W
P = [Ueff*Ueff] /R = 5000/50 = 100W
-
07
http://www.iwab.nu/007_072.html
Een zender voor enkelzijnbandtelefonie is aangesloten op een kunstmatige belasting (dummyload) met een weerstand van 50 ohm
De zender wordt gemoduleer met een dubbeltoonsignaal
Een op de uitgang van de zender aangesloten oscilloscoop vertoont het in de figuur aangegeven beeld
De peak envelope power (PEP) v an de zender bedraagt
a 100 W
b 25 W
c 50 W
d 200 W
Umax =50 V
Ueff = 0.707 x Umax = 0.707 x 50 = 35 V
P = U2 / R = 352 / 50 = 25 W
-
08
http://www.iwab.nu/H1_007.html
Een amplitudegemoduleerde zender wordt met een laagfrequenttoon 100% gemoduleerd.
De Peak Envelope Power [PEP] is 200 Watt
Het draaggolfvermogen is dan:
a 200 W
b 50 W
c 100 W
d 25 W
Bij 100% modulatie
PEP 100% gemoduleerd is 4 x P
P = PEP / 4
-
09
http://www.iwab.nu/H5_065.html
Een hoogfrequent draaggolf wordt 100% in amplitude gemoduleerd met een sinusvormig signaal.
Tijdens de vermogensmaxima van het gemoduleerd signaal is het hoogfrequent vermogen :
a gelijk aan het draaggolfvermogen
b tweemaal zo groot als het draaggolfvermogen
c viermaal zo groot als het draaggolfvermogen
d de helft van het draaggolfvermogen
P = PEP / 4
-
10
http://www.iwab.nu/022-021.html
Als het uitgangsvermogen van een zender met een factor 4 vergroot wordt, dan behoort de S-meter aanwijzing van een ontvanger, die op die zender afgestemd is, toe te nemen met:
a 4 dB
b 3 dB
c 6 dB
d 2 dB
1 x verdubbelen = 3 dB
nog 1 x verdubbelen = 3 dB
6 dB
------------------------------------------
dB = 10 x log [P1 / P2]
dB = 10 x log ( 4 / 1 ) = 6 dB
-
11
http://www.iwab.nu/022_014.html
De spanning op de aansluitklemmen van een antenne wordt verhoogd van 10 V naar 14 V.
Het vermogen neemt toe met:
a 6 dB
b 3 dB
c 1,4 dB
d 4 dB
P = U2 *R
Stel R =1 Ohm
P = U2 / R = 102 / 1 =100 W
P = U2 / R = 142 / 1 =196 W
Het vermogen is dus bijna verdubbeld = + 3 dB
-
12
http://www.iwab.nu/022_016.html
Het zendvermogen van een zender wordt verlaagd van 16 watt naar 4 watt.
Hierdoor zal de hoogfrequentstroom in de antenne:
a 2 x zo klein worden
b 4 x zo klein worden
c 16 x zo klein worden
d 8 x zo klein worden
dB = 10 x log [P1 / P2]
dB = 10 x log (4 / 16 ) = -6 dB
-3dB is halve s-meter
-3dB is halve s-meter
- 6dB is 1 S-punt
-
13
http://www.iwab.nu/064-002.html
Bij een ingangsspanning van 1 microvolt bedraagt de signaal/ruisverhouding aan de uitgang van een ontvanger 20 dB.
Dit gegeven geeft een beeld van de:
a veraf-selectiviteit van de ontvanger
b gevoeligheid van de ontvanger
c stabiliteit van de ontvanger
d spiegelonderdrukking van de ontvanger
De gevoeligheid van de ontvanger hangt samen met de HF versterking
spanning-versterking 20 x log [U1 / U2]
vermogen-versterking 10 x log [P1 / P2]
-
14
http://www.iwab.nu/007_031.html
Een zendereindtrap heeft een rendement van 60%.
Bij een voedingsspanning van 10 V bedraagt de door de eindtrap opgenomen stroom 10 A.
De coaxkabel naar de antenne geeft een vermogensverlies van 30%.
Het aan de antenne afgegeven vermogen is:
a 18 W
b 28 W
c 112 W
d 42 W
P = U x I 10 x 10 = 100 W
Het rendement is 60% dus 6/10 x 100 = 60 W komt uit de eindtrap
De kabel verliest 30% is 3/10 van 60 = 18 W verlies
Uit de antenne komt 60-18 = 42 W
-
15
http://www.iwab.nu/023_006.html
De eindtrap van een transistorzender neemt van de voeding, bij een spanning van 20 volt, 1,5 ampère op.
Het uitgangsvermogen van deze zender is 20 watt.
Het rendement van de eindtrap is:
a. 66,6 %
b. 50 %
c. 33,3 %
d 75 %
P = U x I 20 x 1,5 = 30 Watt gaat er in
20 Watt komt er uit
n = [Pout / Pin] x 100%
n = 20/30 x 100 = 66%
-
16
http://www.iwab.nu/H5-123.html
Een zendereindtrap, ingesteld in klasse B, wordt maximaal uitgestuurd door een 100% in amplitude gemoduleerde draaggolf.
Het uitgangsvermogen van de draaggolf is 100 watt.
Als deze eindtrap maximaal wordt uitgestuurd door een enkelzijbandsignaal, bedraagt het uitgangsvermogen (PEP):
a 50 W
b 100 W
c 200 W
d 400 W
P draaggolf 100 W
PEP = 4 x P 4 x 100 = 400 W
-
17
http://www.iwab.nu/007_030.html
Van een zender nemen de laatste twee trappen een stroom op van respectievelijk 100 mA EN 1 A;
de voedingsspanning is 10 V.
Het rendement van elke trap is 50%.
De versterking van de laatste trap is:
a 6 dB
b 10 dB
c 20 dB
d 3 dB
Beiden op 10 V
Beiden hetzelfde rendament, hoeft dus geen rekening mee gehouden te worden
Pversterker = P=U*I = 10*100 mA = 1 Watt
P Eindversterker = 10*1 = 10 Watt
Van 1 naar 10 is 10 keer is dus 10 dB
-
18
http://www.iwab.nu/023-010.html
In de figuur is het schema van een versterker weergegeven.
De versterker heeft een rendement van 50%.
Het aan de belastingsweerstand R afgegeven vermogen is 18 watt.
De toegevoerde gelijkstroom is:
a 0.5 A
b 1 A
c 2 A
d 4 A
Pout = 18 W
Pin = 18*2 = 36 W
P=UxI
I = P/U = 36/18 = 2A
-
19
http://www.iwab.nu/023-009.html
Van een transistoreindtrap is het stuurvermogen 1 W, het afgegeven vermogen is dan 4 W.
De transistor neemt vanuit de voeding 1A op, bij een spanning van 10 V.
Wat is juist?
a het rendement is 30% en de versterking is 6 dB
b het rendement is 40% en de versterking is 3 dB
c het rendement is 30% en de versterking is 3 dB
d het rendement is 40% en de versterking is 6 dB
1A // 10V >>>
P= UxI = 10x1 = 10 W opgenomen
Afgegeven 4 W
n = [Pout / Pin] x 100%
out/in = 4/10 x 100 = 40%.
1W naar 4W is 4*P = 6dB
-
20
http://www.iwab.nu/022_015.html
Achter een zender met een uitgangsvermogen van 5 watt wordt een versterker geschakeld welke 20 watt afgeeft.
Het zendvermogen zal toenemen met:
a 12 dB
b 6 dB
c 9 dB
d 3 dB
dB = 10 x log [P1 / P2]
dB = 10 x log ( 20 / 5 ) = 6dB
-
21
http://iwab.nu/jj_01_09_003v_001.html
Het uitgangsvermogen van een zender wordt verhoogd van 1 naar 2 Watt.
Dit is een verhoging van:
a 1 dB
b 6 dB
c 3 dB
d 2 dB
dB = 10 x log [P1 / P2]
dB = 10 x log (2 / 1) = 3 dB
-
22
http://www.iwab.nu/022_018.html
Van een zender-eindtrap is het stuurvermogen 0.5 watt en het afgegeven vermogen 5 watt
De vermogensversterking is:
a 2.5 dB
b 10 dB
c 5 dB
d 20 dB
dB = 10 x log [P1 / P2]
dB = 10 x log (5 / 0.5 ) = 10 dB
-
23
http://www.iwab.nu/H1_066.html
Een signaalsterkte wordt gerapporteerd als "S9 plus 20 dB".
Indien van de beluisterde zender het vermogen wordt gereduceerd van 150 W naar 15 W, dan behoort het signaalsterkte rapport te zijn:
A. S9
B. S9 plus 10 dB
C. S9 plus 20 dB
D. S9 plus 30 dB
P 10 keer kleinder = -10dB
plus 20dB wordt plus 10dB
-
24
http://www.iwab.nu/H1-113.html
Een signaalsterkte wordt gerapporteerd als "S9 plus 20 dB".
Indien van de beluisterde zender her vermogen wordt verhoogd van 4 naar 400 W dan behoordt het signallsterkte-rapport te veranderen in
a S9 + 10
b S9 + 30
c S9 + 40
d S9
dB = 10 x log [P1 / P2]
dB = 10 x log (400 / 4 ) = 20 dB
dus +20dB
S9 +20 + 20 = S9 +40 dB
-
25
http://www.iwab.nu/H4_027.html
Een gevoelige CW-ontvanger voor de 28 Mhz band heeft omschakelbare middenfrequent filters.
Als de middenfrequent bandbreedte wordt omgeschakeld van 500 Hz naar 1000 Hz, dan zal het ruisvermogen van de produktdetector:
a halveren
b gelijk blijven
c verdubbelen
d verviervoudigen
Het ruisvermogen is evenredig met de bandbreedte.
Bredere bandbreedte - meer ruis
Dubbele bandbreedte - dubbele ruis
-
26
http://www.iwab.nu/H4_022.html
Een hf-ontvanger met een doorlaatbandbreedte van 300 Hz ontvangt een CW-signaal (A1A).
De signaal-ruisverhouding aan de uitgang is 20 dB.
Als de doorlaatbreedte wordt overgeschakeld naar 3000 Hz, wordt bij gelijkblijvende versterking de signaal/ruisverhouding:
a is niet te bepalen
b kleiner
c groter
d ongewijzigd
Het ruisvermogen is evenredig met de bandbreedte.
Bredere bandbreedte - meer ruis
Bandbreedte x10 - ruis x10
-
27
http://www.iwab.nu/022-022.html
Het uitgangsignaal van een hf-telefonie-ontvanger heeft bij ontvangst van een EZB-signaal een signaal/ruisverhouding van 20 dB.
Om de uitgangsspanning te verhogen, wordt de versterking van de If-versterker 6 dB vergroot.
De gemiddelde signaal / ruisverhouding aan de uitgang is nu:
a 14 dB
b 20 dB
c 6 dB
d 26 dB
S/R = 20 dB aan de ingang
LF versterker +6dB = 4*P
4P >>>
dB = 10 x log 4
dB = 10 x log 4 = 6 dB
-
28
http://www.iwab.nu/H4-084.html
De gevoeligheid van een FM ontvanger voor de 2meter band wordt uitgedrukt in het aantal microvolts aan de ingang, nodig om:
a de ruis volledig te onderdrukken
b 1 watt audio uitgangsvermogen te bereiken
c een uitslag van S9 op de S-meter te verkrijgen
d een bepaalde signaal/ruis verhouding te bereiken
S:N
-
29
http://www.iwab.nu/022-028.html
Om de aanwijzing van de s meter van een ontvanger net ongeveer 6 dB te laten toenemen . moet het uitgangsvermogen van de zender waarop is afgestemd worden vergroot met een factor
a 4
b 6
c 2
d
dB = 10 x log [P1 / P2)
3 dB = 2 x P
6 dB = 4 x P
10 dB = 10 x P
-
30
http://iwab.nu/061_002.html
Het ruisgetal van een UHF-ontvanger is:
a. omgekeerd evenredig met de bandbreedte
b. onafhankelijk van de bandbreedte
c. evenredig met de bandbreedte
d. evenredig met het kwadraat van de bandbreedte
Ruis is er altijd
-
31
http://www.iwab.nu/061_001.html
Van een UHF-ontvanger, bedoeld voor inbouw in een satelliet, wordt het ruisgetel bij kamertemperatuur gemeten.
Na lancering van de satelliet blijkt het ruisgetal te zijn veranderd.
Hat ruisgetal na lancering is:
a hoger omdat de voeding wordt verkregen door zonnecellen
b hoger door de lagere temperatuur in de ruimte
c lager door de grote agstand tot aardse stoorbronnen
d lager door de lagere temperatuur in de ruimte
Meer signaal en minder ruis in de ruimte
-
32
http://www.iwab.nu/022-029.html
Tussen antenne en zender wordt een aan de antenne aangepaste coaxiale kabel met een dempimg van 9dB per 100m toegepast.
Bij welke kabellengte is het aan de antenne toegevoerde vermogen ongeveer de helft van het zendsvermogen ?
a 100 m
b 17 m
c 33 m
d 50 m
3 dB = 2 x P
- 3 dB = 1/2 P
9 Db op 100 m
3 dB = 9/3 = 100/3 = 33 m
-
33
http://www.iwab.nu/022_012.html
Een 430 Mhz zender is door 25 meter coaxiale kabel (demping 16dB/100m) en een balun (demping 0.5 dB) verbonden met een yagi-antenne (winst 14.5 dB).
Het zendvermogen bedraagt 30 Watt.
Het effectief uitgestraald vermogen (ERP) is:
a 100 W
b 30 W
c 1000 W
d 300 W
(16 dB/100m) / 4 = 4 dB /25metetr verlies 4 dB -
balun 0.5 dB -
antenne 14.5 dB +
totaal 10 dB winst
10 dB = 10x dus 10x 30 W geeft 300 Watt
-
34
http://www.iwab.nu/022_002.html
Een 50 Mhz-zender is door 20 meter coaxiale kabel [demping = 20dB/100 meter] en een balun [demping = 0.4 dB] verbonden met een Yagi-antenne [winst = 10.4 dB].
Het zendvermogen bedraagt 10 Watt.
Het effectief uitgestraald vermogen [ERP] is :
a 30 W
b 20 W
c 10 W
d 40 W
kabeldemping 20/100 = 1/5 x 20 4dB
de balun nog eens 0.4 dB wat het verlies doet oplopen tot 4.4 dB
Antennewinst - verliezen = 10.4 - 4.4 = 6 dB WINS
Elke 3 dB is dubbel vermogen , dus 6 dB PLUS geeft 4 x vermogen = 40 W
-
35
http://www.iwab.nu/jj_06_03_001v_011.html
Van een coaxiale kabel is de demping bij 14 MHz: 12 dB/100 m.
De lengte van de kabel is 25 meter.
Door de zender wordt bij 14 MHz een vermogen van 30 watt in de kabel gestuurd.
In de kabel gaat verloren:
a 1,5 W
b 7,5 W
c 3 W
d 15 W
12 dB / 100 = 25/100 x 1/4x 12 = 3 dB
P = 30 W
-3 dB is 1/2 xP = 15 Watt
-
36
http://iwab.nu/jj_01_09_003v_009.html
Het door de antenne effectief uitgestraald vermogen ERP is:
a 100 W
b 1 W
c 2 W
d 10 W
-0.5 + 20 - 2.5 +3 = 20 dB+
10 dB = 10*
10 dB = 10* >>>10*10=100 keer
1*100= 100 Watt
-
37
http://www.iwab.nu/022_004.html
Tussen twee versterkertrappen is een passief filter geplaatst
De totale versterking tussen A en B is
a 280 dB
b 11.2 dB
c 20 dB
d 10 dB
het filter verzwakt
7 - 5 + 8 = 10 dB
-
38
http://iwab.nu/jj_01_09_003v_010.html
De totale versterking tussen A en B is:
a 12 dB
b 15 dB
c 162 dB
d 18 dB
6dB versterking - 3dBverlies +9dB versterking = 6-3+9=12dB
Kabel heeft altijd negatieve waarde (=verlies)
-
39
http://www.iwab.nu/022_006.html
In de verzwakker wordt gedissipeerd
a 2W
b 3W
c 4W
d 8W
3dB = 2*P
dus de verzwakker neemt de helft op
-3dB = 1/2P
P/2 =6/2 = 3W , door de verzwakker opgenomen
-
40
http://www.iwab.nu/022-030.html
De totale versterkinh tussen P en Q is
a 10 dB
b 30 dB
c 20 dB
d 40 dB
-
41
http://www.iwab.nu/007-061.html
Het signaal van een EZB-amateurzender heeft het volgende spectrum:
Het vermogen van de restdraaggolf is 10 milliwatt.
Het vermogen van de zijband is:
a 100 mW
b 1 W
c 10 W
d 100 W
Restdraaggolf = 30 dB
Draaggolf = 40 dB
10 dB hoger dus 10x groter
10x 10 mW = 100 mW
-
42
http://www.iwab.nu/022-025.html
Hoeveel vermogen wordt gedissipeerd in de verzwakker?
a 10 W
b 9 W
c 5 W
d 1 W
3 dB = 2 x P
- 3 dB = 1/2 P
- 10 dB = 1/10 P
Na de verzwakker 10 kleiner P=1
dus 9W gaat er door de verzwakker verloren
-
43
http://www.iwab.nu/022_009.html
Tussen twee versterkertrappen is een passief filter geschakeld.
De totale versterking tussen A en B is:
a 5 dB
b 25 dB
c 15 dB
d 500 dB
Immers de versterkers versterken en het filter verzwakt. dus +10-5+10=15 dB
-
44
http://www.iwab.nu/H6_044.html
De antennes staan opgesteld in de vrije ruimte.
Met deze opstelling wordt de propagatieverzwakking op 433 Mhz vergeleken met 144 Mhz.
De zend- en ontvangstantennes zijn verticale halvegolf dipolen voor die frequenties.
De door de ontvangstantenne afgegeven spanning is op 433 Mhz tov 144 Mhz:
a 3 x groter
b 1/3
c gelijk|
d 6x zo groot
f1 = 144 Mhz
f2 = 432 Mhz
f1 : f2 = 144 / 432 = 1/3
-
45
http://www.iwab.nu/H6_043.html
Tussen de antennes van een mobiele zender en een vaste ontvanger bestaat vrij zicht.
Er treden geen reflecties op.
Als de afstand tussen de zender en ontvanger wordt verdubbeld zal de afgegeven spanning van de ontvangstantenne:
a gelijk blijven zolang de zender in zicht is
b verminderen tot een kwart van zijn vorige waarde
c varieren op een onvoorspelbare wijze
d verminderen tot de helft van zijn vorige waarde
Er wordt hier gevraagd naar afgegeven spanning en niet het vermogen.
Verdubbeling van de afstand, dan de helft van de spanning
300/144 = 2.05 meter hele golf >>> 2.05/2 = 1.03 meter is halve golf
300/432 = 0..69 meter is hele golf >>> 0.69/2 = 0.35 is de halve golf
1.03/ 0.35 = 3
De antenne voor 70 is 3 keer kleiner dan die voor 2 meter [3*.70 = 2.1 m]
dan hebben we het over de grootte.
Alleen hebben we het hier hier over de opp.
Opp= LENGTE x BREEDTE = m2
Voor 144Mhz geldt een opp van 1.032 = 1.06m2 aan oppervlakte.
Voor 432Mhz geldt een opp van 0.352 = 0.12m2 aan oppervlakte.
1.06 / 0.12 = 8.8 dus ca 9
De antenne voor 70cm heeft een 9* kleinere opp dan de antenne voor 2m
[kort 2/.7 = 2.9 dus 2.92 = 8.41keer]
-
46
http://www.iwab.nu/022_005.html
Het door de antenne effectief uitgestraalt vermogen [ERP] is
a 1 W ERP
b 0.1 W ERP
c 1000W ERP
d 10 W ERP
-1+20-9+10=20dB
20dB = 100X
20dB = 10dB +10dB = 10X en 10X
100*01=10 Watt ERP

-
47
http://www.iwab.nu/H6_017.html
De demping tussen twee verticale halvegolfdipiolen wordt gemeten op een frequentie
De antennes staan opgesteld in de vrij ruimte
Als de frequentie wordt verdubbeld en de afmetingen van de halvegolfdipolen hierop worden aangepast, dan zal de demping
a 3 dB afnemen
b 3 dB toenemen
c 6 dB toenemen
d gelijk blijven
Als alleen de frequentie verandert of alleen afstand dan kan je voor de de verandering in demping volstaan met
X = 20 log λ of X = 20 log R
x = verlies in dB
λ = de golflente
R = radius, de afstand in Km
Trajectverliezen:
Het lijkt verwarrend maar het is maar net wat ze vragen.
Men vraagt hier wat de Spanning doet, ofwel de S-meter.
In dat geval geeft verdubbeling van afstand (of frequentie) twee maal minder spanning (microvolt) aan de ontvanger / S-meter.
Als men het in Db vraagt is het anders: 2x afstand of frequentie = 4x zwakker = 6 Db.
Op de S-meter bij 2x de antenneafstand (of 2x de frequentie) = halveren van de spanning = 1 S-punt = 6Db
-
48
http://www.iwab.nu/H7-102.html
De demping bij vrije ruimte propagatie tussen twee rondstralende antennes wordt gemeten
Als de onderlinge afstand wordt verdubbeld zal de demping
a toenemen met 2 dB
b gelijk blijven
c toenemen met 6 dB
d toenemen met 2 dB
Bij toename van de afstand (of frequentie) zal de vermogensdemping kwadratisch toenemen
-
49
http://www.iwab.nu/022_020.html
De antennewinst van een zendantenne is 6 dB.
De zender levert een zendvermogen van 15 watt.
De antennekabel is verliesvrij.
Het effectief uitgestraald vermogen is:
a 30 W
b 15 W
c 90 W
d 60 W
+6dB is 4x vermogen
4*15 = 60 W
-
50
http://www.iwab.nu/H6-180.html
Het effectief opvangend oppervlak van een halvegolfdipool voor 144 MHz is t.o.v. het effectief opvangend oppervlak van een halvegolfdipool voor 432 MHz:
a negen maal zo groot
b een derde deel
c gelijk
d drie maal zo groot
300/144 = 2.05 meter hele golf >>> 2.05/2 = 1.03 meter is halve golf
300/432 = 0..69 meter is hele golf >>> 0.69/2 = 0.35 is de halve golf
1.03/ 0.35 = 3
De antenne voor 70 is 3 keer kleiner dan die voor 2 meter [3*.70 = 2.1 m]
dan hebben we het over de grootte.
Alleen hebben we het hier hier over de opp.
Opp= LENGTE x BREEDTE = m2
Voor 144Mhz geldt een opp van 1.032 = 1.06m2 aan oppervlakte.
Voor 432Mhz geldt een opp van 0.352 = 0.12m2 aan oppervlakte.
1.06 / 0.12 = 8.8 dus ca 9
De antenne voor 70cm heeft een 9* kleinere opp dan de antenne voor 2m
[kort 2/.7 = 2.9 dus 2.92 = 8.41keer]
-
51
http://www.iwab.nu/H6_030.html
Het effectief opvangend oppervlak van een halvegolfdipool is
a evenredig met lambda
b onafhankelijk van lambda
c evenredig met 1/lambda2
d evenredig met lambda2 [lambda*lambda]
Het werkzame deel of effectieve oppervlakte van een antenne bepaalt de hoeveelheid energie die een antenne uit het Elektromagnetische Veld kan opnemen of afgeven.
Dus, hoe groter de antenne (= grotere golflengte/Lambda) hoe meer/beter.
Bij een hoge frequentie is de golflengte klein en wordt de antenne (oppervlakte) ook klein.
Daarom past men directoren en een reflector toe om meer oppervlakte te krijgen.
Of worden verticale antennes gestekt (Diamond collinear antennes).
In de formule is
A de Effectieve oppervlakte,
G is de antenne-Gain (in Dbi),
Lambda is de golflengte
4 Pi is een constante.
Als we een dipool nemen hebben we onafhankelijk van de golflengte een vaste versterking t.o.v. een isotrope straler van 2,15 Db,
dit is een factor 1,64 zoveel.
Daarmee is dat ook een constante in de formule als we dipolen op verschillende frequenties vergelijken.
Om A te berekenen blijft als variabele waarde ALLEEN Lambda-kwadraat over omdat de andere factoren immers constantes zijn (en blijven).
Dus is het juiste antwoord Lambda -Kwadraat.
Verder is het veel te complex om zo'n formule te ontleden dus gewoon Lambda-kwadraat onthouden.

-
52
http://www.iwab.nu/022_001.html
Een yagi-antenne heeft een voor-achterverhouding van 10dB
Het effectief uitgestraald vermogen [erp] is 100 Watt
Het naar achteren uitgestraalde vermogen bedraagt ongeveer
a 1 W
b 50 W
c 10 W
d 0.1 W
Voor 10dB
Achter 0 dB
Voor 100 Watt dus achter 10dB = 10 * minder = 100/10=10 Watt
-
53
http://www.iwab.nu/007_034.html
Deze versterker heeft een spanningsversterking van 8 maal en de ingangsweerstand is 50 Ω.
De vermogensversterking is:
a 8Ѵ 2 maal
b 64 maal
c 400 maal
d 8 maal
P= (U*U)/R
spanningsversterking 8 keer !!
Stel U was 1 Volt, wordt dus na versterking 8 Volt
P1 = (1*1)/50 = 20 mW
P2 = (8*8)/50 = 1.28 W
Versterking is Pnieuw/Poud = 1.28/20mW= 64 keer
P = P
-------------------------------------------------------------------------------------------------------
P=U²/R ==> P is kwadraat van spanning, dus 8² = 64 x
┘
Sectie 4
┘