-
01
http://www.iwab.nu/013-006.html
De sterkte van het magnetisch veld rond een geleider wordt rechtstreeks bepaald door de:
a stroom door de geleider
b weerstand van de geleider
c diameter van de geleider
d spanning op de geleider
a
Wet van Lenz
Elk gevolg werkt de oorzaak tegen
Veel oorzaak geeft veel tegenwerking = inductie
-
02
http://www.iwab.nu/H8-103.html
Een voltmeter dient een zeer hoge impedantie te hebben opdat:
a de te meten spanning zo weinig mogelijk wordt beïnvloed
b een hoogfrequente spanning kan worden gemeten
c er geen warmte in de meter ontwikkeld wordt
d de meter beter beveiligd is
a
-
03
http://www.iwab.nu/H14-004.html
De stroom die een gelijkstroomvoeding levert wordt met een universeelmeter gemeten.
De meter gedraagt zich als een:
a isolator
b weerstand met lage waarde
c ideale geleider
d weerstand met hoge waarde
b
-
04
http://www.iwab.nu/H8_066.html
Een voltmeter met een gevoeligheid van 10KΩ/v is via een onbekende weerstand aangesloten op een spanning van 20 volt.
Als de meter op het 10 volt bereik staat, wijst deze 5 volt aan:
De waarde van de onbekende weerstand R is:
a 300 KΩ
b 50 KΩ
c 150 KΩ
d 100 KΩ
10 KΩ/V * bereik is 100 KΩ
I=U/R 5/100K = 50 microampere
De weerstand eet 15 V op R=U/I = 15/50 micro= 300 KΩ
Extra uitleg:
10 kΩ/V * 10V bereik = 100 kΩ ongeacht of de meter 5V aanwijst
Ur = 20V – 5V (meter) = 15V
Ur is 3x meer dan Umeter, dus 3x100 kΩ = 300 kΩ
-
05
http://www.iwab.nu/H8_003.html
Een meter heeft een gevoeligheid van 20 KOhm/Volt
De meter is geschakeld op het 10 volt bereik
De meter wijst 7 volt aan
De eigen weerstand van de meter is
a 140 KOhm
b 200 KOhm
c 20 KOhm
d 14 KOhm
b
De weerstand van de meter is bereik x gevoeligheid
De afgelezen waarde doet niet mee
3 Volt uitlezen geeft bvb geen ander weerstand aan de meter als het bereik hetzelfde blijft
-
06
http://www.iwab.nu/H8_079.html
De gevoeligheid van een niet-elektronische universeel meter is ongeveer:
a gelijkspanning 20 Kohm/V wisselspanning 2 Kohm/V
b gelijkspanning 400 Kohm/V wisselspanning 100 Kohm/V
c gelijkspanning 1000 Kohm/V wisselspanning 250 Kohm/V
d gelijkspanning 100 Kohm/V wisselspanning 25 Kohm/V
a
Het is een niet-elektroniche meter, dus mechanisch (=draaispoelmeter)
-
07
http://www.iwab.nu/H8_045.html
Een voltmeter met een meetbereik van 60 volt heeft een gevoeligheid van 10 KΩ/V.
Het meetbereik kan worden vergroot tot 300 Volt door een voorschakelweerstand van:
a. 2400 KΩ
b. 3000 KΩ
c. 40 KΩ
d. 50 KΩ
a
10 KΩ/V is 10 KΩ per volt
Dus bij 60 V wordt de weerstand 60 keer groter
Bij 60 V wordt de weerstand van de meter:
60 * 10KΩ = 600 KΩ
60 * 10exp3 = 600 KΩ
300 V =(300 / 60) = 5 maal hoger
5*600 KΩ = 3000 KΩ bij 300 V
3000 KΩ = dan de totale weerstand
De meter = 600 KΩ
De voorschakelweerstand = 3000 KΩ - 600 KΩ = 2400 KΩ
-
08
http://www.iwab.nu/H8_034.html
Voor het verkrijgen van een 10V- en een 30V-meetgebied moeten R1 en R2 zijn:
a 100 KΩ en 297 KΩ
b 97 KΩ en 200 KΩ
c 97 KΩ en 297 KΩ
d 100 KΩ en 197 KΩ
b
Im = 100 µA Rm = Um / Im = 0.3 / 100µ = 3000 Ω = 3 KΩ
10 V, dan 10/100 µ = 100 KΩ, we hebben er al drie, dus 97 KΩ
Voor 30 V, 30/100µ = 300 KΩ , we hebben er al 100 K dus 200 KΩ
-
09
http://iwab.nu/062_002.html
In een voltmeter wordt gebruik gemaakt van een instrument dat bij 1 mA volle uitslag vertoont
Het instrument heeft een te verwaarlozen inwendige weerstand
Welke serieweerstand moet worden toegepast om een meetbereik van 50 Volt te verkrijgen?
a 20 Kohm
b 200 Kohm
c 5 Kohm
d 50 Kohm
d
Rv = (Ub-Um)/Im
Rv = 50/1exp-3 =50exp3 = 50 Kohm
-
10
http://www.iwab.nu/H2_080.html
De voltmeter wijst 5V aan en heeft een inwendige weerstand van 2KOhm
Van de transistor is de versterking 100X.
De ingangsweerstand Ri is ongeveer:
a 2 KOhm
b 200 KOhm
c 0,5 KOhm
d 10 KOhm
b
5 V op de emittor bij 2KOhm >>>>> geeft Ie=Ue/Re = 5/2000= 2.5 mA
Ib = Ie/100 = 2.5 mA/100 = 25 microA
De spanning op de basis moet 0.2 v lager (PNP) liggen dan de spanning op de emittor = 5 - 0.2 = 4.8V
Ri = Ub/Ib = 4.8/25micro = 192 KOhm
-
11
http://www.iwab.nu/H8_009.html
In de schakeling wordt de collector-emittorspanning van de transistor gemeten
De meter zelf heeft geen afwijking
Welke meter geeft de kleinste meetfout?
a een meter met inwendige weerstand van 0.1 Ohm
b een meter met 0.5 mA uitslag
c een meter met een gevoeligheid van 10Kohm/V
d een meter met inwendige weerstand van 1 Mohm
d
Spanning moet een oneindige hoge R hebben
-
12
http://www.iwab.nu/H8_086.html
Het aan de luidspreker toegevoerde vermogen is 200 mW.
De aanwijzing van de voltmeter is:
A. 2 mV
B. 20 mV
C. 100 mV
D. 1 V
P = I2 x R = 200 mW
I2 x R = 200 mW I2=200m/5 =0.04 A
I = √ 0.04 = 0.2 A = 200 mA
U = IR = 200 mA * 0.1 = 0.02 V =20 mV
-
13
http://www.iwab.nu/002_031.html
De amperemeter met een inwendige weerstand Ri wijst 4 ampere aan.
Met gesloten schakelaar S wijst de amperemeter 7 ampere aan.
De spanning U en de inwendige weerstand Ri zijn:
a 26 V 1 ohm
b 28 V 1 ohm
c 24.5 V 0.5 ohm
d 26 V 0.5 ohm
b
I = U / R(6+Ri) = 4 A
I = U / R(3+Ri) = 7 A
4A = 6+Ri = 7A = 3 +Ri
?I van 3A bij 3+Ri ohm
Ri = 3/3 =1 ohm
U = I x R = 4 * (6+1) = 28V
U = I x R = 7 x (3+1) = 28 V
-
14
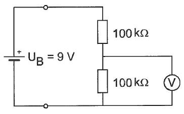
http://www.iwab.nu/H8_033.html
De voltmeter met een inwendige weerstand van 10 kilo-ohm per volt is ingesteld op het bereik van 10 volt.
De inwendige weerstand van de batterij is te verwaarlozen.
De voltmeter wijst aan:
a 3 V
b 4,5 V
c 1 V
d 6 V
a
De meter 10KΩ/volt op 10 V berik geeft 10*10K = 100 KΩ
Twee weerstanden van 100 K parallel geeft Rv = 50 KΩ
In serie staan dan 100K en 50 K = samen 150 KΩ
I = U/R 9/150K = 60 µA
Spanningsval over de eerste 100K = U=I*R = 60µA * 100 K = 6 V
Spanningsval over de Rv 50 K = U=I*R = 60µA * 50 K = 3 V
Door de meter loopt dan 30 µA * 100 K = 3V
-
15
http://www.iwab.nu/H8_061.html
De voltmeter wijst aan:
a 6 V
b 12 V
c 3 V
d 0 V
a
een ideale meter
-
16
http://www.iwab.nu/H8_060.html
De voltmeter heeft een inwendige weerstand van 200 kilo-ohm.
Wanneer de spanning tussen de punten X en Y met deze voltmeter wordt gemeten, bedraagt de meetfout ongeveer
a 2 %
b 20 %
c 10 %
d 40 %
b
Rm = 200K parallel met 100 K geeft Rv van 66.66K
stel er staat 100V op de ingang , dan zou de stroom 100/166.6K = 0.6 mA zijn
Ur2 is dan 0.6m * 66.66K = 40 VOLT
Het zou 50V moeten zijn (50/100 =0.5 is 1%)
een afwijking van 10V 10/ 0.5 = 20%

-
17
http://www.iwab.nu/H8_030.html
De waarde van Rx is:
a 20 KΩ
b 90 KΩ
c 180 KΩ
d 30 KΩ
c
Stand 1
10 V znder weerstand, dus de U=10C
Stand 2
5 V over de weerstand bij stand 2 en 5 V over de meter >>> dus de meter is 60 KΩ
en de stroom is dan 10 V / 120 KΩ = 83 µA
Stand 3
2.5V over de meter geeft een stroom van 2.5 / 60 KΩ =41 µA
7.5 V over Rx bij 41 µA = 7.5 / 41 µA is ca 180 KΩ
Nog een keer
In stand 1 staat er de volle 10 volt van de voeding over de meter
In stand 2 staat er 5 v bij een belasting van 60KΩ
dwz de halve voedingspanning dus Ri van de meter is ook 60KΩ
>>>
In stand 3 staat er 2.5 V over de meter van 60KΩ de stroom is dan door de meter 2.5/60KΩ = 41 µA
Staat echter in serie met weerstand Rx
Spanningsdeler Ri=2.5V en Rx=7.5V
Rt = Rm+Rx =60KΩ + ?
Serie heeft dezelfde stroom dus ook Rx heeft 41µA
Rx = Ux/I 7.5 / 41µA = ca180KΩ [183KΩ]

-
18
http://www.iwab.nu/H8_044.html
Over een meter worden vaak 2 siliciumdiodes tegengesteld parallel geschakeld.
Dit wordt gedaan om :
a de meter te beveiligen tegen overspanning
b de meter geschikt te maken voor het meten van wisselspanning
c de karakteristiek van de meter te verbeteren
d de meter geschikt te maken voor het meten van gelijkspanning
a
-
19
http://www.iwab.nu/H8_025.html
Een wisselstroom met een frequentie van 14 Mhz in een draad van een open voedingslijn kan gemeten worden met een:
a in de draad opgenomen koolweerstand van 1 Ohm en hierover een draaispoelmeter
b in de draad opgenomen koolweerstand van 1 Ohm en hierover een draaispoelmeter in serie met een diode
c dipmeter
d staandegolfmeter
b
-
20
http://www.iwab.nu/H8_050.html
De schakeling wordt gebruikt voor het meten van een wisselspanning met een frequentie van 50 Hz.
De draaispoelmeter, die voor gelijkspanning geijkt is, meet van de gelijkgerichte spanning:
a de effectieve waarde
b de gemiddelde waarde
c de topwaarde
d het kwadraat van de effectieve waarde
b
Ofwel:
De spanning na de brug cel IS inderdaad gelijk aan de effectieve waarde doch de draaispoelmeter zal dit niet aanwijzen.
Pulserende gelijkspanning !!
Waarom? PA7HS:
De massatraagheid van een MECHANISCH bewogen meter is zodanig groot dat de meter de afwijkingen/variaties/beweging van de (dubbelzijdig gelijkgerichte) amplitudes niet bij kan houden.
Als het een digitale meter zou zijn geweest zouden we de effectieve waarde af kunnen lezen omdat dit type meter geen mechanische traagheid als eigenschap heeft.
In dit geval zal deze (draaispoel)meter slechts ONGEVEER de gemiddelde waarde aanwijzen.
Bij een hogere frequentie van de wisselspanning aan de ingang van de bruggelijkrichter zullen de pulsen op de uitgang ook een hogere frequentie hebben.
Dan is de mechanische traagheid van de wijzer minder van invloed omdat de wijzer veel pulsjes achter elkaar aangeboden krijgt.
=> hoe meer pulsen, hoe meer het op een gelijkspanning gaat lijken!
Bij een lagere aangeboden frequentie zullen de pulsen bij de meter elkaar minder snel opvolgen waardoor de wijzer steeds weer terug wil zakken; Dan kan de wijzer de effectieve waarde niet bijhouden en zal MINDER aanwijzen.
Bij een hogere frequentie van de wisselspanning aan de ingang van de bruggelijkrichter zullen de pulsen op de uitgang ook een hogere frequentie hebben.
Dan is de mechanische traagheid van de wijzer minder van invloed omdat de wijzer veel pulsjes achter elkaar aangeboden krijgt.
=> hoe meer pulsen, hoe meer het op een gelijkspanning gaat lijken!
Bij een lagere aangeboden frequentie zullen de pulsen bij de meter elkaar minder snel opvolgen waardoor de wijzer steeds weer terug wil zakken; Dan kan de wijzer de effectieve waarde niet bijhouden en zal MINDER aanwijzen.

-
21
http://www.iwab.nu/010_004.html
Een voor gelijkspanning geijkte draaispoelmeter wordt via een diodebrug aangesloten op een sinusvormige wisselspanning van 1 Khz.
De meter wijst van de spanning tussen A en B aan:
a de maximale waarde
b de effectieve waarde
c de gemiddelde waarde
d de momentele waarde
a
Na de gelijkrichting wordt er Ueff gemeten,
maar de condensator tilt de boel met Ѵ2
√2 * Ueff = Umax √2 * 10 = 14
Ueff = 0.707 * Umax 10 = 0.707 * 14
Umax = Ueff / 0.707 14 = 10 / 0.707
vbb:
Ingang = 10 V wisselspanning Ueff // Umax=14 V
Na gelijkrichting wordt dit direct na de dioden 0.707 * 14 = Ueff 10 V
de condensator tilt de boel met √2, √2 * 10 = 14 V, wat de maximale spanning is.
√2 = 1.41
1/2√2 = 0.707
-
22
http://www.iwab.nu/H8_088.html
De inwendige weerstand van de ampèremeter bedraagt 1ohm.
De stroom door de weerstand R is gelijk aan:
a. 11/10 A
b. 10/11 A
c. 10 A
d. 1A
Rt = R + Ri = 10 + 1 = 11 Ohm
I = U / Rt =10/11 A
-
23
http://www.iwab.nu/007-055.html
Een zender eindtrap is afgesloten met een belastingsweerstand.
Het afgegeven hoogfrequent vermogen wordt bepaald door vermenigvuldiging van de waarden van meter aanwijzingen:
a 1 en 2
b 3 en 4
c 1 en 4
d 2 en 3
b
Het vermogen aan de eindtrap
V meter = Volt door m4
I meter = Ampere door m3
P = U x I
-
24
http://www.iwab.nu/010_009.html
Een ideale voltmeter, geijkt voor gelijkspanning, wordt via een gelijkrichter aangesloten op een sinusvormige wisselspanning met een effectieve waarde van 10 volt.
De meter zal dan ongeveer aanwijzen:
a 7.1 v
b 9 v
c 14.1 v
d 10.0 v
c
De C tilt de spanning op 0.707
10/0.707 = 14.1 v-
-
25
http://www.iwab.nu/H8_070.html
Bij het bepalen van het zendvermogen gebruikt men een kunstbelasting (dummyload).
Deze kunstbelasting bevat altijd een:
a antenne
b zelfinductie
c capaciteit
d weerstand
d
-
26
http://www.iwab.nu/H8_092.html
De belangrijkste component van een breedband-kunstantenne is een:
a luchtspoel
b ijzerkernspoel
c niet-inductieve weerstand
d draadgewonden weerstand
c
-
27
http://www.iwab.nu/H8_063.html
De juiste impedantie-aanpassing van een antennesysteem wordt gecontroleerd met een:
a veldsterktemeter
b staandegolfmeter
c ampèremeter
d ohmmeter
b
-
28
http://www.iwab.nu/060_012.html
Een 50 Ohm staandegolfmeter is met coaxiale kabels van 50 Ohm opgenomen tussen een zender en een antenne.
Deze meter geeft een SWR van 20:1 aan.
Dit betekent dat:
a zender juist is aangepast
b zender veel vermogen levert
c antenne juist is aangepast
d antenne zeer slecht is aangepast
d
-
29
http://www.iwab.nu/060_007.html
Een staandegolfmeter, opgenomen in de antennekabe! van een zender, geeft een indicatie van de:
a. antenneversterking
b. uitgangsimpedantie van de zender
c. gereflecteerde energie
d. golflengte van het uitgezonden signaal
c
-
30
http://www.iwab.nu/060_006.html
Indien een 3 -30 MHz staandegolfmeter op UHF wordt toegepast dan zullen aflezing
en nauwkeurigheid:
a alleen kloppen indien de aanwijswaarden met 10 vermenigvuldigd worden
b. alleen kloppen indien de aanwijswaarden door 10 gedeeld worden
c. geheel niet betrouwbaar zijn
d. voldoende betrouwbaar zijn
c
Dus alleen te gebruiken waarvoor de SGM geschikt is !!
-
31
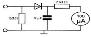
http://www.iwab.nu/H8_064.html
Met de schakeling wordt de peak envelope power (PEP) van een enkelzijbandzender gemeten.
De condensator moet een waarde van ongeveer 2µF hebben om:
a de aanwijzing de snelle veranderingen van de modulatie te laten volgen
b uitstraling van harmonischen door de meter te voorkomen
c de aanwijzing onafhankelijk te maken van de golfvorm van de onhullende
d de effectieve waarde van de HF wisselspanning te meten.
c
Omdat de uitgangsspanning een grillige vorm kan hebben wordt deze door de condensator
op de maximale waarde (Utop) gehouden.
Vermogen wordt altijd met de effectieve waarde berekend.

-
32
http://www.iwab.nu/H8_036.html
Bij welke schakeling staat de wijzer van de meter precies op het einde van de schaal ?
De meters mogen ats ideaalworden verondersteld.
a. schakeling 4
b. schakeling 1
c. schakeling 2
d. schakeling 3
b
1 De A meter is 0 Ohm, dus de 5 Kohm weerstand doet niet mee er loopt 1mA
2 De spanning zal dan 40V moeten zijn
3 De meter zal 1A anwijzen
4 kan niet. de V-meter heeft een Ri van oneindig hoog
Extra uitleg:>
schakeling 1: 5kΩ is kortgesloten door ampèremeter, dus I=U/R = 15/15= 1mA
schakeling 2: V-meter wijst aan een spanning aan van 5/20 x 15V=3,75V
schakeling 3: Ampèremeter zal aanwijzen: I=U/Rt = 15/20= 0,75mA
schakeling 4: Voltmeter is hoogohmig, dus zal voltmeter 15V aanwijzen omdat er geen stroom loopt.
-
33
http://iwab.nu/062_005.html
Als een digitale universeelmeter als spanningsmeter wordt gebruikt is de ingangsweerstand:
a zeer hoog
b nul
c laag
d 10 Kohm
a
Stroom = nul ohm
Spanning = oneindig hoge ohm
-
34
http://www.iwab.nu/H8-138.html
Aan een miliamperemeeter met een inwendige weerstand van 50Ω
en een meetgebied van 0.5 ma wordt een weerstand van 5Ω parallel geschakeld.
Bij volle uitslag van de meter is de totale stroom door deze meetschakeling
a 4.5 ma
b 0.55 ma
c 5.5 ma
d 5 ma
c
De totale stroom,is de stroom door de shunt + de stroom door de meeter
Rm ( 50 Ω ) // Im = 0.5 mA
Rshunt ( 5 Ω ) // IRs = 10x groter = 5 mA
Samen 5.5mA
-
35
http://www.iwab.nu/H8_016.html
Een amperemeter heeft een inwendige weerstand van 20 Ohm
Met een parallelweerstand van 5 Ohm is het meetgebied 20 mA
Het meetgebied zonder parallelweerstand is
a 5 mA
b 4 mA
c 15 mA
d 16 mA
b
Rv = 1/[ 1/20 + 1/5] = 4 Ohm
U=I*R 20mA * 4 = 80mV
Im = 80mV/20 = 4mA
-
36
http://www.iwab.nu/H8_062.html
Met de schakeling worden achtereenvolgens vier signalen met gelijke amplitude gemeten.
De grootste uitslag treedt op bij:
a 3
b 2
c 1
d 4
a
Figuur 1
Ueff
Figuur 2
Ueff
Figuur 3
Umax
Figuur 4
minder dan Umax
-
37
http://www.iwab.nu/H8_096.html
Met de schakeling worden achtereenvolgens vier signalen met gelijke amplitude gemeten.
De kleinste uitslag treedt op bij:
a signaal 2
b signaal 3
c signaal 4
d signaal 1
c
-
38
http://www.iwab.nu/H8_027.html
Een frequentiemeting kan het meest nauwkeurig worden uitgevoerd met een:
a frequentieteller
b absorptiefrequentiemeter
c oscilloscoop
d dipmeter
a
-
39
http://www.iwab.nu/H8-135.html
De nauwkeurigheid van een frequentieteller wordt bepaald door de:
a ingangsverzwakker
b uitleesindicator
c kristaloscillator
d frequentiedeler
c
-
40
http://www.iwab.nu/H8-139.html
De nauwkeurigheid van een digitale frequentiemetetr wordt bepaald door
a ingangsimpedantie van de meetprobe
b kabellengte van de meetprobe
c tijdbasis van de oscillator
d inhangsversterker trap
c
hoe vaker we meten , hoe nauwkeuriger het signaal gemeten wordt
-
41
http://www.iwab.nu/H8-105.html
In een frequentieteller bepaalt een 100 kHz kristal de meettijd.
Het kristal heeft een afwijking van 1 Hz.
Met deze teller wordt de frequentie van een 145 MHz signaal gemeten.
De meetfout is dan:
a 145 Hz
b 1 kHz
c 1,45 kHz
d 1 Hz
c
1Hz per 100Khz
145Mhz/100Khz = 1450 Hz
-
42
http://www.iwab.nu/H8_087.html
Met deze meetopstelling wordt de resonantiefrequentie van de kring bepaalt.
Ri is de inwendige weerstand van de voltmeter.
Wat is juist?
a R is laag Ri is laag
b R is laag Ri is hoog
c R is hoog Ri is hoog
d R is hoog Ri is laag
c
LC parallel dus hoge spanning
Generator aan de linker kant moet hoog-ohmig zijn
De Ri van de voltmeter moet ook hoogohmig zijn
-
-
43
http://www.iwab.nu/H8-127.html
Met behulp van een signaalgenerator en een oscilloscoop wordt de resonantiefrequentie van een parallelkring bepaald (1-5 MHz).
De uitgangsimpedantie van de generator (G) is 50 ohm, de ingangsimpedantie van de oscilloscoop (O) is 10 Mega-ohm.
Wat is de beste schakeling?
a
b
c
d
c
-
44
http://www.iwab.nu/H8_084.html
Een dipmeter kan worden gebruikt voor het meten van:
A. het stuurvermogen van de eindtrap van een zender
B. de resonantiefrequentie van een kring
C. de nauwkeurigheid van een digitale frequentiemeter
D. de vervorming van een lineaire versterkertrap.
B
-
45
http://www.iwab.nu/H8_097.html
Om de resonantiefrequentie van een kring te bepalen koppelt men een dipmeter:
a capacitief met de condensator, met koppelsnoeren
b inductief met de spoel, met zeer losse koppeling
c inductief met de spoel, met zeer vaste koppeling
d capacitief met de condensator, met seriecapaciteit
b
-
46
http://www.iwab.nu/H8_015.html
Van een niet aangesloten kring is de resonantiefrequentie te bepalen met
a dipmeter
b universeelmeter
c digitale voltmeter
d frequentieteller
a
-
47
http://www.iwab.nu/H8_084.html
Een dipmeter kan worden gebruikt voor het meten van:
A. het stuurvermogen van de eindtrap van een zender
B. de resonantiefrequentie van een kring
C. de nauwkeurigheid van een digitale frequentiemeter
D. de vervorming van een lineaire versterkertrap
B
-
48
http://www.iwab.nu/H8-108.html
De absorptie-frequentie meter maakt gebruik van het effect dat:
a er verstemming optreedt van de frequentiemeter
b een stralende bron hf energie afgeeft
c er verstemming optreedt van se stralende bron
d een stralende bron hf energie absorbeert
b
-
49
http://www.iwab.nu/H8-134.html
Een absorptiefrequentiemeter meet:
a onnauwkeurig frequenties
b de Q-faktor van een kring
c resonantiefrequentie van een kring
d zelfinductie van een kring
a
-
50
http://www.iwab.nu/H8_019.html
Het belangrijkste kwaliteitskenmerk van een HF=signaalgenerator voor metingen aan ontvangers is een
a nauwkeurige instelbare verzwakker
b laag stroomgebruik
c snel aansprekende overspanningsbeveiliging
d hoge uitgangsspanning
a
-
51
http://www.iwab.nu/H8_059.html
Het signaal uit de signaalgenerator heeft een constante amplitude en doorloopt de frequentieband van 100 Hz tot 100 kHz.
De aanwijzing van de buisvoltmeter verloopt daarbij ongeveer zoals in:
a grafiek 1
b grafiek 4
c grafiek 2
d grafiek 3
c
1 de versterking neemt af bij toenemende f
2 laagdoorlaat
3 de versterking is gelijk
4 hoogdoorlaat
-
52
http://www.iwab.nu/007_035.html
Om het opgenomen vermogen van de zender te meten gebruikt men een voltmeter en een ampèremeter.
Het opgenomen vermogen bedraagt:
a. 90 W
b. 95 W
c. 99,95 W
d. 100 W
d
P = U * I
P = 10 * 10 = 100 W
-
53
http://www.iwab.nu/H8_082.html
De gevoeligheid van een ontvanger wordt het beste bepaald met een:
a oscilloscoop
b frequentieteller
c signaalgenerator
d spectrum analyser
c
-
54
http://www.iwab.nu/H8_068.html
Een laagfrequent-oscilloscoop heeft een ingangsimpedantie van 1 MΩ parallel met 20 pF.
Men meet met een afgeschermde kabel van 100 pF per meter met een lengte van 80cm.
Het meetpunt wordt nu belast met:
a 1 MΩ en 100pF
b 1 MΩ en 20 pF
c 1 MΩ en 120 pF
d 1 MΩ en 16 pF
a
80cm = 0,8m x 100 = 80 pF + 20 pF (parallel) = 100 pF en 1MΩ
-
55
http://www.iwab.nu/H8_024.html
Met een oscilloscoop en een twee-toon testsignaal kan van een EZB-zender worden bepaald:
a de frequentie deviatie
b de liniairiteit
c de modulatiediepte
d de faseverschuiving van de draaggolf
b
-
56
http://www.iwab.nu/H8_046.html
Een meetapparaat dat versterkers bevat voor horizontale - en verticale afbuiging is een:
a. oscilloscoop
b. ohm meter
c. amperemeter
d. signaalgenerator
a
-
57
http://www.iwab.nu/007_032.html
Op een oscilloscoop, aangesloten op de uitgang van de zender, zien we het geschetste beeld.
De verticale gevoeligheid is 50 volt/div.
De belasting is 50 ohm.
Het afgegeven vermogen is dan ongeveer:
a 200 W
b 100 W
c 50 W
d 25 W
b
P = (U*U)/R , maar wel Ueff
Utop = 2*50 = 100 V
Ueff = 0.707*100 =71 V
P = U2 /R
P = 712 / 50 = 100 Watt
-
58
http://www.iwab.nu/010_010.html
De gevoeligheid van de oscilloscoop is zo ingesteld dat 1 schaaldeel overeenkomt met 100 volt.
De effectieve waarde van de wisselspanning is ongeveer gelijk aan:
a 565 V
b 70,7 V
c 141,4 V
d 282,8 V
Ueff = 0.707 x Umax
Umax = 2 x 100 = 200 V
Ueff = 0.707 x Umax
Ueff = 0.707 x 200 = 141.4 V
-
59
http://www.iwab.nu/010-020.html
Instelling oscilloscoop
horizontaal 1µs/div
verticaal 25v/div
De amplitude an deze wisselspanning is
a 25v
b 50 v
c 100 v
d 60 v
b
-
60
http://www.iwab.nu/010-021.html
Instelling oscilloscoop:
Horizontaal: 4 µsec / schaaldeel
Verticaal: 25 V / schaaldeel
De effectieve waarde van deze wisselspanning is:
a 35.5 V
b 71 V
c 25 V
d 50 V
2 signalen in 8* 4µsec geeft f =p/t = 2/32µ = 62.5 Khz
De topwaarde ligt op 2 schaaldelen geeft 2*25 V = 50 Vtop
Ueff = 0.707*Umax geeft 0.707 * 50 = 35.35 V
-
61
http://www.iwab.nu/010_007.html
Een wisselspanning is aangesloten op een oscilloscoop met een verticale gevoeligheid van 10 volt per schaaldeel.
De effectieve waarde van de wisselspanning is ongeveer gelijk aan:
a 40 V
b 10 V
c 20 V
d 14 V
2 schaaldelen hoog = 20 V top
Ueff = 0.707 * Utop = 0.707 *20 = 14
-
62
http://www.iwab.nu/H8_005.html
De tijdbasis van de oscilloscoop is zo ingesteld , dat 1 schaaldeel overeenkomt met 5 miliseconde
de frequentie van de aangelegde spanning is
a 25 Hz
b 1.6 Khz
c 50 Hz
d 40 Khz
1 sinus is 8 schaaldelen ===>>> 8x5 mS is 40 mS is de periodetijd
1/40ms = 25 Hz
-
63
http://www.iwab.nu/010_005.html
Instelling oscilloscoop:
Horizontaal: 4 µsec / schaaldeel
Verticaal: 25 V / schaaldeel
De frequentie en de effectieve waarde van deze wisselspanning is:
a 62.5 Khz 71 V
b 160 Khz 71 V
c 62.5 Khz 35.5 v
d 160 Khz 35.5 v
1 signaal in 4 x 4µsec geeft f = 1/ t 1 / 16µsec = 62.5 Khz
De topwaarde ligt op 2 schaaldelen geeft 2*25 V = 50 Vtop
Ueff = 0.707*Umax geeft 0.707 * 50 = 35.35 V
-
64
http://www.iwab.nu/010-022.html
Instelling oscilloscoop:
Horizontaal: 2 µsec / schaaldeel
Verticaal: 25 V / schaaldeel
uit dit beeld leidt u af
a amplitude 50 v periodeduur 8 µsec
b amplitude 100 v periodeduur 4 µ sec
c amplitude 100 v periodeduur 8 µ sec
d amplitude 50 v periodeduur 4 µ sec
top = 2x25 = 50 v
tijd = 4 x 2 = 8sec
-
65
http://www.iwab.nu/010-023.html
Instelling oscilloscoop:
Horizontaal: 1 µsec / schaaldeel
Verticaal: 10 V / schaaldeel
uit dit beeld leidt u af
a amplitude 40 v periodeduur 2 µsec
b amplitude 20 v periodeduur 2 µ sec
c amplitude 40 v periodeduur 4 µ sec
d amplitude 20 v periodeduur 4 µ sec
top = 2x10 = 20 v
tijd = 4 x 1 = 4 µsec
-
66
http://www.iwab.nu/H8_006.html
De tijdbasis van een oscilloscoop is ingesteld op 1 microseconde schaaldeel
De frequentie van het signaal is
a 500 Khz
b 250 Khz
c 50 Khz
d 250 Hz
1 sinus in 4 tijdsdelen
periodetijd = 4 x 1 u =4 us
f = 1/t
f = 1/4exp-6
f = 250000 Hz = 250 Khz
-
67
http://www.iwab.nu/H8_049.html
Het beoordelen van de onderdrukking van harmonischen van een zender gaat het beste met een:
a frequentieteller
b spectrum analyser
c staandegolfmeter
d oscilloscoop
a
-
68
http://www.iwab.nu/H8_001.htmlDe spanning die een gelijkstroomvoeding levert wordt met een universeelmeter gemeten
De meter gedraagt zich als een
a isolator
b weerstand met lage waarde
c weerstand met hoge waarde
d ideale geleider
c
┘
┘
┘
┘
Sectie 22