Sectie 15
-


01

http://www.iwab.nu/H03_06_003.html
Bij een werkende oscillator wordt aan de volgende voorwaarden voldaan:

a. rondgaande versterking groter dan 1 ; rondgaande fasedraaiing 180 graden
b. rondgaande versterking kleiner dan 1; rondgaande fasedraaiing 270 graden
c. rondgaande versterking gelijk aan 1; rondgaande fasedraaiing 360 graden
d. rondgaande versterking oneindig; rondgaande fasedraaiing 90 graden

Extra uitleg:

Voorwaarden om te oscilleren:
Er moet een frequentie zijn waarbij de teruggekoppelde spanning (meekoppeling) in fase is (360º) met de oorspronkelijke ingangsspanning.

De versterking voor deze frequentie moet groter zijn dan 1 (en bij oscilleren 1) en in het begin groot om uit de ruis die ene frequentie te versterken.
-


02

http://www.iwab.nu/H3_102.html
Het aanbrengen van meekoppeling in een versterker kan tot gevolg hebben dat:

a. de vervorming afneemt
b. de versterker ongevoeliger wordt
c. de versterker gaat oscilleren
d. de versterker stabieler wordt

c

meekoppelen = in fase
tegenkoppen = 180° gedraaid
-


03

http://iwab.nu/H03_06_012.html
Een hf-oscillator moet elektrisch en mechanisch stabiel zijn om te bereiken dat de  oscillator geen:

a   vervorming veroorzaakt
b   overmodulatie veroorzaakt
c   frequentieverloop vertoont
d   sleutelklikken genereert

Vandaar een buffer-schakeling na de oscillator.

Voor HF-oscillator is het belangrijk, dat het frequentieverloop minimaal is.
-


04

http://www.iwab.nu/H5_055.html
Een betere frequentiestabiliteit van een 2-meter zender kan worden verkregen door:

a. de eindtrap in klasse C in te stellen
b. de antenne goed aan te passen
c. de eindtrap in klasse B in te stellen
d. de voedingsspanning van de oscillator te stabiliseren

d   de rest heeft niets met frequentie te maken
-


05

http://www.iwab.nu/H03_06_028.html
De frequentiestabiliteit van een oscillator met een FET kan worden verbeterd door:

a   de gate-spanning te verkleinen
b   de gate-impedantie te verhogen
c   het afknijppunt te verleggen
d   de temperatuur variaties te verkleinen

d
-


06

http://www.iwab.nu/H03_06_046.html
Om de frequentiedrift van een VFO zo klein mogelijk te maken kan men:

a   alleen de voedingsspanning aansluiten wanneer dit werkelijk vereist is
b   de voedingsspanning van de VFO stabiliseren
c   een laagdoorlaatfilter opnemen achter de VFO
d   de afgegeven spanning zo hoog mogelijk houden

b  
VFO = variabele frequentie oscillator
-


07

http://www.iwab.nu/H9_049.html
Een maatregel om het optreden van CHIRP te voorkomen is:

a   de zendereindtrap in klasse B instellen
b   de oscillator van de zender continu te laten oscilleren
c   de oscillator van de zender meesleutelen
d   een ontstoorcondensator over de seinsleutel te schakelen

b     de oscilltor heeft dan geen opkom- en afval-vertraging
-


08

http://www.iwab.nu/jj_09_02_001v_013.html
Een amateur stuurt zijn SSB-zender niet te ver uit, maar toch veroorzaakt hij splatterstoring
Dit kan worden veroorzaakt door:

a   parasitair oscileren van de eindtrap
b   te hoog zendvermogen
c   onvoldoende onderdrukking van harmonischen
d   verkeerde zijbandkeuze (LSB/USB)

Paracitair oscilleren:
er oscilleert wat mee, wat we NIET willen hebben.
Extra uitleg:

Onder ongewenste koppeling verstaat men elektrische verbindingen tussen onderdelen die volgens het schema niet met elkaar verbonden zijn.
Deze ontstaan door parasitaire capaciteiten, spoelen en weerstanden die onzichtbaar tussen onderdelen aanwezig zijn, maar wél hun invloed doen gelden.
-


09

http://www.iwab.nu/H03_06_030.html
In een LC-oscillator vindt de positieve terugkoppeling van de uitgang naar de ingang gebruikelijk plaats door middel van een:

a   zenerdiode
b   capacitieve deler
c   neutrodyne condensator
d   NTC weerstand
-


10

http://www.iwab.nu/H03_06_030a.html
In een LC-oscillator vindt de positieve terugkoppeling van de uitgang naar de ingang gebruikelijk plaats door middel van een:

a   zenerdiode
b   spoel met aftakking
c   neutrodyne condensator
d   NTC weerstand
-


11

http://www.iwab.nu/H03_06_045.html
De frequentie waarop een oscillator werkt wordt voornamelijk bepaald door:

a   de LC combinatie
b   het versterkende element
c   de rondgaande versterking
d   de terugkoppelfaktor

De LC-kring is een trillingskring
-


12

http://www.iwab.nu/jj_02_05_001v_005.html
Om een oscillator elektrisch te verstemmen wordt bij voorkeur gebruik gemaakt van een:

a   varicapdiode
b   LED
c   zenerdiode
d   diodenbrug

VARICAP
voor afstemmen of (FM) moduleren
-


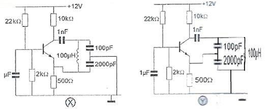
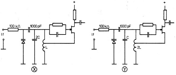
13

http://www.iwab.nu/H03_06_043.html
In de oscillatoren X en Y wordt frequentiemodulatie verkregen door eenzelfde laagfrequent signaal.
Welke bewering is juist

a   X geeft een grotere frequentiezwaai dan Y
     de gemiddelde frequentie van X en Y is gelijk
b   X geeft een kleinere frequentiezwaai dan Y
     de gemiddelde frequentie van X en Y is gelijk
c   X geeft een grotere frequentiezwaai dan Y
     de gemiddelde frequentie van X is hoger dan die van Y
d   X geeft een kleinere frequentiezwaai dan Y
     de gemiddelde frequentie van X is kager dan die van Y

b    
f.res = 1 / [2*π*(L*C)]
-


14

http://www.iwab.nu/H3_019.htmlBij de oscillator is de faseverschuiving tussen de punten X en Y
[beiden gemeten tov aarde]

a   270 graden
b   180 graden
c   0 graden
d   90 graden

c  X en Y zitten aan dezelfde kring
-


15

http://www.iwab.nu/H03_06_001.html
Welke schakeling oscilleert op de resonantiefrequentie van de LC kring ?
         
a   alleen X
b  niet X en niet Y
c   X en Y
d   alleen Y

X kan niet oscilleren ,
hangt direkt aan massa
-


16

http://www.iwab.nu/H03_06_027.html
De LC-oscillator blijkt niet te werken.
De gelijkspanning wordt op enkele punten gemeten.
De waarden staan in het schema.
Het waarschijnlijke defect is:

a   L1 kortgeloten
b   C3 kortgesloten
c   L2 onderbroken
d   R2 onderbroken

C3 = kortgesloten en tr gaat niet open aan de massa
-


17

http://www.iwab.nu/H5_067.html
De scheidingstrap in een zender heeft als functie het:

a   voorkomen van parasitaire oscillatieverschijnselen
b   overbodig maken van het neutrodyniseren van de eindtrap
c   constant houden van de amplitude van de draaggolf
d   voorkomen van belastingvariaties op de oscillator

d
-


18

http://www.iwab.nu/H4_017.html
De voornaamste reden voor het gebruik van een bufferversterker achter een oscillator is om

a   de drift van de oscillatorfrequentie te verminderen
b   de harmonische produkten te verminderen
c   de oscillator onafhankelijk te maken van invloeden van overige trappen
d   de afgegeven oscillatorspanning constant te houden

de buffer Z in = hoog
               Zuit = laag
-


19

http://www.iwab.nu/H3_135.html
Het gebruikelijke vervangingsschema voor een kwartskristal is:

a A
b B
c C
d D

d
-


20

http://www.iwab.nu/H03_06_011.html
Een overtone kristaloscillator oscilleert op:

a   een even harmonische frequentie
b   zowel oneven als even harmonische frquenties
c   de grondfrequentie
d   een oneven harmonische frequentie

[1ste]   3de   5de   7de   enz

Bij een overtone kristal wordt gebruik gemaakt van boventonen (harmonischen).

Alle kristalfrequenties boven ca. 20 MHz zijn overtone kristallen en resoneren op een oneven veelvoud van de oorspronkelijke grondfrequentie.
-


21

http://www.iwab.nu/H03_06_023.html
Om een goede frequentiestabiliteit van een 2-meter zender te krijgen wordt bij voorkeur gebruik gemaakt van een oscillatorschakeling met:

A. een LC-seriekring
B. een kristal
C. een LC-parallelkring
D. een laagdoorlaatfilter in de uitgangsleiding

B is het meest stabiel
-


22

http://www.iwab.nu/H03_06_013.html
De schakeling werkt als overtone-oscillator.
Stelling 1:  De kring is afgestemd op de tweede harmonische van het kristal
Stelling 2 : Het kristal werkt in serie-resonantie
Wat is juist?

a   1 en 2
b   1
c   geen
d   2





STELLING-1 is onjuist. Dat is algemeen bekend (GEEN EVEN 'HARMONISCHEN')

STELLING-2 is eveneens onjuist.In serie-mode vormt het kristal een
kortsluiting naar aarde. Dat maakt oscillatie onmogelijk (de gate moet
een hoge impedantie zien, dus parallel-mode).

Het goede antwoord is dus GEEN VAN BEIDE; antwoord C.
-


23

http://www.iwab.nu/H3_129.html
Welke schakeling kan als overtone-oscillator werken?

a   X
b   X en Y
c   Y
d   geen








Het goede antwoord is: ALLEEN  schakeling X. (antwoord A)

Beide schakelingen kunnen oscilleren.
Ze staan allebei in GBS, de fase
ven de tegenkoppeling en de impedantie-aanpassing is OK, maar...

Voor je een OVERTONE-oscillator hebt, moet er wel een KRISTAL in zitten.
Zonder Kristal geen overtonen
-


24

http://www.iwab.nu/Figuur_05_002.html
Transistor Q2:

a.  is het sleutelfilter
b.  is een scheidingstrap
c.  is een frequentie-vermenigvuldigingstrap
d.  zorgt voor de werkpuntstabilisatie van Q1

Q1 + Q1 is de trilleingskring
Q2 Z in = hoog
      Zuit = laag
-


25

http://www.iwab.nu/H03_06_032.html
Deze schakeling oscilleert op de frequentie bepaald door:

a   het X-tal in parallelresonantie
b   het X-tal in serieresonantie
c   C1, C2 en R1
d   C1, C2 en L1
-


26

http://www.iwab.nu/H03_06_025.html
C2 is vijf maal zo groot als C1.
De schakeling werkt:

A. als oscillator zowel met een kristal in parallel- als in serieresonantie
B. als oscillator met het kristal in parallelresonantie
C. als oscillator met het kristal in serieresonantie
D. niet als oscillator

De schakeling werkt: als oscillator met het kristal in serieresonantie.
Antwoord C is juist.

Voor oscillatie is nodig dat het signaal met de juist fase teruggaat.
GBS geeft GEEN fasedraaiing.
De kring ook niet, dus dat klopt.
-


27

http://www.iwab.nu/H5_032.html
In een 2-meter zender wordt het signaal van een 12 Mhz oscillator vermenigvuldigd naar een zendfrequentie van 144 Mhz.
De oscillator heeft een frequentieverloop van 12 Hz per minuut.
De zendfrequentie verloopt in 10 minuten:

a   1440 Hz
b   10 Hz
c   144 Hz
d   120 Hz

12 Hz in oscillator geeft 12*12 = 144 Hz aan de zend-kant
144 x 10 min = 1440 Hz
-


28

http://www.iwab.nu/015_024.html
Een kristalcalibrator met een grondfrequentie van 100 Khz heeft een afwijking van +10 Hz.
Indien men op een ontvanger de 35ste harmonische waarneemt is de frequentie van deze harmonische:

a   3500.350 Khz
b   3500.035 Khz
c   3503.500 Khz
d   3501.000 Khz

100 Khz +10 Hz = 100.000 + 10 = 100.010Hz = 100.01 Khz
dit maal 35 geeft 3500350 Hz = 3500.35 Khz
-


29

https://www.iwab.nu/064-004.html

Een hf-telegrafie ontvanger is afgestemd op een 15 MHz standaardfrequentie-zender. Gedurende 15 minuten verloopt de lf-toonhoogte van 1000 Hz naar 1300 Hz.
De frequentiestabiliteit van de ontvanger voor deze periode is:

a   1 : 300
b   1 : 5x10Ʌ
5
c   1 : 5 x 10Ʌ4
d   1 : 15Ʌ4

a   1 : 300
b   1 : 5.exp5
c   1 : 5.exp4
d   1 : 15.exp4
-


30

http://www.iwab.nu/jj_03_02_009v_002.html
Een kwartskristal gedraagt zich onder andere als:

a   detector
b   afvlakfilter
c   resonantiekring
d   oscillator

Een X-tal is uit een spoel en C samengesteld
-


31

http://www.iwab.nu/H2-262.html
De impedantie karakteristiek van een kwartskristal rond de resonantiefrequentie op de grondtoon is aangegeven in

a   4
b   1
c   2
d   3

a
-


32

http://www.iwab.nu/H8_078.html
X is een kwartskristal voor 7 MHz (grondtoon).
Ui wordt opgewekt door een signaalgenerator met nauwkeurig instelbare frequentie f.
Als f heel langzaam van 6,99 naar 7,01 MHz wordt veranderd, is op de voltmeter V te zien dat het kristal resoneert.

a.  alleen één piek
b.  alleen één dip
c.  een piek gevolgd door een dip
d.  een dip gevolgd door een piek

d