Sectie 14
-


01

http://www.iwab.nu/H4-119.html
Deze schakeling is een

a   fm detector
b   begrenzer
c   am detector
d   productdetector

c
-


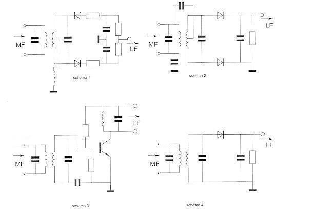
02

http://www.iwab.nu/jj_04_01_001v_001.html
Welk schema stelt een AM-detector voor?

a   schema 3
b   schema 2
c   schema 4
d   schema 1

4
-


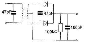
03

http://www.iwab.nu/H4_047.html
Als detector van een AM-ontvanger kan het best de volgende schakeling dienen:

a   2
b   4
c   3
d   1

Figuur 4: Detector van AM-ontvanger heeft 1 diode met een RC filter
-


04

http://www.iwab.nu/H4_050.html
In het uitgangssignaal van de AM-detector komt te veel middenfrequent signaal voor.
Dit is te verbeteren door:

a   de condensator C groter te maken
b   de kringen te dempen
c   de kringen op een lagere middenfrequentie af te stemmen
d   de weerstand R groter te maken
-


05

http://www.iwab.nu/H03_03_033.html
De ingangsspanning Uin is amplitude gemoduleerd.
De uitgangsspanning Uuit is weergegeven door:

a
b
c
d

d er blijft de helft van het am signaal over
-


06

http://www.iwab.nu/jj_04_03_001v_024.html
De schakeling is een bijzondere uitvoering van:

a   een amplitudemodulatie-detector
b   een frequentie-discriminator
c   een fase-discriminator
d   een op het lichtnet aangesloten voedingsschakeling

a
-


08

http://www.iwab.nu/H4-120.html
Flankdetectie wordt veel gebruikt om

a   FM signalen hoorbaar te maken met een AM ontvanger
b   AM signalen hoorbaar te maken met een FM ontvanger
c   EZB signalen hoorbaar te maken met een FM ontvanger
d   CW signalen hoorbaar te maken met een EZB ontvanger

a
-


07

http://www.iwab.nu/H1-077.html
Aan de modulator van een zender wordt een bit stroom toegevoerd.
Als een bit de waarde 1 heeft wordt de frequentie van het uitgezonden signaal 170 ‘Hz lager dan wanneer het bit de waarde 0 heeft.
Deze modulatie heet:

a   QAM
b   FSK
c   4-PSK
b   2-PSK

b
-


09

http://www.iwab.nu/H4_056.html
Om EZB-signalen te detecteren maakt men bij voorkeur gebruik van een:

A. diodedetector
B. Foster Seeley detector
C. productdetector
D. flankdetector

we hebben de modulatie (hf)
we moeten de draaggolf (hf) met een BFO maken
2 hf-signalen invoeren en de spraak eruit halen
dus een productdetector
-


10

http://www.iwab.nu/H4-121.html
Bij demodulatie van enkelzijband signalen wordt goorgaans gebruik gemaakt van een

a   producdetector
b   anodedetector
c   ratiodetector
d   discriminator

we hebben de modulatie (hf)
we moeten de draaggolf (hf) met een BFO maken
2 hf-signalen invoeren en de spraak eruit halen
dus een productdetector
-


11

http://www.iwab.nu/H4_067.html
Deze schakeling is een:

a   mf-versterker
b   product-detector
c   lf-oscillator
d   oscillator

In MF
In BFO
uit LF
-


12

http://www.iwab.nu/H4-122.html
Deze schakeling is een:

a   vermogensbegrenzer
b   dubbelfase gelijkrichter
c   FM detector
d   productdetector
-


13

http://www.iwab.nu/H4-115.html
De zwevingsoscillator (BFO) van een superheterodyne ontvanger werkt meestal op een frequentie dichtbij de frequentie van de:

a   hoogfrequentversterker
b   middenfrequentversterker
c   audioversterker
d   eerste oscillator

bij CW is het verschil 1Khz
stel het MF = 455 Khz
dan is de afstemming 456 Khz
-


14

http://www.iwab.nu/H4_030.html
Van een telegrafie-ontvanger is de middenfrequentie 756 kHz.
Om een A1A-signaal (onderbroken draaggolf) hoorbaar te maken heeft de BFO een frequentie van:

a   756 Khz
b   1 Khz
c   757 Khz
d   776 Khz

De BFO hangt tegen de rx-frequentie - of + BB
het verschil = 1 Khz
-


15

http://www.iwab.nu/H4_028.html028
Om CW-signalen (A1A) hoorbaar te maken maakt men bij voorkeur gebruik van een:

a   produktsetector
b   flankdetector
c   Foster Seeley detector
d   diodedetector

in rx=hf
in BFO=hf (draaggolf maken in ontvanger)
uit = lf
-


16

http://www.iwab.nu/H4_061.html
Met een product-detector worden gewoonlijk de volgende signalen gedetecteerd:

A. EZB en FM
B. FM en AM
C. AM en CW
D. CW en EZB

in rx=hf
in BFO=hf (draaggolf maken in ontvanger)
uit = lf
-


17

http://www.iwab.nu/H4_032.html
Het doel van een FM-detector in een ontvanger is:

a   de frequentiesvariaties van het middenfrequentsignaal om te zetten in laagfrequent
b   het middenfrequentsignaal in amplitude constant te houden
c   de amplitudevariaties ven het middenfrequentsignaal om te zetten in laagfrequent
d   de frequentievariaties in het middenfrequent gedeelte constant te houden

a
-


18

http://www.iwab.nu/H4-123.html
Deze schakeling stelt voor een

a   FM detector
b   SB detector
c   menghtrap
d   begrenzer

a
-


19

http://www.iwab.nu/H4_068.html
Het volgende middenfrequent-signaal wordt toegevoerd aan een FM-detectorschakeling.
Welk uitgangssignaal geeft de detectorschakeling af?

a   signaal 2
b   signaal 1
c   signaal 3
d   signaal 4
PA9JOO

Het getoonde signaal is een voorbeeld van FSK: Frequency Shift Keying.
Daarbij verandert de frequentie sprongsgewijs tussen 2 waarden.
Denk bijvoorbeeld aan RTTY.
Demodulatie van die frequentie-sprongen levert een blokgolf op,

dus signaal 2; antwoord A is GOED
-


20

http://www.iwab.nu/H3-158.html
De schakeling stelt voor:

a   een dubbelzijdige gelijkrichter
b   een FM detector
c   een AM detector
d   een amplitude begrenzer

2 dioden anti parallel
-


21

http://www.iwab.nu/jj_04_03_001v_019.html
Een begrenzer in een 2-meter FM-ontvanger dient voor het begrenzen van de:

A. amplitude van het signaal
B. frequentiezwaai van het signaal
C. laagfrequent bandbreedte van het signaal
D. middenfrequent bandbreedte van het signaal

A
-


22

http://www.iwab.nu/H3_130.html
De begrenzer in een FM-ontvanger begrenst:

a   het frequentieverloop van de oscillator
b   de frequentiezwaai
c   de bandbreedte van het laagfrequent signaal
d   de amplitude van het te detecteren signaal

d
-


23

http://www.iwab.nu/H4_049.html
De squelch-schakeling van een FM-ontvanger onderdrukt het signaal in de:

a.laagfrequentversterker
b.middenfrequentversterker
c.mengtrap
d.hoogfrequentversterker

a
-


24

http://www.iwab.nu/jj_01_10_001V_005.html
Geef het juiste anwoord voor de volgende binaire combinatie 10001110

a   78
b   142
c   156
d   248
   1    0    0    0     1    1     1    0

128
8
4
2
----
142
-


25

http://www.iwab.nu/jj_01_10_001V_004.html
De binaire getallen 1001 en 1110 worden toegevoerd aan een 8 –bits opteller( 8-bits full adder).
Het resultaat van deze bewerking is:

a. 00010111
b. 10011110
c. 00001000
d. 00001111

  1001
  1110
10111
dit is 5 bits

.Voor 8 bits 3 nullen ervoor
8 bits = 00010111
-


26

http://www.iwab.nu/H03_09_018.html
De ontvangst van frequemtie gemoduleerede signalen is weinig gevoelig voor vonkstoring omdat de FM ontvangers

a   frequentie transformartie plaatsvindtt
b   amplitide begrenzing wordt togepast
c   automatische frequentie -bijregeling wordt toegepast
d   automatische volumeregeling wordt toegepast

b   FM wordt omgezet naar AM met daarna AM-detectie , vandaar b
-


27

http://www.iwab.nu/H2_049.html
Flipflop is een andere naam voor

a   analoge serie-parallel omzetter
b   digitale geheugenschakeling
c   elektronische seinsleutel
d   analoge geheugenschakeling

b
-


28

http://www.iwab.nu/jj_02_07_008v_006.html
Een geheugen voor binaire getallen bestaat uit:

a   exclusieve OF-poorten
b   delers
c   optellers
d   flipflops

d
-


29

http://www.iwab.nu/H03_09_004.html
De Engelse afkorting DDS komt overeen met de Nederlandse uitdrukking:

a   digitale frequentiesynthese
b   directe digitale frequentiesynthese
c   diode detector schakeling
d   dubbelzijdig diode systeem

b
-


30

http://www.iwab.nu/H1_062.html
Een reconstructiefilter:

a   wordt veelal toegepast in een DSP-keten
b   is een bandsperfilter
c   is een andere naam voor een anti-alias filter
d   is een hoogdoorlaatfilter....

a
-


31

http://www.iwab.nu/H1_060.html
Het getekende filter is:

a   reconstructiefilter
b   anti-alias filter
c   IIR-filter
d   FIR-filter
-


32

http://www.iwab.nu/H03_09_008.html
Dit blokschema toont een:

a   productdetector
b   amplitude modulator
c   PLL-schakeling
d   digitale VFO

Ik zie een microcontrolller , het zou dus iets digitaals zijn
Ad a Dit is het zeker niet
Ad b nee, geen digitaal iets en AM zit niet bij de eindtrap
Ad c   nee , geen terug-regeling
-


33

http://www.iwab.nu/H3_104.html
Op de plaats van het vraagteken moet worden aangesloten

a   het kloksignaal
b   de voedingsspanning
c   de modulatie
d   de antenne
-


34

http://www.iwab.nu/H03_09_009.html
Een reconstructiefilter is een:

a   bandsperfilter
b   laagdoorlaatfilter
c   hoogdoorlaatfilter
d   notch filter

1 en 4 zijn altijd laagdoorlaatfilters
1= anti alias       2= ADC                               3= DAC        4= reconstructie
-


35

http://www.iwab.nu/H03_09_011.html
Een analoog signal wordt aangeboden aan een ADC
De kwantiseringsruis kan worden verminderd door

a   het ingangssignaal van de ADC te verzwakken
b   de bemonsteringfrequentie te verlagen
c   minder bits per sample te gebruiken
d   meer bits per sample te gebruiken

weinig bits meer ruis
meer bits minder ruis
-


36

http://www.iwab.nu/H03_09_005.html
Een analoog signaal wordt aangeboden aan een ADC.
De nauwkeurigheid van de conversie kan worden vergroot door:

a   het ingangssignaal van de ADC te verzwakken
b   minder bits per sample te gebruiken
c   de bemonsteringsfrequentie te verlagen
d   meer bits per sample te gebruiken

d
-


37

http://www.iwab.nu/H03_09_012.html
De juiste plaats van de ADC in een DSP-systeem is:

a   module 4
b   module 2
c   module 3
d   module 1
1= anti alias       2= ADC                              3= DAC             4= reconstructie
-


38

http://www.iwab.nu/H03_09_001.html
Een geschikte bemonsteringsfrequentie voor een spraaksignaal met frequenties tussen 300 en 3000 Hz is:

a. 1000 Hz
b. 300 Hz
c. 8000 Hz
d. 3000 Hz

Vuistregel
de opname freq is 2x hoger
( de opname freq is 3x hoger )
-


39

http://www.iwab.nu/H1-088.html
Bij het bemonsteren van een spraaksignaal wordt een anti-aliasfilter toegepast.
Dit filter is een:

a   hoogdoorlaatfilter met een kantelfrequentie van 300 Hz
b   banddoorlaatfilter voor de samplefrequentie
c   laagdoorlaatfilter met een kantelfrequentie van 3000 Hz
d   bandsperfilter voor de samplefrequentie

spraak is 3 Kc
-


40

http://www.iwab.nu/H03_09_007.html
De Engelse afkorting “CRC” wordt gebruikt voor:

a   de modulatiemethode van een VCO
b   de foutdetectie in packet radiosystemen
c   het aangeven van de capaciteit van een batterij
d   het in serie schakelen van twee condensatoren en een weerstand

b
-


41

http://www.iwab.nu/H1-114.html
De Cyclic Redundance Check wort gebruikt om te contoleren dat

a   het eind van een tekst is bereikt
b   de maximale berichtlengte niet wordt overschreden
c   de baudsnelheid juist is ingesteld
d   er een overdrachtsfout is opgetreden

d
-


42

http://www.iwab.nu/H1_054.html
Een 8-bits ADC kan een ingangssignaal onderscheiden van maximaal:

a   1024 niveaus
b   64 niveaus
c   256 niveaus
d   8 niveaus
-


43

http://www.iwab.nu/H1-115.html
Het bit met de hoogde waarde is aangegeven met MSB en het bit met de laagste waarde met LSB
Onderstaande tekening is een

a binaire opteller
b   ADC
c   DAC
d   digitaal filter

c
-


44

http://www.iwab.nu/H03_09_013.html
Dit schema toont

a   een geschakelde voeding
b   digitale signaal verwerking als toegepast bij een DSP
c   een produktfetector
d   digitaal filter

b
-


45

http://www.iwab.nu/H03_09_006.html
Kies uit de afkortingen de modulatievorm voor digitale signalen:

A. 2-PSK
B. AM
C. EZB (SSB)
D. FM

A de rest is spraak
-


46

http://www.iwab.nu/H1-080.html
Een specifieke modulatievorm voor digitale signalen is:

a   AM
b   EZB (SSB)
c   2-PSK
d   FM

c e rest is spraak
-


47

http://www.iwab.nu/H1_023.html
Een bitstroom wordt in FSK gemoduleerd met een shift van 170 Hz en een symboolsnelheid van 50 baud
De benodigde bandbreedte van het uitgezonden signaal is in de praktijk

a      50 Hz
b   8500 Hz
c     250 Hz
d     170 Hz

Ik heb een auto van 170cm breed
kan ik in de garage van 170cm breed?
Jazeker maar met moeite
of in eentje van 250cm breed ?
een stuk makkelijker
-


48

http://www.iwab.nu/H1_018.html
Een bitstroom wordt in 4-PSK gemoduleerd
Als de bitsnelheid 4800 bits,s is, is de symboolsnelheid

a   1200 baud
b   2400 baud
c   9600 baud
d   4800 baud

4-PSK 2bits

4800 / 2 = 2400
--------------------------------
bij 4-PSK worden 2 bits verzonden,
bij QAM worden er 4 bits verzonden
-


49

http://www.iwab.nu/H03_09_014.html
Welke afkorting wijst op fasemodulatie door een digitaal signaal

a   CW
b   FM
c   AM
d   2-PSK

d de rest is spraak
-


50

http://www.iwab.nu/H03_09_015.html
Een bitstroom wordt in 16-QAM gmoduleerd
Als de bitsnelheid 9600 bit/s is , is dsymboolsnelheid ?

a   2400 baud
b   600 baud
c   38400 baud
d   9600 baud

QAM = 2Ʌ2
16QAM = 16 =4 = 4
9600 / 4 =2400
-


51

http://www.iwab.nu/H03_09_016.html
Bij de mudulatiewijze QAM waarbij 16 toestanden worden onderscheiden , is het aantal bits per symbool

a   16
b   4
c   2
d   8

QAM = 2Ʌ2
16QAM = 16 =4 = 4
-


52

http://www.iwab.nu/H03_09_016.html
in het ASCI-alfabet wordt elk teken weergegeven door 7 bits
Aan elk teken wordt een pariteitsbit toegevoegd
Een teks van 6000 asci-tekens wordt in 1 minuut vwerzonden
De bitsnelheid is

a   700 b/s
b   48000 b/s
c   800 b/s
d   100 b/s

6000 tekens in 60scd
6000/60 = 100 tekens per sec
??