Sectie 12
-


01

http://www.iwab.nu/jj_02_07_008v_005.html
Van een lineaire versterker kan worden gezegd:

a   deze wordt niet voor AM-gemoduleerde signalen toegepast
b   deze versterker heeft altijd een rendement van 50%
c   de vorm van de uitgangsspanning is gelijk aan die van de ingangsspanning
d   deze wordt alleen voor FM-gemoduleerde signalen toegepast

c
-


02

http://www.iwab.nu/H2-261.html
Een amplitude gemoduleerd signaalkan onvervormd worden versterkt door

a   een frequentievermenigvuldiger
b   een lineaire versterker
c   een versterker in klasse C
d   een niet-lineaie versterker

is klasse A
-


03

http://www.iwab.nu/jj_09_02_001v_021.html
Aan de uitgang van een lf-versterker kunnen harmonischen van het ingangssignaal verschijnen wanneer:

a   de bandbreedte beperkt is
b   er parasitaire capaciteiten aanwezig zijn
c   de versterking bij alle fequenties niet even groot is
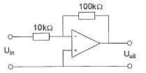
d   de versterker niet lineair is

agv niet lineaire versterking treedt er bij oversturing vervorming op
-


04

http://www.iwab.nu/jj_09_02_001v_014.html
Aan de uitgang van een lf-versterker kunnen harmonischen van het ingangssignaal verschijnen wanneer:

a   de versterker overstuurd wordt
b   de versterking bij alle fequenties niet even groot is
c   de bandbreedte beperkt is
d   er parasitaire capaciteiten aanwezig zijn

agv niet lineaire versterking treedt er bij oversturing vervorming op
-


05

http://www.iwab.nu/H2_06_ABC_029.html
In een laagfrequent versterker , ingesteld in klasse A , kunnen harmonischen ontstaan door

a   te kleine uitsturing
b   te grote paracitaire capaciteiten
c   te grote uitsturing
d   te lage inwendige weerstand van de voeding

te grote uitsturing geeft vervorming
-


06

http://www.iwab.nu/H9_024.html
Als een niet-liniaire zenderversterker gebruikt wordt voor EZB-telefonie dan:

a   wordt de zijband omgekeerd
b   wordt de verstaanbaarheid verbeterd
c   wordt de bandbreedte kleiner
d   ontstaat er vervorming

d
-


07

http://www.iwab.nu/H1_049.html
Een versterker heeft een bandbreedte van 1 Mhz.
Als twee van deze versterkers achter elkaar worden geschakeld dan zal de bandbreedte:

a   iets kleinder worden
b   gelijk blijven
c   iets groter worden
d   verdubbelen

a
-


08

http://www.iwab.nu/H4-070.html
Om een ontvanger zo te verbeteren dat hij zwakke signalen goed hoorbaar maakt, moet men zorgen dat hij:

a   meer audiovermogen krijgt
b   een betere hf versterkingsregeling krijgt
c   nauwkeuriger kan worden afgestemd
d   intern minder ruis opwekt

d
-


09

http://www.iwab.nu/H4-118.html
De hf versterkerttrap van en duperhetrodyne ontvanger dient een versteeking te hebben van

a   zo hoog mogelijk is
b   afhangt van de bandbreedte van de MF versterker
c   voldoende is om zwakke signalen te versterken tot boven het ruisnmiveau van de mengtrap
d   voldoende is om zwakke signalen te versterken tot boven het ruisnmiveau aan de ingang van de ontvanger

c
-


10

http://www.iwab.nu/H03_06_016.html
Het aanbrengen van meekoppeling in een versterker kan tot gevolg hebben dat:

a.  de versterker ongevoeliger wordt
b.  de versterker gaat oscilleren
c.  de vervorming afneemt
d.  de versterker stabieler wordt

b
-


11

http://www.iwab.nu/056-011.html
Bij het openen van schakelaar S veranderen de genoemde versterker eigenschappen

a   versterking groter    vervorming groter
b   versterking groter    vervorming kleiner
c   versterking kleiner   vervorming groter
d   versterking kleiner   vervorming kleiner

d
-


12

http://www.iwab.nu/056_003.html
Een versterker heeft de gegeven amplitude/frequentie-karakteristiek.
De versterker is ontworpen als:

a  versterker voor alle frequenties tot 100 Mhz
b   lf-versterker
c   hf-versterker op 10 Mhz
d   vhf-versterker op 100 Mhz

Op 10 Hz werkt dit filter al
tot 10 tot de vijfde macht = 100000 Hz = 100 Khz 
Dus LF
-


13

http://iwab.nu/034_001.html
Een voorversterker voor de twee meter amateurband heeft minimaal een bandbreedte van:

a   2 meter
b   2 Mhz
c   146 Mhz
d   144 Mhz

2 meter is de golflengte bij de frequenties tussen de 144 Mhz en de 146 Mhz
2 Mhz is de totale bandbreedte van 144 Mhz tot 146 Mhz
146 Mhz is de bovengrens van de 2-meterband
144 Mhz is de ondergrens van de 2-meterband
-


14

http://www.iwab.nu/056-009.html
Een lf-versterker, die frequentie-lineair is tussen f1 en f2, heeft de:

a. karakteristiek 2
b. karakteristiek 3
c. karakteristiek 1
d  karakteristiek 4

2
-


15

http://www.iwab.nu/014_030.html
Welke frequentie karakteristiek behoort bij een VHF-voorversterker ?

a   karakteristiek 1
b   karakteristiek 2
c   karakteristiek 3
d   karakteristiek 4

karakteristiek 1 = bandsper op 10.7 Mhz
karakteristiek 2 = doorlaat op 140 Mhz = 2 meter
karakteristiek 3 = LF-doorlaat(spraak)
karakteristiek 4 = overkritische doorlaat  op 10.7 Mhz
-


16

http://iwab.nu/034_002.html
In een versterker wordt de 80-meterband (3.5-3.8 Mhz) in zijn geheel versterkt.
De bandbreedte van de versterker moet minimaal zijn:

a   300 Khz
b   3.5 Mhz
c   600 Khz
d   3.8 Mhz

De band begint bij  3. 5 Mhz = 3500 Khz
De band eindigt bij  3.8 Mhz = 3800 Khz

Het verschil is 300 Khz, dus dat is de bandbreedte ninimaal
-


17


http://www.iwab.nu/020_005.html
Een mf-versterker met deze frequentiekarakteristiek heeft een 3 dB bandbreedte van:

a   2000 Hz
b   3600 Hz
c   3000 Hz
d   4000 Hz

-3 dB bij - 1500 Khz
-3 dB bij  +1500 Khz
BB = tussen deze punten = 3 Kc
-


18

http://www.iwab.nu/056_007.html
De beste schakeling voor de ingang van een hoogfrequent versterker is:

a   schakeling 1
b   schakeling 3
c   schakeling 2
d   schakeling 4

2
-


19

http://www.iwab.nu/H2_06_ABC_022.html
De eindtrap van de zender is ingesteld in:

a   klasse C
b   klasse B
c   klasse A/B
d   klasse A

Er is geen voorspanning op de ingang van de transistor
-


20

http://www.iwab.nu/056_008.html
Dit is een schema van:

a  een balansmodulator
b   een If-eindversterker
c   een frequentiemodulator
d   een hf-eindversterker

b
-


21

http://www.iwab.nu/H2-202.html
Op de ingang van een frequentievermenigvuldiger met een transistor wordt een sinusvormig signaal aangebracht.
Welke vorm heeft de collectorstroom ?

a
b
c
d

b
-


22

http://www.iwab.nu/041_006.html
De versterking van de schakeling is:

A. 0,1x
B. 10x
C. 11x
D. 10.000x

10 / 1000 = 0.1
waarbij een positief getal aan de ingang, een negatief getal van 1/10 aan de uitgang wordt
waarbij een negatief getal aan de ingang, een positief getal van 1/10 aan de uitgang wordt
-


23

http://www.iwab.nu/041_004.html
De uitgangsspanning Uuit is:

a   +4.7 V
b   -5.7 V
c   +5.7 V
d   -4.7 V

INVERTOR dus Spanning keerd om
A =  47/10 = 4.7
4.7*+1 = 4.7 maar dan negatief -4.7 V
-


24

http://www.iwab.nu/041_008.html
Dit is een schema van een:

a   hoogdoorlaatfilter
b   laagdoorlaatfilter
c   modulator
d   verschilversterker

Door een C gaat geen lf
Door een C gaat hf
-


25

http://www.iwab.nu/041-016.html
De schakeling stelt voor een:

a   spanningsvolger
b   hoogdoorlaatfilter
c   somversterker
d   laagdoorlaatfilter

C laat hoog door
-


26

http://www.iwab.nu/042_001.html
De Versterking van de schakeling is:

a   0.1
b   11
c   10000
d   10

A = 1 + [R2 / R1]
R2 is hier 100 K

R1 ,ervoor, is hier 10 K
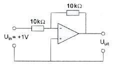
-


27

http://www.iwab.nu/041_001.html
De uitgangsspanning Uuit,  is ongeveer:

a   0 V
b   1 V
c   2 V
d   0.7 V

A =  R2 / R1

A1 = 1 K/ 2K = 0.5   geeft Uuit van 0.5*Uin1 = -1Volt

A2 = 1K/ 3K = 0.333   geeft Uuit van 0.333 *-5 = +1.66 V negatief

A1+A2 = -1+1.66 =ca 0.7 V

INVERTEREN, de spanning wordt omgedraaid
---------------------------------------------------------------------------------------------
Extra uitleg:

Uuit1 = 1k / 2k = 0,5 x +2 = 1V maar wordt omgekeerd = – 1V

Uuit2 = 1k / 3k = 0,33 x -5 = – 1,66V maar wordt omgekeerd = + 1,66V
1,66 – 1 = 0,66V
-


28

http://www.iwab.nu/041-015.html
De schakeling stelt voor een:

a   hoogdoorlaatfilter
b   laagdoorlaatfilter
c   verschilversterker
d   modulator

U1 geinverteerd aan de uitgang
U2 is U2+1         aan de uitgang
-


29

http://www.iwab.nu/042_002.html
De uitgangsspanning Uuit is:

a   -1 V
b   +6.6 V
c   +1 V
d   -5.6 V

Dit is een inverter
In op de min , draait de polariteit aan de uitgang om

Versterking =
A=R2/R1 = 5.6 keer

Uitgang = -( 5.6 x 1 )= -5.6 V
-


30

http://www.iwab.nu/042-006.html
De schakeling stelt voor een

a   spanningsvolger
b   somversterker
c   detector
d   verschilversterker

geeft een versterking van 1
hoge Z in
lage Z uit
dus spanninghsvolger
-


31

http://www.iwab.nu/041_002.html
De uitgangsspanning Uuit is:

a   0 V
b   -2 V
c   -1 V
d   +1 V

A =  R2 / R1
A = 10K / 10K =1
-


32

http://www.iwab.nu/041_003.html
De spanning Uuit is:

a    0 V
b   -2 V
c   -1 V
d   +1 V

A =  R2 / R1

A = 100 K / 100 K = 1 dus -1 V voor de eerste ingang
A = 100 K / 100 K = 1 dus -1V voor
                                          -2 V
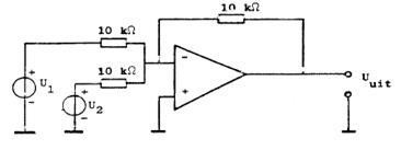
-


33

http://www.iwab.nu/041-011.html
De uitgangsspanning Uuit is:

a   Uuit = U1 -  U2
b   Uuit = -(U1 + U2)
c   Uuit =n U2 –U1
d   Uuit = U1 + U2

+ U1  aan de ingang geeft 1/10V geinverteerd aan de uitgang  = -U1
nog een keer
+ U2  aan de ingang geeft 1/10V geinverteerd aan de uitgang  = -U2
-U1+-U2    >>> -(U1 + U2)
-


34

http://www.iwab.nu/041_009.html
Dit is het schema van een:

a   verschilversterker
b   laagdoorlaatfilter
c   modulator
d   hoogdoorlaatfilter

Door een C gaat geen lf
Door een C gaat hf
-


35

http://www.iwab.nu/jj_03_04_002v_006.html
De open-lus versterkingsfactor van een OpAmp bij een frequentie van 1 kHz is in de praktijk ongeveer:

A. 10
B. 100
C. 1.000
D. 100.000  

De versterking is erg groot
-


36

http://www.iwab.nu/041_005.html
Dit is het schema van een:

A. hoogdoorlaatfilter
B. laagdoorlaatfilter
C. spanningsvolger
D. somversterker

Door een C gaat geen lf
Door een C gaat hf
-


37

http://www.iwab.nu/jj_03_04_002v_004.html
De uitgangsimpedantie van een ideale OpAmp is:

a   circa 100 Ohm
b   circa 1000 Ohm
c   zeer hoog
d   zeer laag

Zin = hoog
Xuit = laag
goed als bufferversterker
-


38

http://www.iwab.nu/041_007.html
De versterking van de schakeling is:

a   11
b   0.1
c   10
d   10.000

A =- R2/R1   100/10 =-10keer
-


39 = 27
-


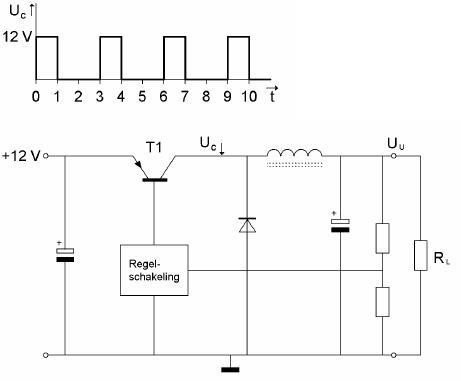
40

http://www.iwab.nu/jj_03_03_004v_010.html
De schakelende voeding wordt normaal belast door RL.
De spanning Uc heeft de getekende golfvorm.

Uu is:
A. 4 V
B. 8 V
C. 12 V
D. 24 V

Blokspanning
1/3 x 12 = 4 V
-


41

http://www.iwab.nu/H2_018.html
De uitgangsspanning Uuit van de schakeling met een SI-transistor is ongeveer

a   5.6 V
b   8.4 V
c   6.2 V
d   5.0 V

op de basis 5.6v

diode overgang 0.6 V

5.6-0.6=5v
-


42

http://www.iwab.nu/H3_030.html
De schakelende voeding wordt belast door Rl
T1 werkt als een schakelaar. open of dicht
de basisstroom van T1 ziet er zo uit

Uuit is ongeveer
a   24 V
b   4 V
c   -12 V
d   12 V

PNP     Negatief aangestuurd
-


43

http://www.iwab.nu/H03_03_022.html
Een schakelende voeding heeft ten opzichte van een voeding met een vermogenstransistor als serie-regelaar het voordeel dat:

a   de kans op radio storing kleiner is
b   een eenvoudiger regelschakeling kan worden toegepast
c   onbelast geen energie wordt gebruikt
d   het rendement hoger is

d
-


44

http://www.iwab.nu/039_002.html
De uitgangsspanning Uuit van de sc hakeling met een slilicium transistoris ongeveer

a   6.3 V
b   7 V
c   7.7 V
d   8.4 V

op de basis 7 V
verlies over Tr 0.7 V

>>>>> 7-0.7 = 6.3 V
-


45

http://www.iwab.nu/jj_03_03_004v_009.html
De schakelende voeding wordt belast met RL.
T1 werkt als een schakelaar: open of dicht.
De spanning UC heeft de getekende golfvorm.
UU is ongeveer:

a   8 V
b   12 V
c   24 V
d   6 V

Kijk maar eens bij de blokspanningen

Er wordt 12 volt aangelegd.
De elco wordt opgeladen tot circa 12 Volt.
Als de transistor in werking treedt, gaat deze geleiden en gaat er een grote stroom door de spoel lopen.
Als deze transistor afschakelt, stopt de stroom maar zal de spanning over de spoel oplopen door de energie die nog in de spoel zit.
Deze oplopende spanning zal bovenop de 12 V aangelegde spanning gezet worden.
-


46

http://www.iwab.nu/H03_03_013.html
Dit is het schema van een:

A. LF-eindversterker
B. zendereindtrap
C. gestabiliseerde voeding
D. balans modulator

c
-


47

http://www.iwab.nu/H3_136.html
De vermogensversterker is geschikt voor:

A. morsetelegrafie (draaggolf aan/uit)   
B. enkelzijbandmodulatie zonder draaggolf
C. amplitudemodulatie (0-100% modulatie)
D. dubbelzijbandmodulatie zonder draaggolf

B
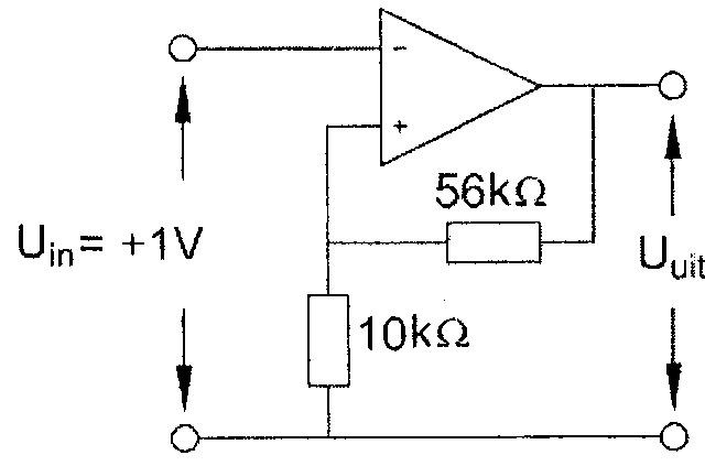
-


48

http://www.iwab.nu/H3-178.html
De uitgangsspanning Uuit is

a   +1v
b   -1v
c   +12v
d   0v

de uitgang = +1V