Onderstaande onderdelen moet je in een blokschema kunnen vinden.
HF-versterker smalband of breedband
-- versterkt het gewenste signaal aan de ingang van de RTX.
--- er is voorselectie en filtering van de signalen.
Oscillatort vast of variabel
Figuur 1
┘
Hf-versterker.
Oscillator [vast en variabel]
Mengtrap.
Middenfrequentversterker
Detector
Zwevings-oscillator [BFO]
Lf-versterker.
Automatische versterkingsregeling. ( AVR )
Ruisonderdrukker [squelch] (alleen doel)
Voeding.
--- maakt een wisselspanningssignaal
--- kan vast zijn, voor 1 frequentie
--- kan variabel zijn, voor een stukje band
Mengtrap.
Een mixerschakeling, of mengtrap, is een bouwblok gebruikt in de elektronica om een signaal van de ene naar een andere frequentie om te zetten.
Een mengtrap mengt de twee frequenties.
(f1 en f2) aan de ingang tot f1 + f2 en f1 - f2 aan de uitgang.
Middenfrequentversterker
De middenfrequentversterker doet hetzelfde als een Hf-versterker, maar op het Mf
--- 10.7 Mhz
--- 455 Khz
Figuur 2
Figuur 3
Figuur 4
Figuur 5
Detector.
Een detector haalt de modulatie uit het ontvangen gemoduleerd signaal.
demodulatie
maakt spraak hoorbaar uit Hf Mf.
AM = diode
FM = discriminator
Zweving-oscillator [BFO] & .Productdetector.
De BFO reconstrueert een draaggolf bij EZB en maakt de geschakelde draaggolf in CW hoorbaar.
De detector doet niks anders dan f1+f2 en f1-f2 waarna deze gemengd wordt met een laag doorlaat-filter voor demodulatie.
LF-versterker
Versterkt de audio.
Figuur 6
Figuur 7
Figuur 8
Figuur 9
Automatische vesterker regeling [AVR]
Het gemiddelde uitgangssignaal wordt teruggevoerd naar de ingang zodat we dmv versterking [of niet] een goed uitgangssignaal hebben.
Ruisonderdrukker squelch
De ruisonderdrukker kijkt of het signaal boven een bepaalde (vaak instelbare) drempel uitkomt.
Is dit het geval dan wordt het Lf-signaal aan de Lf-versterker doorgegeven.
Is dit niet het geval dan gebeurt dit niet en komt er dus geen geluid uit de luidspreker.
Hiermee voorkomt men dat een ontvanger hinderlijk staat te ruisen als er geen signaal is.
De ruisonderdrukker is meestal te vinden tussen de detector en de LF-versterker.
Figuur 11
Figuur10
Voeding
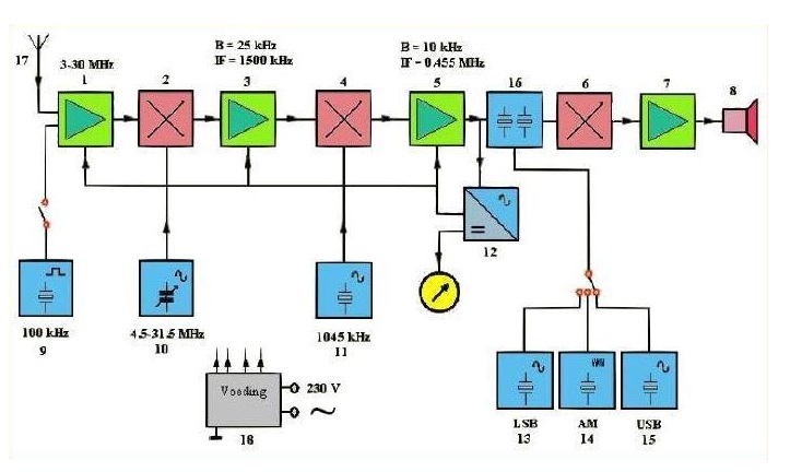
Voorbeeld ontvanger

1. Hoogfrequentversterker.
De hoogfrequentversterker geeft al aan dat de ontvanger bedoeld is voor 3-30 MHz, alle HF signalen in dit gebied zullen versterkt worden.
De Hf-versterker dient het hoogfrequente antennesignaal ( 0,1 a 10 uV) te versterken, d.w.z. in amplitude te vergroten (een factor 100 a 1000).
2. Mengtrap of mixer
In een mengtrap worden twee wisselspanningssignalen met elkaar gemengd.
Het resultaat is een aantal frequenties aan de uitgang.
De twee oorspronkelijke frequenties: fHf en fosc en de som- en verschilfrequentie van deze twee: fHf - fosc en fHf + fosc
De middenfrequenttrap selecteert de verschilfrequentie fHf - fosc eruit, maar dit kan ook al in de mengtrap plaatsvinden als aan de uitgang een filter aanwezig is, dat op deze frequentie is afgestemd
Een mengtrap of mixer heeft twee ingangen en een uitgang: een ingang voor het versterkte antenne signaal, een ingang voor het oscillatorsignaal en een uitgang voor de mengproducten of als de filtering al plaats heeft gevonden, het signaal met de verschilfrequentie.
3. Middenfrequentversterker
Is de eerste m.f. versterker, bandbreedte 25 kHz en de doorlaatfrequentie is 1,5 MHz.
De middenfrequentversterker doet hetzelfde als een Hf-versterker, alleen op een andere in het algemeen beduidend lagere frequentie, op de middenfrequentie
Veel gebruikte middenfrequenties zijn 455 kHz en 10,7 MHz
Doordat deze frequentie relatief laag is, is er een hoge selectiviteit te realiseren, die nog verbeterd kan worden door de toepassing van een kristal-, mechanisch- of keramisch- filter
Dit filter moet natuurlijk passen bij de bandbreedte van de toegepaste modulatie, CW: 250 a 500 Hz, EZB: 3000 Hz, AM: 6 kHz en FM: 12 kHz (afhankelijk van de kanaalafstand behorend bij de toegepaste frequentiezwaai).
4. Is een mengtrap
die de doorlaatfrequentie omlaag brengt naar 455 KHz met een band breedte van 10 kHz.
5. MF versterker
Dit is weer een m.f. versterker op 0,455 MHz.
6. Mengtrap
bedoelt om een enkelzijband signaal of c.w. signaal te detecteren
De beat-oscillator heeft met behulp van kristallen een vaste frequentie.
7. Lf-versterker
In deze versterker wordt het audiosignaal op een niveau gebracht, waarbij dit signaal krachtig genoeg is om de conus van de luidspreker te bewegen
Moderne ontvangers zijn ook nog extra uitgerust met DSP filters voordat het LF signaal aan de lf-versterker wordt aangeboden
Hierbij bedoelen we het laagfrequent DSP dat anders is als het middenfrequent DSP, sommige zendontvangers hebben beide.
8. Luidspreker of koptelefoon
9. Oscillator
Dit is een ijk oscillator op 100 kHz, die in dit geval blokgolven produceert, waardoor ook op de hogere frequenties een goed ijk signaal aanwezig is om de ontvangst frequentie te kunnen ijken.
10. Oscillator
Produceert een wisselspanningssignaal, in dit geval een Hf-wisselspanningssignaal
Indien men slechts een frequentie wenst te ontvangen, kan men een oscillator met een vaste frequentie toepassen
Een kristal is dan vaak het frequentiebepalende element
Wil men alle frequenties kunnen ontvangen in een bepaalde band dan moet men gebruik maken van een oscillator met een variabele frequentie
In deze oscillator is een af te stemmen kring het frequentie bepalende element
De resonantiefrequentie van deze kring kan gevarieerd worden door de capaciteit of de zelfinductie van de kring te variëren
Een oscillator heeft geen ingang maar slechts een uitgang ten behoeve van het opgewekte wisselspanningssignaal.
11. Mengoscillator
kristal gestuurd, om het 1e m.f. omlaag te mengen naar 455 kHz.
12. Detectie
systeem die van het h.f. signaal omzet naar een gelijkspanning, die evenredig is met de sterkte van het signaal
Hierop kan dan een S-meter worden aangesloten
Tevens wordt met deze spanning de m.f. en voorversterker mee geregeld om oversturing te voorkomen.
13. AM en EnkelzijBand Modulatie
De productdetector wordt zowel voor de detectie van EZB als AM toegepast. Een productdetector is opgebouwd uit een mixer en een oscillator
De oscillator wekt een signaal op met een frequentie die past bij de draaggolf van het EZB-signaal
Het middenfrequent EZB-signaal wordt toegevoerd aan de mixer
Hetzelfde gebeurt met het oscillatorsignaal
De verschil-frequentie is dan het gewenste audiosignaal.
14. Productdetector AM
15. Productdetector USB
16 Kristalfilter
Dit is een omschakelbaar kristalfilter, bedoeld voor de hoge of de lage zijband.
17. Antenne
18. Voeding
-
Figuur 12
Figuur 13
┘