125

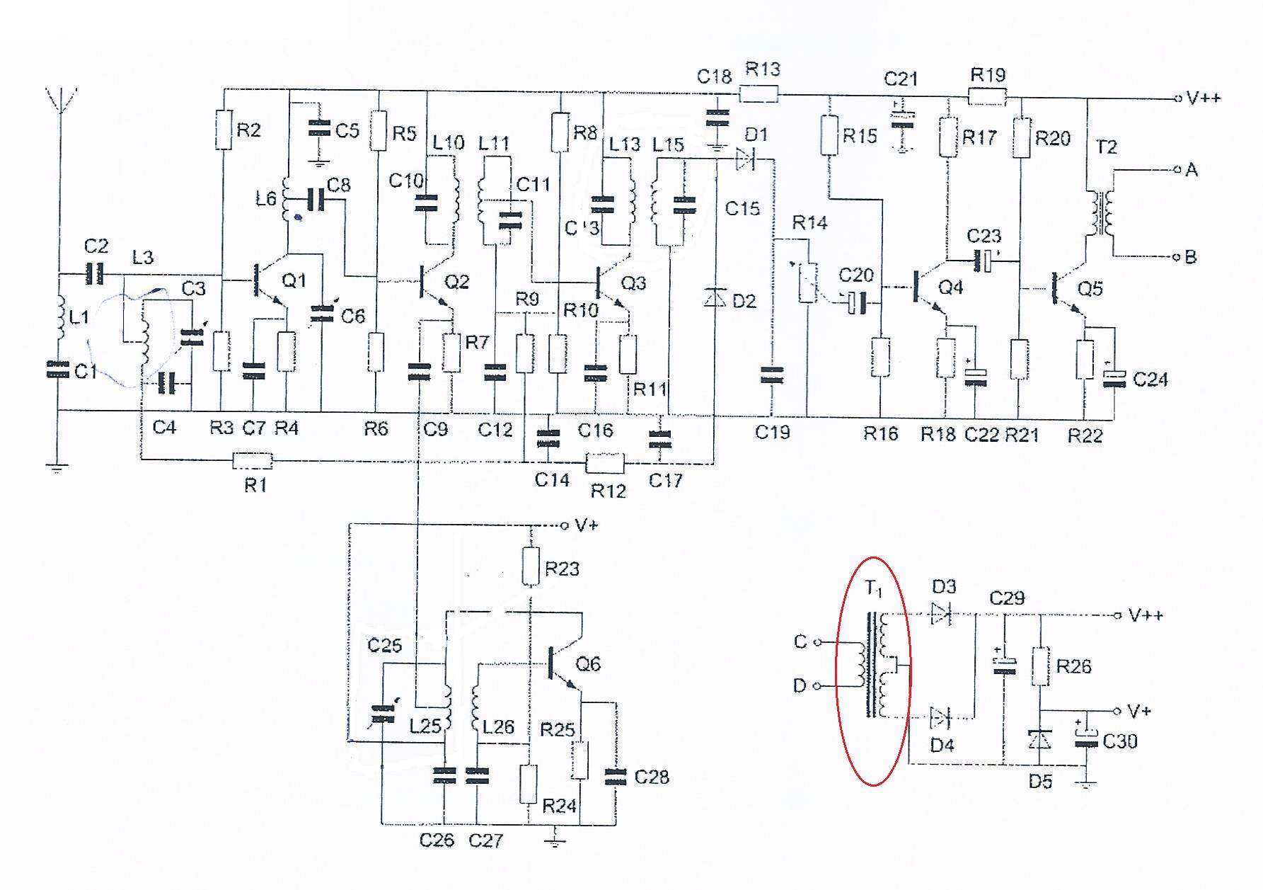
De transformator T1 dient voor het:

a  
verkrijgen van de gewenste voedingsspanning
b   aanpassen van de antenne
c   aanpassen van de luidspreker
d   oprekken van de BFO-spanning

03