114

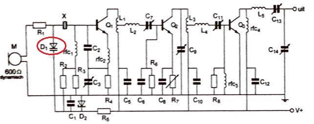
De diode D1 is een:

a   gelijkrichtdiode
b   zenerdiode
c  
varicapdiode (capaciteitsdiode)
d   LED
03