004

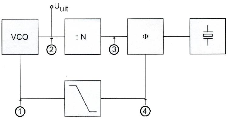
De PLL wekt een in stappen van 12,5 KHz instelbare gemiddelde frequentie op.
Het uitgangssignaal Uuit., wordt in frequentie gemoduleerd door een audiosignaal.
Het juiste aansluitpunt voor het audiosignaal is:

a   punt 3
b   punt 4
c  
punt 1
d   punt 2
H03 07   Regel-lus