001

Een batterij is opgebouwd uit oplaadbare cellen van 1.2 V en een capaciteit van 0.5 Ah
Een draagbare zendontvanger neemt bij 7.2 V gemiddeld 0.7 A op

Het aantal cellen dat nodig is om deze zendontvanger gedurende 1 uur kunnen gebruiken bedraagd
a     2
b   12
c     6
d   14


002

De ontvangst van 2-metersignalen in een betonnen gebouw is slechter dan daarbuiten, omdat

a   het beton radiogolven niet doorlaat
b   het betonijzer een min of meer gesloten ruimte vormt
c   het betonijzer geaard is
d   beton een slechte geleider is
-


003

Tijdens het moduleren van een FM-telefoniezender met een toon van constante amplitude varieert

a   de frequentiezwaai van het uitgezonden signaal
b   de frequentie en de amplitude van het uitgezonden signaal
c   de amplitude van het uitgezonden signaal
d   de frequentie van het uitgezonden signaal
-


004

Het bit met de hoogste waarde is aangegeven met MSB en het bit met de laagste waarde met LSB
Onderstaande tekening is een

a   binaire opteller
b   ADC
c   DAC
d   digitaal filter
-


005

Een oscilloscoop. aangesloten op de antenne-aansluiting van een zender welke gemoduleerd is met spraak, vertoont dit beeld
Dit is

a   een FM-zender
b   een EZB-zender met onderdrukte draaggolf
c   een AM-zender
d   een EZB-zender met volle draaggolf
-


006

De gelijkspanningcomponent van dit signaal is ?

a   3 V
b   6 V
c   2 V
d   4 V
-


007

Een amplitudegemoduleerde zender wordt met een laagfrequenttoon 100% gemoduleerd.
De Peak Envelope Power [PEP] is 200 Watt

Het draaggolfvermogen is dan:

a   200 W
b     50 W
c   100 W
d     25 W
-


008

Sleutelklikken kunnen worden verminderd door tussen de seinsleutel en de zender op te nemen

a   schakeling 3
b   schakeling 1
c   schakeling 2
d   schakeling 4
-


009

Een voordeel van amplitudemodulatie ten opzichte van enkelzijbandmodulatie is

a   minder vervorming door frequentie-afwijkingen
b   minder vervorming door draaggolf-interferentie
c   minder vervorming door selectieve fading

-


010

Een voordeel van enkelzijbandmodulatie vergeleken met frequentiemodulatie is

a   er is ruimte voor meer zenders per 100 Khz spectrum
b   de eindtrap van de zender kan in klasse C worden ingesteld
c   atmosferische storingen zijn minder hinderlijk
-


011

Een FM-zender geeft een draaggolfvermogen af van 10 Watt en is belast met een gloeilamp van 15 Watt
De zender wordt met spraak gemoduleerd
Deze lamp zal

a   constant gloeien
b   in het spraakritme feller gloeien
c   alleen tijdens het spreken gloeien
d   niet gloeien
-


013

De zwevings-oscillator [BFO] van een superheterodyne-ontvanger is nodig bij de ontvangst van

a   FM[F3E]
b   AM[A3E]
c   CW[A1A]
-


012

De modulatiemethode voor spraak met de kleinste bandbreedte is

a   frequentiemodulatie
b   enkelzijbandmodulatie
c   dubbelzijbandmodulatie
d   fasemodulatie
-


014

In de UHF-band ligt de frequentie

a   136 KHz
b   144 Mhz
c   432 Mhz
-


015

Een symmetrisch blokvormig signaal, met een grondfrequentie van 1000 Hz, bevat onder meer de volgende harmonischen:

a   3000 Hz , 5000 Hz en 7000 Hz
b   2000 Hz , 3000 Hz en 4000 Hz
c    500 Hz ,  1000 Hz en 2000 Hz
d    100 Hz ,    300 Hz en   900Hz
-


016

Het zendvermogen van een 2-meter FM-telefoniezender is:

a   afhankelijk van de amplidude en de frequentie van het modulerend signaal
b   afhankelijk van de amplitude van het modulerend signaal
c   onafhankelijk van de amplitude van het modulerend signaal
d   afhankelijk van de frequentie van het modulerend signaal
-


017

Een batterij is opgebouwd uit oplaadbare cellen van 1.2 V en een capaciteit van 0.5 Ah
Een draagbare zendontvanger neemt bij 7.2 V gemiddeld 0.7 A op
Hoeveel cellen hebben we nodig om deze zendontvanger minimaal 1 uur te kunnen gebruiken?

a   12
b   6
c   2
d   14
-


018

Een bitstroom wordt in 4-PSK gemoduleerd
Als de bitsnelheid 4800 bits,s is, is de symboolsnelheid

a   1200 baud
b   2400 baud
c   9600 baud
d   4800 baud
-


019

Sleutelklikken kunnen worden verminderd door tussen de seinsleutel en de zender op te nemen

a   schakeling 1
b   schakeling 3
c   schakeling 2
d   schakeling 4
-


020

De amplitude van de wisselspanning is

a   T/2
b   T
c   U1
d   U2
-


021

Een zender werkt met een klasse van uitzending F3E [FM]
Het gemiddelde vermogen dat door de eindtrap aan de antenne-inrichting wordt afgegeven bedraagt 8 Watt
Volgens de gebruikersbepalingen is het zendvermogen

a   4 Watt
b   16 Watt
c   1 Watt
d   8 Watt
-


022

Bij de modulatiewijze QAM, waarbij 16 toestanden worden onderscheiden, is het aantal bits per symbool

a   16
b   4
c   2
d   8
-


023

Een bitstroom wordt in FSK gemoduleerd met een shift van 170 Hz en een symboolsnelheid van 50 baud
De benodigde bandbreedte van het uitgezonden signaal is in de praktijk

a      50 Hz
b   8500 Hz
c     250 Hz
d     170 Hz
-


024

Een bitstroom wordt in 16-QAM gemoduleerd
Als de bitsnelheid 9600 bits/s is, is de symboolsnelheid

a   38400 baud
b   600 baud
c   2400 baud
d   9600 baud
-


025

De Cyclic Redundance Check wort gebruikt om te contoleren dat

a   het eind van een tekst is bereikt
b   de maximale berichtlengte niet wordt overschreden
c   de baudsnelheid juist is ingesteld
d   er een overdrachtsfout is opgetreden
-


026

Een van de voordelen van een FM-zender is

a   dat alle hf-versterkertrappen in klasse B of C kunnen worden ingesteld
b   dat de draaggolf onderdrukt is, waardoor meer vermogen voor de zijbanden
c   dat de bandbreedte klein is
d   dat een grote frequentiestabiliteit van de zendfrequentie wordt verkregen
-


027

De polarisatierichting van een radiogolf

a   wordt in eerste instantie bepaald door de ontvangantenne
b   is altijd evenwijdig aan de aarde
c   is altijd loodrecht op de aarde
d   wordt in eerste instantie bepaald door de zendantenne
-


028

Een nadeel van enkelzijbandmodulatie ten omzichte van amplitudemodulatie is:

a   meer vervorming door onjuiste afstemming
b   plaats voor minder zenders in de banden
c   meer vervorming door selectieve fading
d   meer vervorming door draaggolf interferentie
-


029

Een analoog signaal wordt aangeboden aan een ADC.
De nauwkeurigheid van de conversie kan worden vergroot door:

a. minder bits per sample te gebruiken
b. de bemonsteringsfrequentie te verlagen
c. het ingangssignaal van de ADC te verzwakken
d. meer bits per sample te gebruiken
-


030

Een ideale enkelzijbandzender wordt met één sinusvormige toon van 1000 Hz uitgestuurd.
Het uitgangssignaal wordt op een oscilloscoop zichtbaar gemaakt.
Het juiste beeld is:

a. beeld  2
b. beeld  1
c. beeld  4
d. beeld  3
-


031

Om uitstraling van harmonischen door een zender te beperken wordt in de zenderuitgang een filter opgenomen
Dit moet zijn

a   hoogdoorlaatfilter
b   staandegolffilter
c   laagdoorlaatfilter
d   seinsleutel klikfilter
-


032

Een signaalsterkte wordt gerapporteerd als "S9 plus 20 dB".
Indien van de beluisterde zender her vermogen wordt verhoogd van 4 naar 400 W dan behoordt het signallsterkte-rapport te veranderen in

a   S9 + 10
b   S9 + 30
c   S9 + 40
d   S9
-


033

Een zendereindtrap, ingesteld in klasse B, wordt maximaal uitgestuurd door een 100%
in amplitude gemoduleerde draaggolf.
Het uitgangsvermogen van de draaggolf is 100 watt.
Als deze eindtrap maximaal wordt uitgestuurd door een enkelzijbandsignaal, bedraagt het uitgangsvermogen (PEP):

a   50 W
b   100 W
c   400 W
d   200 W
-


034

Een bitstroom wordt in 16-QAM gemoduleerd.
Als de bitsnelheid 9600 bits/s is, is de symboolsnelheid:

a   38400 baud
b   600 baud
c   2400 baud
d   9600 baud
-


035

De polaristie van een radiogolf:

a   staat in eerste instantie loodrecht op het stralende element van de zendantenne
b   is afhankelijk van de antenneversterking
c   is in eerste instantie evenwijdig aan het stralende element van de zendantenne
d   is afhankelijk van de hoogte van de zendantenne
-


036

.Een modulatievorm voor digitale signalen is:

a   DAC
b   2-PSK
c   ADC
d   PEP
-


037

Een geheugen voor binaire getallen bestaat uit:

a. flipflops
b. delers
c. exclusieve OF-poorten
d  optellers
-


038

Een draaggolf is 100% in amplitude gemoduleerd met één laagfrequent sinusvormig
signaal.
De in het uitgezonden signaal aanwezige hoogfrequent componenten zijn aangegeven in:

a. figuur 1
b. figuur 3
c. figuur 4
d. figuur 2
-


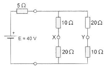
039

De spanning tussen X en Y is:

a. 20 V
b.   0 V
c. 10 V
d. 30 V
-


040

Twee accu’s worden parallel geschakeld.
Hierdoor ontstaat een batterij met:

a   een lagere spanning
b   een hogere toelaatbare stroom
c   gelijke eigenschappen
d   een hogere spanning
-


041

De spanning loopt 90' in fase achter op de stroom in:

a   afbeelding 2
b   afbeelding 4
c   afbeelding 1
d   afbeelding 3
-


042

De juiste plaats van het anti-aliasfilter in een DSP-systeem is:

a module 1
b module 4
c module 3
d module 2
-


043

De spanning is in fase met de stroom in:

a   afbeelding 1
b   afbeelding 3
c   afbeelding 4
d   afbeelding 2
-


044

Instelling oscilloscoop:
Horizontaal: 4 µsec/schaaldeel
Verticaal: 25 V/schaaldeel
Uit dit beeld leidt u de volgende waarden af:

a   62,5 Khz      35,5 V
b   160 Khz         71  V
c   62,5 Khz         71 V
d   160 Khz       35,5 V
-


045

De stroom door de weerstand R is:

a   1 A
b   7,5 A
c   1,5 A
d   5 A
-


046

Twee batterijen met ongelijke klemspanning worden parallel geschakeld.
De klemspanning die nu ontstaat is:

a   niet te voorspellen
b   gelijk aan de hoogste spanning
c   gelijk aan de laagste spanning
d   gelijk aan de gemiddelde spanning
-


047

ln het ASCII-alfabet wordt elk teken weergegeven door 7 bits.
Aan elk teken wordt een pariteitsbit toegevoegd.
Een tekst van 6000 ASCII-tekens wordt in 1 minuut verzonden.
De bitsnelheid is:

a   800 b/s
b   700 b/s
c   100 b/s
d   48.000 b/s
-


048

Het aan de luidspreker toegevoerde vermogen is 200 mW.
De aanwijzing van de voltmeter is:

a   1 V
b   100 mV
c   2 mV
d   20 mV
-


049

Een versterker heeft een bandbreedte van 1 Mhz.
Als twee van deze versterkers achter elkaar worden geschakeld dan zal de bandbreedte:

a   iets kleiner worden
b   gelijk blijven
c   iets groter worden
d   verdubbelen
-


050

De polarisatie van een radiogolf is gedefinieerd als:

a.de richting van het elektrisch veld
b.de richting van het magnetisch veld
c.de opstralingshoek van de zendantenne
d.de hoofdstralingsrichting van de zendantenne
-


051

Een geschikte bemonsteringsfrequentie voor een spraaksignaal met frequenties tussen 300 en 3000 Hz is:

a. 1000 Hz
b. 3000 Hz
c. 8000 Hz
d. 300 Hz
-


052

Een sinusvormige wisselspanning heeft een effectieve waarde van 100 volt.
De momentele waarden van deze wisselspanning liggen tussen:

a   -70.7 V en +70.7 V
b   -141.4 V en +141.4 V
c   0 V en +141.4 V
d   -100V en +100 V
-


053

De gemiddelde waarde van de stroom over het tijdsinterval 0 to t1 seconde is:

a   1/π A
b   π A
c   2/π A
d   0 A
-


054

Een 8-bits ADC kan een ingangssignaal onderscheiden van maximaal:

a   1024 niveaus
b   64 niveaus
c   256 niveaus
d   8 niveaus
-


055

Een amplitudegemoduleerde zender wordt met een laagfrequent toon 100% gemoduleerd.
De PEP is 200watt.
Het draaggolfvermogen is:

a   200 W
b   50 W
c   100 W
d   25 W
-


056

Afscherming tegen elektrische velden kan worden bereikt door:

a   een LC-kring
b   een geaarde metalen plaat
c   een ontkoppel condensator
d   een spoel naar aarde
-


057

Bij een spanning van 6 V en een stroom van 1 A wordt gedurende 1 minuut een hoeveelheid energie opgenomen van:

a   1 Ws
b   6 Ws
c   60 Ws
d   360 Ws
-


058

Door een lange spoel loopt een hf-wisselstroom.
Een aluminium huis is in de lengterichting van een smalle luchtspleet voorzien, om de spoel geschoven en geaard.

Dit wordt gedaan om:

a   het elektrische en magnetische veld af te schermen
b   de magnetische veldlijnen te consentreren in de kuchtspoel
c   alleen het elektrische veld af te schermen
d   de zelfinductie te vergroten
-


059

Een sinusvormig signaal is opgeteld bij een gelijkspanning.
De gelijkspanning bedraagt:

a   10 V
b   6,37 V
c   7.07 V
d   5 V
-


060

Het getekende filter is:

a   reconstructiefilter
b   anti-alias filter
c   IIR-filter
d   FIR-filter
-


061

De spanning U heeft een frequentie van 1 Mhz.
Om spoel Y af te schermen van het magnetische veld van spoel X dient men:

a   een ijzerkern aan te brengen in de spoel X
b   een ijzerkern aan te brengen in beide spoelen
c   spoel X in een koperen buis te plaatsen
d   een koperkern aan te brengen in spoel
-


062

Een reconstructiefilter:

a   wordt veelal toegepast in een DSP-keten
b   is een bandsperfilter
c   is een andere naam voor een anti-alias filter
d   is een hoogdoorlaatfilter
-


063

Een Cyclic Redundancy Check (CRC) wordt gebruikt om te controleren of:

a   de maximale berichtenlengte niet wordt overschreden
b   er een overdrachtsfout is opgetreden
c   het eind van een tekst is bereikt
d   de baudsnelheid juist is ingesteld
-


064

Het symmetrische blokvormige signaal van 1500 Hz bevat de volgende frequenties:

a     500 Hz1000 Hz1500 Hzen hoger
b     750 Hz1500 Hz3000 Hzen hoger
c   1500 Hz4500 Hz7500 Hzen hoger
d   3000 Hz4500 Hz6000 Hzen hoger
-


065

Welke grafiek stelt het weerstandsverloop van een NTC-weerstand voor?

a   A
b   B
c   C
d   D
-


066

Een signaalsterkte wordt gerapporteerd als "S9 plus 20 dB".
Indien van de beluisterde zender het vermogen wordt gereduceerd van 150 W naar 15 W, dan behoort het signaalsterkte rapport te zijn:

A. S9
B. S9 plus 10 dB
C. S9 plus 20 dB
D. S9 plus 30 dB
-


067

De grafische voorstelling van een sinusvormige wisselspanning die in tegenfase is met de elektrische stroom, is:

a A
b B
c C
d D
-


068

De karakteristiek behoort bij een:

A. transistor (NPN)
B. weerstand met positieve temperatuur coëfficiënt (PTC)
C. zenerdiode
D. weerstand met negatieve temperatuur coëfficiënt (NTC)
-


069

Een geschikte bemonsteringsfrequentie voor een spraaksignaal met frequenties tussen 300 en 3000 Hz is:

A. 300 Hz
B. 1000 Hz
C. 3000 Hz
D. 8000 Hz
-


070

De spanning loopt 90° voor op de stroom in figuur:

A   B   C   D
-


071

Afscherming tegen magnetische velden wordt bereikt door toepassing van:

a   een ferrietstaaf
b   een manteltransformator
c   een spoel zonder ferrietkern
d   een magnetisch geleidend materiaal
-


072

De werking van een geaarde aluminium afschermbuis om een HF-spoel berust op:

a   inductie van een stroom in de buis die een tegengesteld magnetisch veld opwekt
b   magnetische geleiding van aluminium
c   naar aarde afvoeren van magnetische veldlijnen
d   diamagnetische eigenschappen van aluminium
-


073

Als de belastingsweerstand van een accu gelijk wordt gekozen aan de inwendige weerstand van die accu, dan zal:

a   de accu minimaal vermogen leveren aan de belasting
b   de accu maximaal vermogen leveren aan de belasting
c   er minimale stroom vloeien in het circuit
d   er maximale stroom vloeien in het circuit
-


074

Een signaalsterkte wordt gerapporteerd als S9 plus 20 DB.
Indien het vermogen van 150 W naar 15 W wordt teruggebracht, behoort het signaalreport te zijn:

a   S9
b   S9 plus 10 dB
c   S9 plus 20 dB
d   S9 plus 30 dB
-


075

Een batterij met een inwendige weerstand van 15 ohm en een bronspanning (EMK) van 30 volt wordt aangesloten op een parallelschakeling van 2 weerstanden van 30 ohm.
De stroom die de batterij levert is:

a   0.5 A
b   4 A
c   1 A
d   2 A
-


076

Een analoog signaal wordt aangeboden aan een ADC.
De nauwkeurigheid van de conversie kan worden vergroot door:

a   meer bits per sample te gebruiken
b   de bemonsteringsfrequentie te verlagen
c   het ingangssignaal van de ADC te verzwakken
d   minder bits per sample te gebruiken
-


077

Aan de modulator van een zender wordt een bit stroom toegevoerd.
Als een bit de waarde 1 heeft wordt de frequentie van het uitgezonden signaal 170 ‘Hz lager dan wanneer het bit de waarde 0 heeft.
Deze modulatie heet:

a   QAM
b   FSK
c   4-PSK
b   2-PSK
-


078

De polarisatie van de door een yagi-antenne uitgestraalde golf wordt bepaald door:

a. de stand van de straler
b. het aantal elementen
c. de afstand tussen de elementen
d. de antennehoogte
-


079

Om een magnetisch veld af te schermen, gebruikt men materiaal met een :

a   lage diëlektrische constante
b   lage permeabiliteit
c   hoge diëlektrische constante
d   hoge permeabiliteit
-


080

Een specifieke modulatievorm voor digitale signalen is:

a   AM
b   EZB (SSB)
c   2-PSK
d   FM
-


081

Een symmetrisch blokvormig signaal heeft een grondfrequentie van 1500 Hz.
Het signaal bevat de volgende frequenties:

a   500 Hz, 1000 Hz, 1500 Hz en hoger
b   3000 Hz, 4500 Hz, 6000 Hz en hoger
c   1500 Hz, 4500 Hz, 7500 Hz en hoger
d   750 Hz, 1500 Hz, 3000 Hz en hoger
-


082

De gemiddelde waarde van de stroom I is:

a   6 A
b   1 A
c   2 A
d   3 A
-\


083

Afscherming tegen elektrische velden kan worden bereikt door toepassing van:

a   een geaarde metalen plaat
b   een LC-kring in resonantie
c   een spoel naar aarde
d   een ontkoppelcondensator
-


084

De modulatievorm welke de minste storing door laagfrequentdetectie veroorzaakt is:

a   frequentiemodulatie
b   amplitudemodulatie
c   morsetelegrafie
d   enkelzijbandmodulatie
-


085

Een ontvanger heeft een mf-bandbreedte van 6 Khz.
De hoogste frequentie die na een detectie van een AM-signaal onvervormd wordt weergegeven bedraagt:

a   12000 Hz
b   6000 Hz
c   1000 Hz
d   3000 Hz
-


086

De gemiddelde waarde van de stroom Is:

a   0 mA
b   4 mA
c   4V2 mA
d   8 mA
-


087

De modulatievorm welke de minste storing door laagfrequentdetectie veroorzaakt is:

a   morsetelegrafie
b   frequentiemodulatie
c   enkelzijbandmodulatie
d   amplitudemodulatie
-


088

Bij het bemonsteren van een spraaksignaal wordt een anti-aliasfilter toegepast.
Dit filter is een:

a   hoogdoorlaatfilter met een kantelfrequentie van 300 Hz
b   banddoorlaatfilter voor de samplefrequentie
c   laagdoorlaatfilter met een kantelfrequentie van 3000 Hz
d   bandsperfilter voor de samplefrequentie
-


089

De gemiddelde waarde van de stroom is:

a   3 A
b   0.5  A
c   0.33  A
d   1.65 A
-


090

Welke van de onderstaande materialen is de beste hoogfrequent isolator?

a   pertinax
b   polystyreen
c   hout
c   rubber
-


091

Een frequentie gemoduleerd telefonie signaal heeft de volgende eigenschap:

a   alle zijbandcomponenten hebben gelijke amplituden
b   de bandbreedte is onafhankelijk van de frequentie karakteristiek van de modulator
c   de frequentie van de draaggolf varieert in het ritme van de modulatie
d   het aantal zijbanden componenten  is onafhankelijk van de modulatie
-


092

Een amplitude gemoduleerd telefonie signaal heeft de volgen eigenschap:

a   de bandbreedte is onafhankelijk van de frequentie van het modulerend signaal
b   de frequentie van de draaggolf is constant
c   de fase van de draaggolf varieert in het ritme van de modulatie
d   alle zijbandcomponenten hebben gelijke amplituden
-


093

Een gloeilamp (110 V,100W )is als belasting aangesloten op een 100W FM-zender die met spraak gemoduleerd wordt.
Deze lamp zal:

a   niet gloeien
b   alleen tijdens het spreken gloeien
c   constant gloeien
d   in het spraakritme gloeien
-


094

Het symmetrische blokvormig signaal van 500 Hz bevat de volgende frequenties:

a   500 Hz     1000 Hz   1500 Hz en hoger
b   750 Hz     1500 Hz   3000 Hz en hoger
c   1500 Hz   4500 Hz   7500 Hz en hoger
d   3000 Hz   4500 Hz   6000 Hz en hoger
-


095

Een zender wordt gelijktijdig gemoduleerd met twee sinusvormige signalen.
Indien het spectrum van het uitgangssignaal het getekende beeld vertoont, is er sprake van:

a   amplitude modulatie
b   enkelzijband modulatie
c   fase modulatie
d   freqentie modulatie\
-


096

De watt-seconde is de eenheld van:

a   arbeid
b   kracht                     
c   vermogen
d   dissipatie
-


097

De niet-sinusvormige spanning bestaat uit:

a   twee sinusvormige signalen met gelijke amplitude van dezelfde frequentie die in fase zijn verschoven
b   twee sinusvormige signalen met gelijke amplitude van verschillende grequenties
c   de grondgolf
d   een grondgolf met harmonischen
-


098

Een accu wordt opgeladen als:

a   er een laadstroom loopt die tegengesteld is aan de ontlaadtstroom
b   de spanning aangeleg wordt die evengroot is als de klemspanning
c   er een laadstroom loopt in dezelfde richting als de ontlaadstroom
d   de spanning aangelegd wordt die lager is dan de klemspanning
-


099

De weerstandsverhoging door het huid-effect (skin-effect) is groter wanneer:

a   de coefficient van zelfinductie hoger is
b   de stroom door de spoel groter is
c   de frequentie hoger is
d   de isolatie dikker is
-


100

Op een volledig geladen accu van 12 V wordt een lampje aangesloten van 12 V/6 W.
Na 24 uur is de accu uitgeput.
De accu heeft een capaciteit van:

a   6 W
b   12 Ah
c   72 Ah
d   144 Wh
H01__Elektriciteitsleer-000-099     >>>>>
H01__Elektriciteitsleer-100-199   >>>>>


-
H01__Elektriciteitsleer-000-099     >>>>>
H01__Elektriciteitsleer-100-199   >>>>>