001


In een enkelzijbandzender wordt de draaggolf onderdrukt om

a     het beschikbare vermogen in de zijband te concentreren
b     de verstaanbaarheid te verbeteren
c     de bandbreedte te halveren
-


002


Als transistoroscillator kan het beste worden gebruikt ?

a   schema 3
b   schema 1
c   schema 2
-


003

Dit is het blokschema van een FM-zender
Het blokje gemerkt X stelt voor

a   eindtrap
b   modulator
c   stuurtrap
-


004

Dit is het blokschema van een ontvanger

Wat is de frequentie van de 2de mf-versterker  ?

a     2 MHz
b     1 MHz
c    15 MHz
d   500 Mhz
-


005

In de figuur is het blokschema van een FM-zender weergegeven
Het blokje X stelt voor

a   oscillator
b   vermenigvuldigtrap
c   modulator
d   discriminator
-


006

Een enkelzijbandzender werkt met een draaggolfoscillator op 1 Mhz
Het zijbandfilter laat uitsluitend signalen in de lage zijband door

Voor spraaksignalen met frequenties tussen 300 Hz en 3000 Hz zijn de grenzen van de doorlaatband van dit filter

a   997 Khz en 1003 Khz
b   997.7 Khz en 1003.3 Khz
c   1000.3 Khz en 1003 Khz
d   997 Khz en 999.7 Khz
-


007


In de figuur is het blokschema van een FM-zender weergegeven
Het blokje X stelt voor

a   oscillator
b   vermenigvuldigtrap
c   modulator
d   stuurtrap
-


008

Zendvermogen:
Het door de direkt met [X]
te koppelen trap van het radiozendapparaat afgegeven gemiddels vermogen, gerekend over 1 periode van de hoogfrequente uitgangswisselspanning tijdens het maximium van de omhullenden[PEP]

Op de plaats [X] staat:

a   het radio-zendapparaat
b   het voedingsapparaat
c   de antenne-inrichting
-


009

Een zendamateur zendt uit in de klasse J3E [EZB].
Het door de direkt met de antenne-inrichting te koppelen trap van het radiozendapparaat afgegeven gemiddeld vermogen, gerekend over 1 periode van het hoogfrequent uitgangswisselspanning tijdens het maximum van de omhullende, bedraagt 100 Watt

Volgens de gebruiksbepalingen is het zendvermogen

a   200 Watt
b   100 Watt
c   400 Watt
-


010

Een enkelzijband-telefoniezender met onderdrukte draaggolf op 28.5Mhz werkt volgens de filtermethode en wordt gemoduleerd met een sinusvormig signaal van 2500Hz.
De hoge zijband wordt uitgezonden.
In het frequentiespectrum komt de component 28497.5 Khz in sterke mate voor.
Dit wijst op:

a   onvoldoende onderdrukking van de draaggolf
b   intermodulatie in een trap na het zijbandfilter
c   onvoldoende onderdrukking van de lage zijband
d   intermodulatie in de balansmodulator
-


011

In de uitgang van een FM-zender is een pi-filter geplaatst
Dit filter heeft als doel

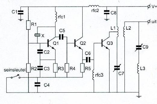
a   het verkleinen van de frequentiezwaai
b   het verhogen van de antennewinst
c   het aanpassen van de zender aan de antennekabel
d   het verkleinen van de staandefgolfverhouding op de kabel
-


012

In een 2-meter FM-zender worden drie frequentie-vermenigvuldigtrappen toegepast
Deze trappen vermenigvuldigen 2 maal , 3 maal en 3 maal
De oscillatorfrequentie is ongeveer

a   8 Mhz
b   18 Mhz
c   12 Mhz
d   24 Mhz
-


013

Een ideale enkelzijbandzender wordt met een sinusvormige toon van 1000 Hz uitgestuurd
Het uitgangssignaal wordt op een oscilloscoop zichtbaar gemaakt
Het juiste beeld is

a   beeld 1
b   beeld 2
c   beeld 3
d   beeld 4
-


014

De frequentiestabiliteit van een zender wordt voornamelijk bepaald door

a   de modulator
b   de mengtrap
c   het kristal
d   de kring in de eindtrap
-


015

Voor een EZB-zender geldt

a   de trappen na de balansmodulator moeten in klasse A of klasse B worden ingesteld
b   de zendereindtrap mag in klasse C worden ingesteld
c   er kan geen frequentietransformatie worden toegepast
d   in de trappen na de balansmodulatoe mag frequentievermenigvuldiging worden toegepast
-


016

Dit is het blokschema van een zender
Het blokje X stelt voor:

a  de enkelzijbandmodulator
b   de stuurtrap
c   de fasemodulator
d   de oscillator
-


017

In de zender zijn R9 en R10 aanwezig om de basis van Q3

a   te dempen om paracitaire oscillaties te voorkomen
b   van basisspanning en modulatiesignaal te voorzien
c   van een vaste basisstroom te voorzien
d   van een vaste basisspanning te voorzien
-


018

Dit is het blokschema van een FM-zender
het blokje -X- stelt voor

a   de modulator
b   de stuurtrap
c   de scheidingstrap
d   de detector
-


019

Een voordeel van FM-modulatie vergeleken met EZB

a   er is ruimte voor meer zenders per 100 Khz ruimte
b   de eindtrap van de zender kan in klasse C staan
c   de bandbreedte van de ontvanger kan kleiner zijn
d   in de ontvanger kan een produktdetector worden geplaatst
-


020

De schakeling stelt voor

a   spanningsverdubbelaar
b   frequentiediscriminator
c   balansmodulator
d   dubbelfasige gelijkrichter
-


021

In een EZB-zender wordt de hoge zijband opgewekt met een draaggolffrequentie van 500 Khz
De draaggolffrequentie bedraagt 3700 Khz, waarbij de lage zendband dient te worden uitgezonden
De oscillatorfrequentie is

a   2700 Khz
b   4200 Khz
c   3700 Khz
d   3200 Khz
-


022

In een enkelzijbandzender wordt het signaal opgewekt als lage zijband
De draaggolfoscillator werkt op 455 Khz
Alleen laagfrequentsignalen tussen 300 en 3000 Hz mogen worden overgebracht
De doorlaatband van het zijbandfilter moet liggen tussen de frequenties


a   455.3 Khz en 458.0 Khz
b   452.0 Khz en 458.0 Khz
c   455.0 Khz en 458.0 Khz
d   452.0 Khz en 454.7 Khz
-


023

Een zendereindtrap, ingestelt in klasse B, wordt maximaal uitgestuurd door een 100 % in amplitude gemoduleerde draaggolf
Het uitgangsvermogen van de draaggolf is 100 Watt
Als deze eindtrap wordt uitgestuurd door een eenkelzijbandsignaal, bedraagt het uitgandsvermogen [PEP]

a   50 W
b   100 W
c   400 W
d   200 W
-


024

De LF-begrenzer in een FM-zender dient om

a   de frequentiezwaai binnen vastgestelde grenzen te houden
b   het frequentieverloop van de zender te beperken
c   de uitstraling van harmonischen te begrenzen
d   te hoge modulatiefrequenties te verwijderen
-


025

Voor optimale onderdrukking van de draaggolf geldt

a   C10 = C11 en de loper van R11 is geheel naar boven gedraaid
b   C10 = 2*C11 en de loper van R11 is geheel naar beneden gedraaid
c   C11 = 2*C10 en de loper van R11 is ongeveer in de middenpositie
d   C11 = C10 en de loper van R11 is ongeveer in de middenpositie
-


026


In een enkelzijbandzender wordt een balansmodulator gebruikt, waardoor

a   de draaggolf en 1 zijband worden onderdrukt
b   alleen de draaggolf wordt onderdrukt
c   alleen 1 zijband wordt onderdrukt
d   90 graden faseverschuiving wordt bereikt
-


027

Een ideale enkelzijband-telefoniezender met onderdrukte draaggolf op 7 Mhz,
zendt de hoge zijband uit
De modulatie bestaat uit sinusvormige signalen van 1000 en 1800 Hz
In het uitgezonden frequentiespectrum zijn componenten aanwezig op

a   7002.5 Khz en 7000.8 Khz
b   6999 Khz en 6998.2 Khz
c   7000 Khz 7001 Khz 7001.8 Khz en 7002.8 Khz
d   7001 Khz en 7001.8 Khz
-


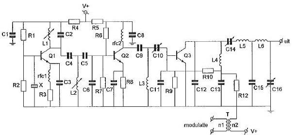
028

TRANSISTOR Q2:

a   is bedoeld als hoogfrequent scheidingsversterker
b   versterkt de laagfrequentspanning van Q1 ongeveer 1X
c   versterkt de laagfrequentspanning van Q1 ongeveer 3X
d   versterkt de laagfrequentspanning van Q1 ongeveer 10X
-


029

Een oscilloscoop, aangesloten op de antenne-aansluiting van een zender welke gemoduleerd is met spraak, vertoont het volgende beeld.

De zender is:
a   een FM zender
b   een SSB zender
c   een AM zender
d   eeb SSB zender met volle draaggol
-


030

Transistor Q2:

a   zorgt voor de werkpuntstabilisatie van Q1
b   is een frequentie vermenigvuldigtrap
c   is het sleutelfilter
d   is een scheidingstrap
-


031

Een amateurzender straalt minder harmonischen uit indien:

a   een kristaloscillator wordt gebruikt ipv een LC-oscillator
b   de voedingsspanning van de oscillator beter wordt gestabiliseerd
c   de eindtrap in klasse A wordt ingesteld ipv klasse C
d   de eindtrap in klasse C wordt ingesteld ipv klasse A
-


032

In een 2-meter zender wordt het signaal van een 12 Mhz oscillator vermenigvuldigd naar een zendfrequentie van 144 Mhz.
De oscillator heeft een frequentieverloop van 12 Hz per minuut.
De zendfrequentie verloopt in 10 minuten:

a   1440 Hz
b   10 Hz
c   144 Hz
d   120 Hz
-


033

Een zender werkt met een klasse van uitzending F3E (FM).
Het gemiddelde vermogen dat door de eindtrap aan de antenne-inrichting wordt afgegen bedraagt 8 W.
Volgens de gebruikersbepalingen is het zendvermogen:

a     4 W
b   16 W
c      1 W
c      8 W
-


034

Voor optimale verstaanbaarheid van spraak dient via een telefoniezender een frequentieband overgebracht te worden die ligt tussen:

a   2000 en 4000 Hz
b   1000 en 2000 Hz
c     300 en 3000 Hz
d     100 en 1000 Hz
-


035

De schakeling stelt voor:

a   een buffer (scheidingstrap)
b   een fasemodulator
c   een frequentiemodulator
d   een variabele frequentiemodulator
-


036

Het frequentiespectrum van een hf-signaal dat 50% amplitude gemoduleerd is met 1 constante lf-sinustrilling vertoont:

a   een draaggolf en twee zijbanden
b   1 zijband zonder draaggolf
c   2 zijbanden zonder draaggolf
d   een draaggolf en 1 zijband
-


037

-1-van de voordelen van een FM-zender is:

a   dat alle HF-versterkertrappen in klasse B of C kunnen worden ingesteld.
b   dat de draaggolf onderdrukt is, waardoor er meer vermogen voor de zijbanden is
c   dat de bandbreedte klein is
d   dat een grotere frequentiestabiliteit van de zendfrequentie wordt verkregen
-


038

De draaggolf van een AM-zender wordt met 1 toon gemoduleerd.
Het uitgangssignaal wordt op een oscilloscoop zichtbaar gemaakt.
De oscilloscoop is gesynchroniseerd met een toonsignaal.
Het juiste beeld is:

a   beeld 2
b   beeld 1
c   beeld 4
d   beeld 3
-


039

Van een telefrafie-ontvanger is de middenfrequentie 756 Khz.
Om een A1A-signaal (onderbroken draaggolf) hoorbaar te maken heeft de BFO een frequentie van:

a   756 Khz
b   776 Khz
c   757 Khz
d   1 Khz
-


040

Een EZB-zender met onderdrukte draaggolf wordt gemoduleerd met spraak waaruit alle frequenties beneden de 500 Hz en boven de 2500 Hz zijn gefilterd.
De bandbreedte van deze zender is:

a   2000 Hz
b   500 Hz
c   5000 Hz
d   2500 Hz
-


041

Transistor Q2:

a. is een frequentie-vermenigvuldigingstrap
b. zorgt voor de werkpuntstabilisatie van Q1
c. is een scheidingstrap
d. is het sleutelfilter
-


042

Een FM-zender geeft een draaggolfvermogen af van 10 watt en is belast met een gloeilamp van 15 watt.
De zender wordt met spraak gemoduleerd.
Deze lamp zal:

a. niet gloeien
b. in het spraakritme feller gloeien
c. constant gloeien
d. alleen tijdens het spreken gloeien
-


043

Bij een 100% met één toon gemoduleerd AM-zendsignaal heeft iedere zijband een amplitude gelijk aan:

a. 78    % van de draaggolf
b. 12,5 % van de draaggolf
c. 25    % van de draaggolf
d. 50    % van de draaggolf
-


044

Welke filter-karakteristiek is geschikt voor een telefonie SSB-zender ?

a   karakteristiek 4
b   karakteristiek 3
c   karakteristiek 1
d   karakteristiek 2
-


045

Het frequentiespectrum van een hf-signaal dat 50% amplitude gemoduleerd is met één constante lf-sinustrilling vertoont:

a. één zijband zonder draaggolf
b. twee zijbanden zonder draaggolf
c. een draaggolf en één zijband
d. een draaggolf en twee zijbanden
-


046

Voor een telegrafiezender (A1A) geldt:

a. de frequentiestabiliteit is niet belangrijk omdat er geen spraakmodulatie wordt toegepast
b. de bandbreedte van het uitgezonden signaal is nul hertz
c. alle trappen kunnen in klasse C worden ingesteld
d. er kan alleen in de eindtrap worden gesleuteld
-


047

Bij een HF-signaal dat amplitude gemoduleerd is met een constante toon, verandert de:

a   amplitude van het hf-signaal.
b   frequentie van de modulatie
c   amplitude van het het hf-signaal en de frequentie van de modulatie
d   frequentie van het hf-signaal.
-


048

Een 432 Mhz zender bestaat uit een gemoduleerde oscillator op 18 Mhz, gevolgd door frequentievermenigvuldiging trappen.
De frequentiezwaai van het 432 Mhz signaal is 1440 Hz.
De frequentiezwaai van het oscillatorsignaal is:

a   450 Hz
b   60 Hz
c   1440 Hz
d   2880 Hz
-


049

Een enkelzijbandzender heeft een zijbandfilter met een bandbreedte van 2500 Hz.
De draaggolf is goed onderdrukt.
Als de zender met spraak wordt gemoduleerd blijkt de bandbreedte van de uitzending aanzienlijk groter te zijn dan 2500 Hz.
Door welke oorzaak kan dit verschijnsel ontstaan?

a   de staandegolfverhouding in de voedingskabel naar de antenne is te groot
b   de frequentie van de draaggolf ligt tever naast de doorlaatband van het zijbandfilter
c   de frequentiekarakteristiek van de laagfrequent modulatieversterker loopt tever door
d   een versterkertrap na het zijbandfilter wordt overstuurd
-


050

In een zenderstuurtrap wordt het signaal van een kristaloscillator gemengd met dat
van een variabele oscillator.
Voor het zendbereik tussen 3,5 - 3,8 MHz komt de volgende combinatie in aanmerking:

a   kristaloscillator 2.6 MHz   variabele oscillator 1.2-1.5 MHz
b   kristaloscillator 4.0 MHz   variabele oscillator 400-700 KHz
c   kristaloscillator 9.3 MHz   variabele oscillator 5.5-5.8 MHz
d   kristaloscillator 3.5 MHz   variabele oscillator 200-500 KHz
-


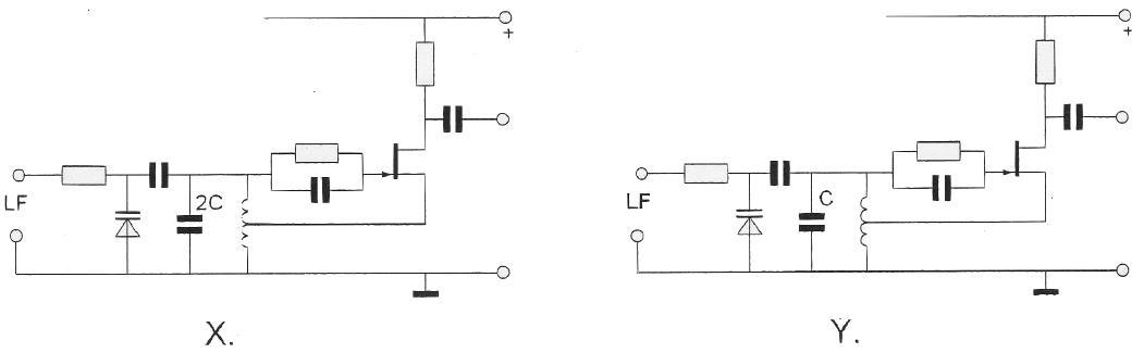
051

In de oscillatoren X en Y wordt frequentiemodulatie verkregen door eenzelfde laagfrequentsignaal.
Behalve de aangegeven condensatoren hebben alle overeenkomstige onderdelen dezelfde waarde.
Welke bewering is juist?

a   X geeft een grotere frequentiezwaai dan Y,
     en de oscillatorfrequentie van X is hoger dan die van Y.
b   X geeft een kleinere frequentiezwaai dan Y,
     en de oscillatorfrequentie van X is hoger dan die van Y.
c   X geeft een kleinere frequentiezwaai dan Y,
     en de oscillatorfrequentie van X is lager dan die van Y.
d   X geeft een grotere frequentiezwaai dan Y,
     en de oscillatorfrequentie van X is lager dan die van Y.
-


052

De balansmodulator in een enkelzijbandzender:

a   verkleint de vervorming van het laagfrequentsignaal
b   onderdrukt de draaggolf
c   onderdrukt een 1 van de zijbanden
d   verbetert de signaal-ruis-verhouding
-


053

In een EZB-zender wordt een zijbandfilter toegepast.
Dit filter is geplaatst tussen:

a   de balansmodulator en de daaropvolgende versterkertrap van de zender
b   de microfoon en de microfoonversterker
c   de draaggolfgenerator en de balansmodulator
d   de microfoonversterker en de balansmodulator
-


054

In een EZB-amateurzender wordt de modulatie verkregen door middel van een
balansmodulator.
Daarachter is een zijbanddoorlaatfilter geschakeld.
De gangbare bandbreedte van dit filter voor goed verstaanbare spraak bedraagt:

a. 1200 Hz
b. 9600 Hz
c. 4800 Hz
d. 2400 Hz
-


055

Een betere frequentiestabiliteit van een 2-meter zender kan worden verkregen door:

a. de eindtrap in klasse C in te stellen
b. de antenne goed aan te passen
c. de eindtrap in klasse B in te stellen
d. de voedingsspanning van de oscillator te stabiliseren
-


056

Sleutelklikken kunnen worden verminderd door tussen de seinsleutel en de zender op te nemen:

a   schakeling  1
b   schakeling  2
c   schakeling  4
d   schakeling  3
-


057

Dit is het blokschema van een FM-relaisstation.
Het filter aan de zenderuitgang voorkomt:

a   het uitzenden van harmonischen
b   blokkering door de draaggolf op 145,6 MHz
c   ontvangststoring door faseruis van de zender
d   een te grote frequentiezwaai
-


058

De schakeling stelt voor, een:

a   frequentiediscriminator
b   dubbelfasige gelijkrichter
c   spanningverdubbelaar
d   balansmodulator
-


059

De frequentiezwaai van een fasegemoduleerd (PM) signaal wordt bepaald door:

a   de amplitude en de frequentie van het modulerende signaal
b   alleen de amplitude van het modulerende signaal
c   de frequentie van de draaggolf en de frequentie van het modulerende signaal
d   alleen de frequentie van het modulerende signaal
-


060

Dit is het blokschema van een FM-zender.
Het met een + gemerkte blokje is de:

a   lf-begrenzer
b   varicap
c   balansmodulator
d   If-oscillator
-


061

Een nadeel van enkelzijbandmodulatie tov amplitudemodulatie is:

a   meer vervorming door onjuiste afstemming
b   plaats voor minder zenders in de banden
c   meer vervorming door selectieve fading
d   meer vervorming door de draaggolf interferentie
-


062

Dit is het blokschema van een FM-relaisstation.
Het filter aan ontvangeringang voorkomt:>

a   lekken van oscillatorsignaal van de ontvanger
b   blokkering door de draaggolf op 145.6 Mhz
c   ontvangststoring door faseruis van de zender
d   ontvangst van de spiegelfrequentie
-


063

Een enkelzijbandzender wordt met 2 even sterke signalen van 800 en 1000 Hz uitgestuurd.
Het uitgangssignaal wordt zichtbaar gemaakt op een oscilloscoop.
Dit beeld geeft aan dat de zender:

a   overstuurd wordt
b   niet stabiel is
c   goed werkt
d   veel harmonischen produceert
-


064

In een EZB-zender wordt de lage zijband opgewekt op een draaggolffrequentie van 1 MHz.
Dit signaal wordt in een mengtrap gemengd met dat van een oscillator op 4 MHz.
Aan de uitgang van de mengtrap vinden we onder andere een éénzijbandsignaal op:

a. 4 MHz met de hoge zijband
b. 3 MHz met de lage zijband
c. 5 MHz met de hoge zijband
d. 5 MHz met de lage zijband
-


065

Een hoogfrequent draaggolf wordt 100% in amplitude gemoduleerd met een sinusvormig signaal.
Tijdens de vermogensmaxima van het gemoduleerd signaal is het hoogfrequent vermogen :

a   gelijk aan het draaggolfvermogen
b   tweemaal zo groot als het draaggolfvermogen
c   viermaal zo groot als het draaggolfvermogen
d   de helft van het draaggolfvermogen
-


066

De frequentiezwaai van een FM-zender wordt vergroot van 2 KHz naar 3 KHz.
Het zendvermogen van de zender:

a   wordt 2/3 van de vroegere waarde
b   blijft gelijk
c   wordt 9/4 van de vroegere waarde
d   wordt 3/2 van de vroegere waarde
-


067

De scheidingstrap in een zender heeft als functie het:

a   voorkomen van parasitaire oscillatieverschijnselen
b   overbodig maken van het neutrodyniseren van de eindtrap
c   constant houden van de amplitude van de draaggolf
d   voorkomen van belastingvariaties op de oscillator
-


068

Het uitgezonden signaal van een morsetelegrafiezender wordt zichtbaar op een oscilloscoop.
Het signaal met de minste sleutelkliks is weergegeven in:

a   1
b   2
c   4
d   3
-


069

Dit is het blokschema van een FM-zender.
X stelt voor:

a   stuurtrap
b   de oscillator
c   vemenigvuldigingstrap
d   modulator
-


070

Een enkelzijbandzender wordt met twee even sterke sinusvormige audiosignalen van respectievelijk 800 Hz en 1000 Hz uitgestuurd.
Het uitgangssignaal wordt zichtbaar gemaakt op een oscilloscoop.
Dit beeld geeft aan dat een van de zendertrappen:

a   veel harmonischen produceert
b   overstuurd wordt
c   niet lineair is
d   te weinig uitgestuurd wordt
-


071

De frequentiezweaai van een FM-zender wordt vergroot van 2Khz naar 3Khz.
Het zendvermogen van de zender:

a   wordt 2/3 maal de vroegere waarde
b   blijft gelijk
c   wordt 3/2 maal de vroegere waarde
d   wordt 9/4 maal de vroegere waarde
-


072

Een zendereindtrap, bedoeld voor het versterken van een enkelzijbandsignaal, wordt voor een zo hoog mogelijk rendement ingesteld in:

a   klasse C
b   de klasse heeft geen invloed op het rendement
c   klasse A
d   klasse B
-


073

Indien een FM-zender een te grote frequentiezwaai vertoont, kan dit worden verholpen door:

a.  de amplitude van de modulerende spanning te verkleinen
b.  de voedingsspanning van de zender te stabiliseren
c.  de frequentie van de modulatie te verlagen
d.  de voedingsspanning van de zender te verlagen
-


074

De modulatiemethode voor spraak met de kleinste bandbreedte is:

a.  enkelzijbandmodulatie
b.  dubbelzijbandmodulatie
c.  fasemodulatie
d.  frequentiemodulatie
-


075

Van een zender nemen de laatste twee trappen een stroom op van respectievelijk 100 mA en 1A, de voedingsspanning is 10 V. het rendement van elke trap is 50 %. De versterking van de laatste trap is:

a.  6 dB
b.  3 dB
c.  10 dB
d.  20 dB
-


076

Tijdens het moduleren van een FM-telefoniezender met een toon van constante amplitude varieert:

a.de frequentiezwaai van het uitgezonden signaal
b.de frequentie van het uitgezonden signaal
c.de amplitude van het uitgezonden signaal
d.de frequentie en de amplitude van het uitgezonden signaal

-

077

Een station met 16F3 modulatie in de 144-146 MHz-band , mag op de volgende frequentie niet zenden:

a.   144.016 MHz
b.   145.995 MHz
c.   145.160 MHz
-


078

Een frequentie-gemoduleerd telefonie-signaal heeft de volgende eigenschap:

a.   alle zijbandcomponenten hebben gelijke amplitude
b.   de bandbreedte is onafhankelijk van de frequentie-karakteristiek van de modulator
c.   de frequentie van de draaggolf wordt gevarieerd door de modulatie
d.   het aantal zijbandcomponenten is onafhankelijk van de modulatie
-


079

Eindtrap en modulator hebben elk een eigen voeding.
Het vermogen voor de beide zijbanden wordt geleverd:

a.   voor 100% door de voeding van de zendereindtrap en voor 0% door de voeding van de modulator
b.   voor 75% door de voeding van de zendereindtrap en voor 25% door de voeding van de modulator
c.    voor 50% door de voeding van de zendereindtrap en voor 50% door de voeding van de modulator
d.   voor 0% door de voeding van de zendereindtrap en voor 100% door de voeding van de modulator
-


080

Het blokje, gemerkt X, stelt voor:

a   de oscillator
b   de frequentie-modulator
c   de enkelzijband-modulator
d   de stuurtrap
-


081

Een zender voor 144 MHz werkt met een kristaloscillator op 18 MHz.
Indien de oscillatorfrequentie 1 kHz verloopt, verloopt de zendfrequentie:

A. 1 kHz
B. 8 kHz
C. 18 kHz
D. 144 kHz
-


082

De seinsleutel schakelt de volgende transistoren:

A. Q1
B. Q2
C. Q3
D. Q1 en Q2
-


083

De frequentiezwaai van een FM-gemoduleerde draaggolf wordt groter als de:

a   amplitude van het modulerende signaal toeneemt
b   amplitude van het hoogfrequent signaal toeneemt
c   amplitude van het modulerende signaal afneemt
d   frequentie van het modulerende signaal afneemt
-


084

Een voordeel van enkelzijbandmodulatie vergeleken met amplitudemodulatie is:

a   de frequentiestabiliteit van de ontvanger kan lager zijn
b   de vervorming agv selectieve fading is minder hinderlijk
c   de zender eindtrap kan ik klasse C worden ingesteld
d   de bandbreedte van de ontvanger kan groter zijn
-


085

Een ideale enkelzijbandzender wordt met twee even sterke sinusvormige audiosignalen van 800 Hz en 100 Hz uitgestuurd.
Het uitgangssignaal wordt zichtbaar gemaakt op een oscilloscoop.
Het juiste beeld is:

a   3
b   2
c   1
d   4
-


086

De funtie van blok X is?

a   mengtrap
b   2de verdubbeltrap
c   stuurtrap
d   3.55 Mhz banddoorlaatfilter
-


087

Voor een EZB-zender geldt:

a   de zendereindtrap in klasse C mag worden ingesteld
b   de trappen na de balansmodulator moeten in klasse A of B worden ingesteld
c   er kan geen frequentietransformatie worden toegepast
d   in de trappen na de balansmodulator mag frequentievermenigvuldiging worden toegepast
-


088

Bewering 1
Een dubbelzijband AM-zender zendt een muzieksignaal uit.
Klasse van uitzending= A3C
Bewering 2
Via een FM-zender worden met de hand morsesignalen verzonden.
Klasse van uitzending= F1E
Wat is juist?

a   1
b   1 en 2
c   geen
d   2
-


089

Deze schakeling maakt deel uit van:

a   produktdetector
b   AVR-detector
c   FM-detector
d   FM-modulator
-


090

Voor het versterken met zo hoog mogelijk rendement van een CW telegrafiesignaal wordt de zender-eindtrap ingesteld in:

a   klasse A
b   klasse A/B
c   klasse C
d   klasse B
-


091

Een 144 MHz FM-zender bestaat uit een gemoduleerde oscillator op 9 MHz, gevolgd door vermenigvuldigtrappen.
De frequentiezwaai van het uitgangssignaal is 1600 Hz.
De frequentiezwaai van het oscillatorsignaal is:

a   2304 Hz
b   100 Hz
c   1600 Hz
d   177 Hz.
-


092

In een EZB-zender wordt de lage zijband opgewekt op een draaggolffrequentie van 1 MHz. Dit signaal wordt in een mengtrap gemengd met dat van een oscillator op 4 MHz.
Aan de uitgang van de mengtrap vinden we onder andere een één zijbandsignaal op:

a   5 MHz met de hoge zijband
b   5 MHz met de lage zijband
c   3 MHz met de lage zijband
d   4 MHz met de hoge zijband
-


093

Een zender wordt gelijktijdig gemoduleerd met twee signalen.
Indien het spectrum van het uitgangssignaal het getekende beeld vertoont, is er sprake van:

a   amplitide-modulatie (A3E)
b   enkelzijband-modulatie (J3E)
c   fase-modulatie (G3E)
d   frequentie-modulatie (F3E)
-


094

De oscillator van een 2-meter FM-zender heeft een frequentie van 36 Mhz en wordt gemoduleerd zodat een frequentie-zwaai van 1 Khz ontstaat.
Het uitgezonden signaal wordt door vermenigvuldiging verkregen.
De frequentie-zwaai daarvan is:

a   0.25 Khz
b   1 Khz
c   2 Khz
d   4 Khz
-


095

In een EZB-zender wordt een zijbandfilter toegepast.
Dit filter is geplaatst tussen:

a   de balansmodulator en de daarop volgende versterkertrap van de zender
b   de draaggolfgenerator en de balansmodulator
c   de microfoonversterker en de balansmodulator
d   de microfoon en de microfoonversterker
-


096

Een ideale enkelzijband-telefonie zender met onderdrukte draaggolf op 7 Mhz, zendt de hoge zijband uit.
De modulatie bestaat uit sinusvormige signalen van 1000 en 1800 Hz.
In het uitgezonden frequentiespectrum zijn componenten aanwezig op:

a   6999 Khz     6998.2 Khz
b   7001 Khz     7001.8 Khz
c   7002.8 Khz  7000.8 Khz
d   7000 Khz     7001 Khz     7001.8 Khz     en7002.8 Khz
-


097

In de onderstaande figuur is een blokschema  van een superheterodyne ontvanger weergegeven.
Het blokje X stelt het volgende voor:

a   de detector
b   de mengtrap
c   de oscillator
d   de middenfrequent versterker
-


098

In de oscillator van een FM telefonie zender wordt:

a   het hoogfrequent-signaal gemoduleerd met het laagfrequent spraaksignaal
b   het hoogfrequent-signaal naar hogere frequenties getransformeerd
c   het hoogfrequent-signaal uitgefilterd
d   het hoogfrequent-signaal geneutrodyniseerd
-


099

Bij A1 uitzendingen in de 80-meter band is de maximum toelaatbare bandbreedte:

a   0.2 Khz
b   2 Khz
c   4 Khz
-


100

Een oscilloscoop, aangesloten op de antenneklemmen van een zender welke gemoduleerd wordt met spraak, vertoont het volgende beeld.
Welke bewering is juist:

a   de zender is een AM-zender
b   de zender is een FM-zender
c   de zender is een EZB-zender met volle draaggolf
d   de zender is een EZB-zender met onderdrukte draaggolf
H 05   Zenders     000-100
H 05   Zenders     101-200
H 05   Zenders     000-100
H 05   Zenders     101-200


-