001

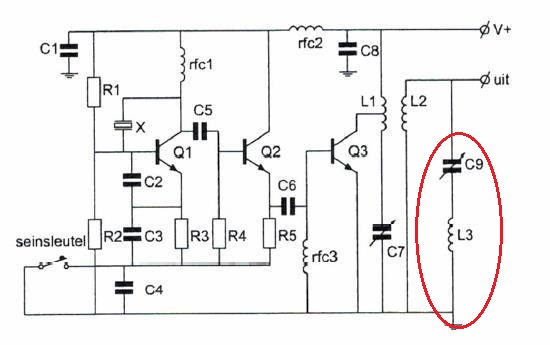
De componenten C9 en L3 vormen hier een:

a   bandfilter
b   laagdoorlaatfilter
c   parallelkring
d  
seriekring
FIGUUR 05