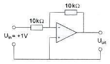
001

De uitgangsspanning Uuit,  is ongeveer:

a   0 V
b   1 V
c   2 V
d   0.7 V
-



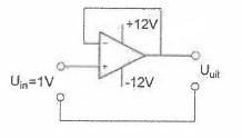
002

De uitgangsspanning Uuit is:

a   0 V
b   -2 V
c   -1 V
d   +1 V
-



003

De spanning Uuit is:

a    0 V
b   -2 V
c   -1 V
d   +1 V
-


004

De uitgangsspanning Uuit is:

a   +4.7 V
b   -5.7 V
c   +5.7 V
d   -4.7 V
-



005

Dit is het schema van een:

A. hoogdoorlaatfilter
B. laagdoorlaatfilter
C. spanningsvolger
D. somversterker
-



006

De versterking van de schakeling is:

A. 0,1x
B. 10x
C. 11x
D. 10.000x
-



007

De versterking van de schakeling is:

a   11
b   0.1
c   10
d   10.000
-



008

Dit is een schema van een:

a   hoogdoorlaatfilter
b   laagdoorlaatfilter
c   modulator
d   verschilversterker
-



009

Dit is het schema van een:

a   verschilversterker
b   laagdoorlaatfilter
c   modulator
d   hoogdoorlaatfilter
-



010

De uitgangsspanning Uuit is:

a   +1  V
b   - 1 V
c   +12 V
d   0 V
-



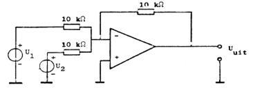
011

De uitgangsspanning Uuit is:

a   Uuit = U1 -  U2
b   Uuit = -(U1 + U2)
c   Uuit =n U2 –U1
d   Uuit = U1 + U
-



012

De uitgangsspanning Uuit is:

a   Uuit = -(U1 + U2)
b   Uuit = -(5U1 + 5U2)
c   Uuit = -(5U1 + 2U2)
d   Uit = 1/7 (U1 + U2)
-



013

De uitgangsspanning bedraagt:

a   +1 V
b   0 V
c   -1 V
d   -2 V
-



014

De uitgangsspanning Uuit is:

a   0 V
b   0,7 V
c   1,0 V
d   2.0 V
-



015

De schakeling stelt voor een:

a   hoogdoorlaatfilter
b   laagdoorlaatfilter
c   verschilversterker
d   modulator
-



016

De schakeling stelt voor een:

a   spanningsvolger
b   hoogdoorlaatfilter
c   somversterker
d   laagdoorlaatfilter
041       A =  R2 / R1     Inverter