001

Een luchtcondensator bestaat uit 2 koperplaten
De oppervlakte van deze platen wordt 2 keer zo groot gemaakt
De capaciteit zal

a   verdubbelen
b   gelijk blijven
c   4x zo groot worden
d   halveren
-

002

In een ideale condensator , aangesloten op een wisselspanningsbron, is het faseverschil tussen stroom en spanning:

a   afhankelijk van de spanning
b   afhankelijk van de frequentie
c   afhankelijk van de stroom
d   altijd 90 graden
-


003

Een condensator wordt gevormd door twee geleiders met daartussen een dielectricum.
De capaciteit wordt groter naarmate de:

a   afstand tussen de geleiders vergroot wordt.
b   dielectrische constante verlaagd wordt.
c   afstand tussen de geleiders verkleind wordt.
d   oppervlakte van de geleiders verkleind wordt.
026    Capaciteit
-


004

De hoogfrequent-verliezen van een condensator zijn het kleinst indien als diëlectricum wordt toegepast:

a   olie
b   plastic folie
c   papier
d   lucht
-


005

De condensator van 1 µF wordt vervangen door een condensator van 2 µF.
De stroom die de meter dan uiteindelijk aanwijst is:

a   0 A
b   2 A
c   0,7 A
d   1 A
-


006

Een condensator met aansluitdraden gedraagt zich voor frequenties in het UHF-gebied voornamelijk als een:

a   condensator met veel verlies
b   weerstand
c   parallelkring
d   spoel
-


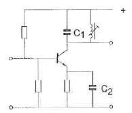
007

De versterkertrap werkt op 145 MHz.
Wat is juist?

a   C1 is een kunststofcondensator C2 is een elektrolytische condensator
b   C1 is een keramische condensator C2 is een elektrolytische condensator
c   C1 is een elektrolytische condensator C2 is een keramische condensator
d   C1 is een keramische condensator C2 is een keramische condensator
-


008

De condensator van 1 µF wordt vervangen door een condensator van 2 πF.
De stroom die de meter dan uiteindelijk aanwijst is:

a   1 A
b   0,7 A
c   0 A
d   2 A
-


009

Een condensator bestaat uit 2 gelijke platen ieder met een oppervlak van S cm2. en een onderlinge afstand van d cm.
Tussen de platen bevindt zich een materiaal met een relatieve dielektrische waarde van cr.
De capaciteit van deze condensator is evenredig met:

a   crxS / d
b   crxd / S
c   crxS / d2
d   dxS / cr
-


010

Een condensator van 1 microfarad heeft een lading van 12 microcoulomb.
Na het hieraan parallel schakelen ven een niet geladen condensator van 2 mirofarad wordt de spanning over beiden condensatoren:

a   4 v
b   6 v
c   12 v
d   18 v
-


011

Een condensator met een capaciteit van 1 microfarad is ongeladen.
Vervolgens wordt de consator geladen gedurende 1 milliseconde met een stroom van 1 milliampere.
De spanning over de condensator is dan:

a   1000 V
b   1 mV
c   0.001 mV
d   1 V
-


012

De condensatoren Cl en C2 zijn geladen tot een spanning van 100 volt.
Beide schakelaars worden nu tegelijkertijd gesloten en na 2 seconden weer geopend.
Hierna is:

a   de spanning over Cl hoger dan die over C2
b   de spanning over Cl gelijk aan die over C2
c   de spanning over Cl lager dan die over C2
d   de spanning over Cl en C2 nul
-


013

Een condensator bestaat uit twee evenwijdige platen.
Tussen de platen bevindt zich een materiaal met een diëlektrische constante van 2.
De capaciteit van deze condensator wordt 2 maal zo groot als:

a   het diëlektrisch materiaal wordt verwijderd
b   de oppervlakte van de platen 2 maal zo klein wordt
c   de afstand tussen de platen 2 maal zo klein wordt
d   de afstand tussen de platen 2 maal zo groot wordt
-


014

Een condensator bestaat uit twee evenwijdige platen.
Tussen de platen bevindt zich een materiaal met een relatieve diëlektrische constante van 2.
De capaciteit van deze condensator wordt 2 maal zo groot als:

a   het diëlektrisch materiaal wordt verwijderd
b   de oppervlakte van de platen 2 maal zo klein wordt
c   de afstand tussen de platen 2 maal zo klein wordt
d   de afstand tussen de platen 2 maal zo groot wordt
-


015

De temperatuurcoëfficiënt van een condensator heeft betrekking op de:

a   verliezen
b   capaciteit
c   doorslagspanning
d   maximaal toelaatbare frequentie
-


016

De condensator in de schakeling moet minstens geschikt zijn voor een spanning van:

a   50 V
b   75 V
c   100 V
d   150 V
-


017

In de praktijk wordt met de condensator:

a   de tijdconstante ingesteld
b   de weerstand ontkoppeld
c   de afstemming ingesteld
d   de kwaliteitsfactor ingesteld
-


018

Een condensator wordt gevormd door twee geleiders met daartussen een dielectricum.
De capaciteit wordt kleiner naarmate de:

a   afstand tussen de geleiders vergroot wordt.
b   dielectrische constante verhoogd wordt.
c   afstand tussen de geleiders verkleind wordt.
d   oppervlakte van de geleiders vergroot wordt.
-


019

De dielectrische constante van lucht is ongeveer

a   2
b   0
c   4
d   1