jj_04_03_001v
-


009

De meest geschikte bandbreedte voor een HF-amateur-ontvanger, die gebruikt wordt voor EZB-telefonie-ontvangst bedraagt:

a   16 Khz
b   2.4 Khz
c   7.5 Khz
d   400 Hz
001

In een superheterodyne AM-ontvanger wordt automatische sterkteregeling toegepast op de:

a   middenfrequentversterker
b   detector
c   oscillator
d   laagfrequent versterker
-

002

In de 40 meter amateurband grenst aan een omroepband.
Als s avonds een aantal omroepzenders door elkaar hoorbaar wordt op een in de amateurband afgestemde ontvanger is dit waarschijnlijk te wijten aan:

a   harmonischen
b   bijzondere propagatiecondities
c   intermodulatie
d   overmodulatie
-


003

Een scheidingstrap heeft als functie het:

a   voorkomen van parasitaire oscillatieverschijnselen
b   overbodig maken van het neutroniseren van de eindtrap
c   constant houden van de amplitude van de draaggolf
d   voorkomen van belastingvariaties op de oscillator
-


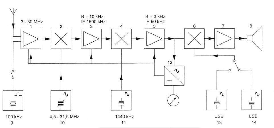
004

Blok 12 is hier:

a   AM-detector
b   AVR-detector
c   FM-detector
-


010

Dit is een blokschema van een ontvanger.
Wat is de frequentie van de 2de mf-versterker?

a    2 Mhz
b    1 Mhz
c   15 Mhz
d   500 Khz
-


005

De zwevingsoscillator [BFO] heeft men bij een superheterodyne-ontvanger nodig voor de ontvangst van:

a   AM [A3E]
b   FM [F3E]
c   CW [A1A]
-


006

De laagfrequentversterker in in communicatieontvanger…

a   versterkt het uitgangssignaal van de detector
b   verzorgt het draaggolfsignaal voor de detector
c   moduleert het te ontvangen signaal
-


007

In een FM-ontvanger wordt een begrenzer toegepast om de…

a   ongewenste uitstraling te verminderen
b   vervorming van de mengtrap te beperken
c   selectiviteit te verbeteren
d   detector van een signaal te voorzien van constante amplitude
-


008

De zwevingsoscillator [BFO] van een superheterodyne-ontvanger is nodig bij de ontvangst van:

a   televisie (A3F)
b   FM (F3E)
c   CW (A1A)
d   AM (A3E)
-


011

Een ontvanger is afgestemd op 1 Mhz.
De middenfrequentie befraagt 450 Khz.
De ingestelde frequentie van blok X bedraagt:

a   1000 Khz
b   1900 Khz
c   450 Khz
d   1450 Khz
-


012

De voornaamste reden voor het gebruik van een bufferversterker achter een oscillator is:

a   de drift van de oscillatorfrequentie te verminderen
b   de harmonische produkten te verminderen
c   de oscillator onafhankelijk te maken van invloeden van de overige trappen
d   de afgegeven oscillatorspanning constant te houden
-


013

Deze schakeling is een:

a   lf-versterker
b   produktdetector
c   oscillator
d   mf-versterker
-


014

De scheidingstrap in een zender heeft als functie het:

a   constant houden van de amplitude van de draaggolf
b   voorkomen van belastingvariaties op de oscillator
c   voorkomen van parasitaire oscillatieverschijnselen
d   overbodig maken van het neutrodyniseren van de eindtrap
-


015

Dit is een blokschema van een ontvanger.
Wat is de minimale bandbreedte ven de 1e mf-versterker?

a.6 kHz
b.15 MHz
c.1 MHz
d.2 MHz
-


016

Een ontvanger voor 145,500 MHz heeft een middenfrequentie van 10,700 MHz.
De spiegelfrequentie is:

a   156,200 MHz
b   10,700 MHz
c   124,100 MHz
d   134,800 MHz
-


017

In een superheterodyne ontvanger met een middenfrequentie van 1 MHz , is de oscillatorfrequentie hoger dan de te ontvangen frequentie.
De ontvanger is afstembaar van 2 tot 5 MHz,
De capaciteit in de oscillatorkring dient dan gevarieerd te kunnen worden met een factor:

a.   2
b.   2.5
c.   4
d.  6.25
-


018

Een ontvanger is afgestemd op de frequentie 145,700 MHz.
De oscillatorfrequentie bedraagt 135,000 MHz.
De spiegelfrequentie is:

A. 124,300 MHz   
B. 135,000 MHz
C. 156,400 MHz
D. 167,100 MHz
-


019

Een begrenzer in een 2-meter FM-ontvanger dient voor het begrenzen van de:

A. amplitude van het signaal
B. frequentiezwaai van het signaal
C. laagfrequent bandbreedte van het signaal
D. middenfrequent bandbreedte van het signaal
-


020

De hf-versterkertrap van een superheterodyne-ontvanger dient een versterking te hebben die:

A. zo hoog mogelijk is
B. afhangt van de bandbreedte van de mf versterker
C. voldoende is om zwakke signalen te versterken tot boven het ruisniveau van de mengtrap
D. voldoende is om zwakke signalen te versterken tot boven het ruisniveau aan de ingang van de ontvanger
-


021

Om een ontvanger zo te verbeteren dat hij zwakke signalen beter hoorbaar maakt moet men zorgen dat hij:

A. intern minder ruis opwekt
B. meer audiovermogen krijgt
C. nauwkeuriger kan worden afgestemd
D. een betere hf versterkingsregeling krijgt
-


022

De frequentiestabiliteit van een superheterodyne ontvanger wordt bepaald door de:

a   detector
b   hf-versterker
c   oscillator(en)
d   mf-versterker(s)
-


023

De squelch-schakeling dient om:

a   vonkstoringen te onderdrukken
b   ruis te onderdrukken als geen signaal wordt ontvangen
c   de gevoeligheid van de ontvanger te vergroten
d   spiegelfrequentie(s) te onderdrukken

-

024

De schakeling is een bijzondere uitvoering van:

a   een amplitudemodulatie-detector
b   een frequentie-discriminator
c   een fase-discriminator
d   een op het lichtnet aangesloten voedingsschakeling