jj_04_01_001v
-


002

Een superheterodyne-ontvanger heeft geen hf-versterker.
Draaien aan de afstemknop verandert de afstemfrequentie van:

a   alleen de antenneingang
b   de detector
c   de middenfrequent afstemkringen
d   de oscillator en de antenneingang
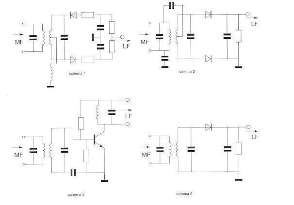
001

Welk schema stelt een AM-detector voor?

a   schema 3
b   schema 2
c   schema 4
d   schema 1