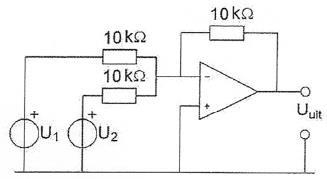
001

De versterking van de schakeling is:

a   0.1
b   11
c   10000
d   10
-


002

De open-lus versterkingsfactor van een OpAmp bij een frequentie van 1 Khz is in de praktijk ongeveer:

a   1000
b   10
c   100000
d   100
-


003

De uitgangsspanning Uuit is:

a   -(U1 + U2)
b   U2 – U1
c   U1 + U2
d   U1 – U2
-


004

De schakeling stelt voor een:

a   spanningsvolger
b   somversterker
c   detector
d   verschilversterker
-


005

Van een lineaire versterker kan worden gezegd:

a   deze wordt niet voor AM-gemoduleerde signalen toegepast
b   deze versterker heeft altijd een rendement van 50%
c   de vorm van de uitgangsspanning is gelijk aan die van de ingangsspanning
d   deze wordt alleen voor FM-gemoduleerde signalen toegepast
-


006

Een geheugen voor binaire getallen bestaat uit:

a   exclusieve OF-poorten
b   delers
c   optellers
d   flipflops
-


007

Van een deler voor digitale signalen is het in- en uitgangssignaal gegeven.
De schakeling vormt een:

a   2-deler
b   4-deler
c   5-deler
d   6-deler
-


008

De versterking van de schakeling is:

a.   11
b.   0,1
c.   10
d.   10.000
-


009

Een flipflop is een:

a analoge serie-parallel omzetter
b digitale geheugen schakeling
c analoge geheugen schakeling
d analoge circuit bouwsteen
jj_02_07_008v