jj_02_06_007v
-


003

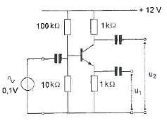
Wat wordt een emittorvolger genoemd?
-


004

In deze schakeling wordt ipv een transistor met een stroomversterking van hfe=100
een transistor toegepast met een hfe=50
Wat is het gevolg?

a   de spanningsversterking wordt veel groter
b   de spanningsversterking wordt veel kleinder
c   de schakeling zal niet meer werken
d   de spanningsversterking blijft ongeveer gelijk
-


005

De transistor staat in:

a   GES
b   GCS
c   GDS
d   GBS
-


006

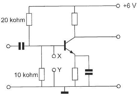
De transistor is niet in verzadiging.
De 100 Ohm weerstand wordt vervangen door een 3 maal zo kleine waarde.
Het opogenomen elektrisch vermogen in die weerstand:

a   blijft gelijk
b   wordt 9* zo klein
c   wordt 3* zo groot
d   wordt 3* zo klein
-


007

Indien de punten X en Y worden doorverbonden:

a   neemt de collectorstroom toe
b   blijft de collectorstroom  gelijk
c   neemt de emittorstroom toe
d   neemt de collectorstroon af
-


008

Kenmerkend voor een gemeenschappelijke basisschakeling is:

a   lage ingangsimpedantie en lage uitgangsimpedantie
b   hoge ingangsimpedantie en hoge uitgangsimpedantie
c   lage ingangsimpedantie en hoge uitgangsimpedantie
d   hoge ingangsimpedantie en lage uitgangsimpedantie
-


009

Van de transistor is de hfe = 100.
Welke bewering is juist?

a   U1= 0.1 V   U2 = 0.1 V   en hebben dezelfde fase
b   U1= 0.1 V   U2 = 0.1 V en hebben tegengestelde fase
c   de ingangsspanning is te klein om enig effect op U1 en U2 te hebben
d   U1 = 0 V     U2 = 10  V
-


010

Dit is een transistor in:

a   GBS
b   GES
c   geaarde basis schakeling
d   GCS
-


011

Een transistor in gemeenschappelijke collector schakeling (emittervolger) heeft:

a   een lage ingangsimpedantie
b   een hoge ingangsimpedantie
c   een lage lekstroom
d   een hoge basis-emitter spanning\
-


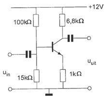
012

In de onderstaande figuur is het schema van een transistorversterker schakeling weergegeven.
Deze transistor staat geschakeld in de:

a   geaarde basisschakeling (GBS)
b   geaarde emitterschakeling (GES)
c   geaarde collectorschakeling (GCS)
d   gecombineerde schakeling GBS en GES
-


013

Een transtor in GES (emittorvolger) heeft:

a   een  lage ingangsimpedantie
b   een hoge ingangsimpedantie
c   een lage Ico
d   een hoge Vbe
-


014

Van een transistor in GES is de stroomversterking hfe=70.
In een GBS is de stroomversterking van deze transistor:

a   70
b   1.014
c   0.986
d   1/70
-


015

De formule voor de wisselstroomversterking van een transisstor in een GCS is:

a   Ic / Ie
b   Ic / Ib
c   Ie / Ib
d   Ie / Ic
001

Waar dienen R1 ben R2 voor ?

-
-


002

Wat betekenen-

GBS
GCS
GES