jj_02_03_006v
-


003

Voor een spoel geldt:
Rl = 6 Ohm en Xl = 8 Ohm.
De spoel wordt aangesloten op een wisselspanning van 84 Volt.
De stroom door de spoel is:

a   10.5 A
b   14 A
c   8.4 A
d   6 A
-


004

De spanning over de spoel is:

a   200 V
b   100 V
c   400 V
d   300 V
-


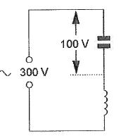
001

De spoel heeft een gelijkstroomweerstand van 40 Ohm.
De reactantie XL is 1 Kohm.
De ingangsspanning is ongeveer:

a   104 V
b   204 V
c   100 V
d      4 V
-


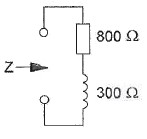
002

De impedantie van de schakeling is:

a   500 Ohm
b   300 Ohm
c   400 Ohm
d   700 Ohm
-


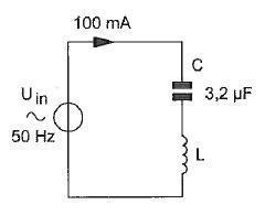
005

De spanningsbron levert een wisselstroom van 3A.
De stroom door de condensator is 1A.
De stroom door de spoel is:

a   4 A
b   2 A
c   1 A
d   3 A
-


006

Als de frequentie wordt verdubbeld, dan wordt de ingangsimpedantie:

a   2200

b   1708

c   1100

d   1000
-


007

In de onderstaande figuur is een serieschakeling van een weerstand en een condensator getekend die is aangesloten op een generator met een sinusvormige spanning U en een verwaarloosbare inwendige weerstand.
Het juiste vectordiagram wordt gegeven door:

a   1
b   2
c   3
d   4
-


008

In de figuur is het vectordiagram weergegeven van de serieschakeling van een weerstand R en een spoel L.
Het opgenomen vemogen is:

a   U x I
b   Ur x I
c   UL x I
d   U2 / R
-


009

Het vectordiagram heeft betrekking op:

a   een serieschakeling van een condensator en een weerstand
b   een capaciteit
c   een serieschakeling van een spoel en een weerstand
d   een zelfinductie
-


010

Hoe groot is de spanning over de weerstand ?

a   150 V
b   200 V
c   210 V
d   280 V
-


011

Het vectordiagram heeft betrekking op:

a   een zelfinductie
b   een serieschakeling van een zelfinductie en een weerstand
c   een serieschakeling van een capaciteit en een weerstand
d   een capaciteit
-


012

Het vectordiagram heeft betrekking op:

a   een serieschakeling van een condensator en een weerstand
b   een condensator
c   een serieschakeling van een spoel en een weerstand
d   een spoel