+ ++     Waarden
001

In het afvlakfiiter van een netspanning gevoede ontvanger dienen de afvlakcondensatoren een waarde te hebben van ongeveer:

a   1000 farad
b   1000 picofarad
c   1000 nanofarad
d   1000 microfarad
-


002

Voor een bruikbare modulatie zal de waarde van R1 liggen in de ordegrootte van:

a   10 ohm
b   600 ohm
c   100 Kohm
d   1 ohm
-


003

Voor een goede werking dient R1 een waarde te hebben van:

a   100 Kohm
b   1000 ohm
c   500 ohm
d   100 ohm
-


004

Een 10-meter zender veroorzaakt laagfrequent-detectie in een geluidsinstallatie.
Om de storing op te heffen worden de laag-ohmige luidsprekeruitgangen ontkoppeld door middel van condensatoren, parallel aan de uitgangen.
De meest geschikte capaciteitswaarde is:

a   10 microfarad
b   10 nanofarad     
c   10 millifarad
d   10 picofarad
-


005

Een 2-meter EZB-zender veroorzaakt storing in een geluidsversterker.
LF-detectie wordt voorkomen door toepassing van een weerstand van ongeveer 500
in de basisleiding van de 1ste  transistor en een C naar aarde.
De goede keuze voor C is:

a   100 pF
b   1 pF
c   1 µF
d   100 nF
-


006

Dit filter behoort tot een 3,7 MHz zender-eindtrap.
Bij een aangesloten belasting van 50
is Z ongeveer:

a   1.000

b   50

c   10.000

d   10
    
-


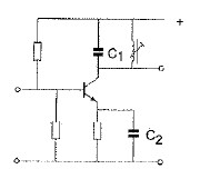
007

De versterkertrap werkt op 145 MHz.
Wat is juist?

a   C1 is een kunststofcondensator C2 is een elektrolytische condensator
b   C1 is een elektrolytische condensator C2 is een keramische condensator
c   C1 is een keramische condensator C2 is een keramische condensator
d   C1 is een keramische condensator C2 is een elektrolytische condensator
-


008

De gebruikelijke waarde van een afstemcondensator voor korte golf toepassingen is:

a   1 pF
b   10 nf
c    1 πF
d   100 pf
-


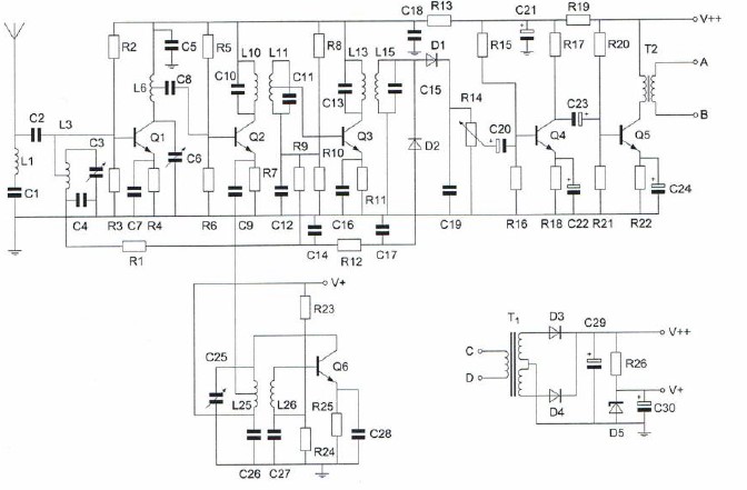
009

De condensator C22 heeft bij voorkeur een waarde van ongeveer:

a   100 nF
b   10 pF
c   1000 pF
d   100 πF
-


010

De gebruikelijke waarde van een afstemcondensator voor korte golf toepassingen is:

a 1 pF
b 1 µF
c 100 pF
d 10 nF



11

De gevoeligheid van een FM-ontvanger voor de 2-meterband bedraagt ongeveer:

a   0,2 nanovolt
b   0,2 microvolt
c   0,2 millivolt
d   0,2 volt
-


12

De ontvanger werkt met een middenfrequentie van 455 Khz.
De meest waarschijnlijke waarde voor C11 is:

a   500 pF
b   500 nF
c   10 nF
d   10 pF