001

Om wisselspanning om te zetten naar gelijkspanning , gebruiken we een :

a   filter
b   transformator
c   diode
-

002

Een kenmerkende eigenschap van een zenerdiode is:

a   sterk toenemende stroom boven een bekende spanning in de sperrichting
b   hoge weerstand in doorlaatrichting
c   sterke lichtgevoeligheid in de sperrichting
-


003

Deze karakteristiek heeft betrekking op een

a   spanningsbron
b   zenerdiode
c   weerstand
d   FET
-


004

De maximale doorlaatstroom in een halfgeleiderdiode wordt begrensd door de :

a   kristaltemperatuur.
b   maximale sperspanning.
c   omgekeerder EMK.
d   doorlaatspanning.
H02_05   Diodes
-


005

Variabele condensatoren worden gevormd door twee geleiders met daartussen een dielectricum.
Ze worden veelal toegepast voor:

a   het regelen van de dielectrische constante
b   het regelen van de zelfinductie
c   het laten naijlen van de stroom op de spanning
d   afstemming en afregeling
-


006

Een veel voorkomende spanning en stroom van een LED zijn:

a   5 V en 30 mA
b   1.7 V en 20 mA
c   60 V en 20 mA
d   0.7 V en 60 mA
-


007

Een LED (light emitting diode) dient op een spanning van 12 volt te worden aangesloten:

a   schema 4
b   schema 3
c   schema 2
d   schema 1
-


008

De spanning over de diode is:

a   0.6 V
b   0.8 V
c   2 V
d   1.8 V
-


009

De lekstroom van een diode:

a   neemt af bij temperatuurverhoging
b   neemt toe bij temperatuurverhoging
c   is alleen afhankelijk van de spanning
d   is niet afhankelijk van de temperatuur
-


010

De sperspanning van een normale siliciumdiode is:

a   tussen de 2V en 10V
b   kleiner dan 0.4V
c   groter dan 10V
d   tussen de 0.4V en 2V
-


011 

Om licht te geven dient een LED te werken:

a   in de sperrichting
b   in de doorlaatrichting
c   met een spanning van ca. 0.7 V
d   met inductieve voorspanning
-


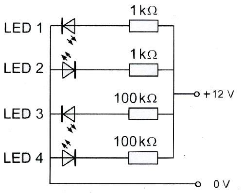
012

Welke LED licht duidelijk op?

a   LED 3
b   LED 4
c   LED 2
d   LED 1
-


013

De spanning over Rb moet worden gestabiliseerd op 5 volt.
Rs moet zijn:

a   10

b   50

c   24

d   20
-


014

Van de gelijke zenerdiodes is de karakteristiek gegeven.
Hoe groot is U?

a   12.8 V
b   10.8 V
c   7.4 V
d   8.8 V
-


015

In welk van de volgende gevallen is de diode gesperd ?

a  A
b  B
c  C
d  D
-


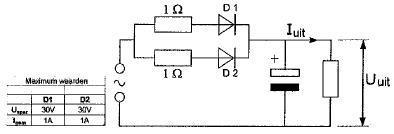
016

De dioden zijn gelijk.
Kies uit de alternatieven de combinatie van hoogste Uuit en Iuit die de schakeling kan leveren:

aUuit = 20 V     Iuit = 2 A
bUuit = 10 V     Iuit = 1 A
cUuit = 20 V     Iuit = 1 A
dUuit = 10 V     Iuit = 2 A
-


017

De dioden hebben gelijke doorlaatkarakteristieken maar de belastbaarheid is verschillend.
Kies uit de alternatieven de combinatie van hoogste Uuit en grootste Iuit die de schakeling kan leveren:

a. Uuit = 20 V en Iuit = 2 A
b. Uuit = 10 V en Iuit = 3 A
c. Uuit = 10 V en Iuit = 2 A
d. Uuit = 20 V en Iuit = 3 A
-


018

Als door variatie van de voedingsspanning de stroom door de zenerdiode variëert van
    -20 mA tot -60 mA, variëert de spanning over Rb:

a   0 V
b   0,3 V
c   0,4 V
d   0,2V
-


019

De zenerdiode in de schakeling heeft de onderstaande karakteristiek.
De spanning U over de zenerdiode is weergegeven in:

a   grafiek 4
b   grafiek 3
c   grafiek 2
d   grafiek 1
-


020

De dioden zijn gelijk.
Kies uit de alternatieven de combinatie van hoogste Uuit en grootste Iuit die de schakeling kan leveren:

a   Uuit = 400 V     Iuit = 4 A
b   Uuit = 200 V     Iuit = 4 A
c   Uuit = 200 V     Iuit = 2 A
d   Uuit = 400 V     Iuit = 2 A
-


021

In welke schakeling geleid de diode ?

a   A
b   B
c   C
d   D
-


022

De maximale doorlaatstroom in een halfgeleider diode wordt begrensd door de:

a   omgekeerde EMK
b   doorlaatspanning
c   kristaltemperatuur
d   maximale sperspanning
-


023

Deze karakteristiek heeft betrekking op een:

a   weerstand
b   diode 
c   NPN-transistor
d   resonantiekring
-


024

De spanning over de diode is:

a   0.6 V
b   0.8 V
c   1.2 V
d   2 V
-


025

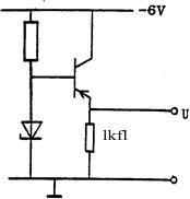
Voor de transistor geldt:
Ube = -0.5 V
De zenerspanning is 2 volt.
De spanning U is:

a   -1,5 V
b   -2,5 V
c   -6V
d   0V
-


026

In de schakeling zal:

a    lamp 1 en 2 branden
b   alleen lamp 1 branden
c   alleen lamp 2 branden
d   geen lamp branden
-


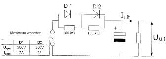
027

De dioden hebben dezelfde doorlaatkarakteristiek maar de belastbaarheid is verschillend.
De schakeling is toepasbaar voor maximaal:

a   300 V     1 A
b   300 V     2 A
c   150 V     1 A
d   150 V     2 A
-


028

De dioden hebben gelijke doorlaatkarakteristieken maar de belastbaarheid is verschillend.
Kies uit de alternatieven de combinatie van hoogste Uuit en grootste Iuit die de schakeling kan leveren:

a   350 V   1 A
b   200 V   2 A
c   200 V   1 A
d  100 V    1 A
-


029

De dioden hebben dezelfde doorlaatkarakteristiek maar de belastbaarheid is verschillend.
Kies uit de alternatieven de combinatie van hoogste Uuit en Iuit die de schakeling kan leveren:

a   200 V      1 A
b   200 V      2 A
c   100 V      1 A    
d   100V       2 A