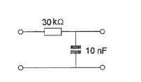
001

De kantelfrequentie van dit filter is ongeveer

a   3300 Hz
b   1000 Hz
c   50 Hz
d   500 Hz
055     Kantelfrequentie
-


002

De kantelfrequentie van dit filter bedraagt ongeveer:

a   160 Khz
b   628 Hz
c   1 Khz
d   100 Khz
-


003

De kantelfrequentie van dit filter bedraagt:

a   2000 Hz
b   500 Hz
c   200 Hz
d   50 Hz
 
-


004

Een 2-meter SSB-zender veroorzaakt storing in een geluidsversterker.
LF-detectie wordt voorkomen door toepassing van een weerstand van ongeveer 500
in de basisleiding van de 1ste transistor en een C naar aarde.
Een goede keuze voor C is:

a   100 pF
b   1 pF
c   100 nF
d   1 µF
-


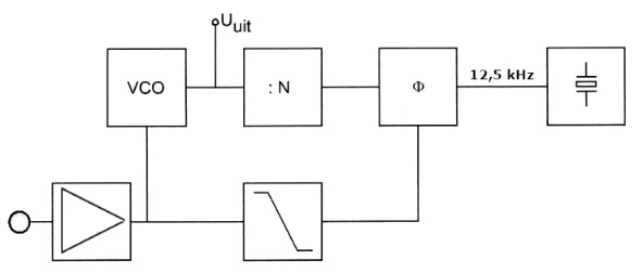
005

Het uitgangssignaal Uuit wordt gemoduleerd door het microfoonsignaal.
De meest geschikte kantelfrequentie van het filter in de regel-lus is:

a 30 Hz
b 3000 Hz
c 146 Mhz
d 12.5 Khz