001

De Q-factor van een spoel heeft vooral betrekking op de

a   verhouding diameter spoel / diameter draad
b   bereikbare selectiviteit
c   eigen capaciteit van de spoel
d   hoogst mogelijke resonantiefrequentie
-


002

Dit is de frequentiekarakteristiek van een resonantiekring
De kwaliteitsfactor [Q] van deze kring bedraagt

a   16.7
b   25
c   100
d   50
-

003

Drie gelijke spoelen met dezelfde Q-factor worden parallel geschakeld
Er is geen magnetische koppeling
De Q-factor van de schakeling

a   blijft gelijk
b   wordt 9* lager
c   wordt 3* lager
d   wordt 3* hoger
-


005

De Q-factor van een spoel heeft vooral betrekking op de:

a   eigen capaciteit van de spoel.
b   verhouding diameter spoel / diameter draad.
c   bereikbare selectiviteit.
d   hoogst mogelijke resonantiefrequentie.
035     Q-factor     Q = f.res / BW
-


006

De 3 dB bandbreedte van een parallelkring met een f.res van 21 Mhz en een Q van 70,is:

a   1470 Khz
b     600 Khz
c     150 Khz
d     300 Khz
-


007

Een spoel van 2µH met een draadweerstand van 0.1 ohm wordt toegepast op een frequentie van 2 Mhz.
De Q-faktor van de spoel is ongeveer:

a   0.1
b   20 *10-6
c   250
d   2.5
-


008

Van de serieschakeling wordt de weerstand kortgesloten.
De kwaliteitsfactor wordt hierdoor:

A. groter 
B. kleiner
C. niet beïnvloed
D. bepaald door de amplitude van de aangelegde spanning
-


009

Een seriekring bestaat
uit een spoel van 1muH met een ohmse weerstand van 0.1ohm en een condensator.
De resonantiefrequentie bedraagt
8 Mhz.
De Q-factor van de kring is ongeveer:

a   50
b   0.8 x 10-6
c   0.1 x 10-6
d   500
-


010

Door het sluiten van de schakelaar S wordt:

a   de versterking kleiner en de bandbreedte kleiner
b   de versterking groter en de bandbreedte kleiner
c   de versterking kleiner en de bandbreedte groter
d   de versterking groter en de bandbreedte groter
-


011

De Q-factor van een spoel in een resonantiekring heeft vooral invloed op de:

a   eigencapaciteit van de spoel
b   selectiviteit van de kring
c   resonantiefrequentie van de kring
d   koppelfactor van de spoel
-


012

Een serieschakeling bestaande uit een weerstand R, een spoel L en een condensator C, is weergegeven in de onderstaande figuur.
De spoel en de condensator zijn verliesvrij verondersteld.
De kwaliteitsfactor van deze kring is gelijk aan:
(In onderstaande formules stelt de letter f de frequentie voor).

a    Q = 2πfL – 1/(2πfC)
b    Q = R
c    Q = 2πfL / R
d    Q = 1 /
LC
-


013

De kring is in resonantie op en frequentie waarvoor geldt
= 2πf = 1000000 rad/sec.
De kwaliteitsfactor van deze kring is:

a   0.02
b   20
c   50
d   200
-


014

De kwaliteitsfaktor (Q) van een spoel wordt bepaald:

a   door het produkt van reactantie en weerstand
b   door het quotiént van reactantie en weerstand
c   uitsluitend door de zelfinductie
d   uitsluitend door de weerstand
-


015

De kwaliteitsfaktor van een spoel is evenredig met:

a   L x R
b   L/R
c   R/L
d   1/ LxR
-


016

Van een seriekring in resonatie wordt de serieweerstand vergroot van Rs=10 ohm
naar Rs = 20 ohm.
De kwaliteitsfaktor Q wordt hierdoor:

a   2x kleiner
b   niet veranderd
c   2x groter
d   4x groter
-


017

De kwaliteitsfactor van deze kring is evenredig met:

a   L x R
b   L / R
c   R / L
d   1/ LxR
-


018

Door het huideffect (skin-effect) wordt:

a   de zelfinductie van spoelen kleiner
b   de zelfinductie van spoelen groter
c   de Q-factor van afgestemde kringen lager
d   de resonantiefrequentie van afgestemde kringen hoger
-


019

Wijziging van de Q-factor van een spoel in een kring beïnvloedt de:

a   resonantiefrequentie
b   zelfinductie
c   selectiviteit
d   eigen capaciteit
-


020

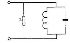
Een (ideale) parallelkring is in resonantie.
De weerstand R van 10 kilo-Ohm wordt vervangen door een weerstand van 20 kilo-Ohm.
De kwaliteitsfaktor Q van de schakeling wordt hierdoor:

a   2x kleiner
b   niet veranderd
c   2x groter
d   4x groter
-


004

De Q factor van een spoel in een resonantiekring heeft vooal invloed op de

a   eigenschappen van nde spoel
b   koppelfactor van de spoel
c   selectiviteit van de kring
d   resonantie van de kring